Experimental Analysis on Ductility of Polyvinyl Alcohol Fibre Reinforced Concrete Frame Joints

Experimental Analysis on Ductility of Polyvinyl Alcohol Fibre Reinforced Concrete Frame Joints

Erxia DuYu Wang Jianheng Sun Sanqiang Yang

College of Civil Engineering and Architecture, Hebei University, Baoding 071002, China

College of Urban and Rural Construction, Agricultural University of Hebei, Baoding 071001, China

Corresponding Author Email: 
ysq0999@163.com
Page: 
17-22
|
DOI: 
https://doi.org/10.18280/acsm.430103
Received: 
20 December 2018
|
Revised: 
11 January 2019
|
Accepted: 
19 January 2019
|
Available online: 
25 April 2019
| Citation

OPEN ACCESS

Abstract: 

This paper attempts to disclose the ductility of polyvinyl alcohol (PVA) fibre reinforced concrete frame joints. For this purpose, the low-cycle repeated load test was performed on four pieces of frame joints on the scale of 1:2, and the effect of PVA fibre dosage on the seismic behaviour of frame joints was analysed. Next, the PVA fibre reinforced concrete frame joints were compared with ordinary reinforced concrete frame joints in terms of failure modes, hysteresis properties, ductility and energy dissipation. The results show that the PVA fibre reinforced concrete frame joints had much higher crack resistance, more robust hysteresis curve and greater energy dissipation than ordinary reinforced concrete frame joints. Within a certain range, the energy dissipation increased with the dosage of PVA fibre. This shall provide a basis for the application of PVA fibre reinforced concrete on frame joints.

Keywords: 

polyvinyl alcohol (PVA) fibre reinforced concrete, frame joint, ductility, energy dissipation, hysteresis loop

1. Introduction

The joint is the core of the force transmission between the beam and column in the reinforced concrete frame structure, which is the key link of the building structure system. Due to the brittleness of concrete itself and the inconsistency of deformation between reinforcement and concrete, the bond between reinforcement and concrete in joint area should be deteriorated, even splitting failure occurs at the interface under seismic load [1]. In order to ensure the ductility and energy dissipation capacity of the joints, the stirrups are commonly used in the joint area to increase the strength of the concrete and thus form a "strong joint" [2]. However, this method shall lead to the accumulation of steel bars at the joints, and affect the quality of concrete pouring, making it difficult to bond the steel bars and concrete well. Besides, it is difficult to make maintenance and reinforcement once the joint is damaged. Many scholars at home and abroad have solved the problems caused by the frame joint failure for improving the performance of concrete materials, and conducted a lot of research on high performance concrete [3]. PVA fibre concrete has higher tensile strength, crack resistance and impact resistance than ordinary concrete. When the PVA fibre concrete is applied to replace some of the stirrups in the joint area, the use of stirrups shall be reduced, which facilitate the concrete pouring, ensure the bond between the steel and the concrete, and finally increase the strength, stiffness and ductility of the joints [4].

Fibre reinforced concrete has excellent mechanical properties and durability. By applying it to the beam-column joints of frame structures, many scholars have conducted experimental studies on seismic behaviour of frame joints. Henager C.H [5] first carried out experimental research on steel fibre reinforced concrete in frame joints with the two full-scale beam-column joints as the specimens, and studied the influence of steel fibre reinforced concrete on seismic behaviour of beam-column joints. The results show that compared with the specimen with enough stirrups installed according to the US ACI specifications about ductile joints, the ductility factor of the steel fibre reinforced concrete beam-column joints without the stirrups increased by 52.9 %, the tensile bond strength of beam longitudinal rebar by 40 %, and the ultimate bending moment by 20 %, which indicates that steel fibre reinforced concrete has a greater effect on improving the seismic performance of beam-column joints and reducing the number of horizontal reinforcement. Gencoqul et al. [6] performed repeated loading tests on seven full-scale beam-column joints by taking the dosage of the beam end steel fibre and the stirrup reinforcement ratio in the core area as the test parameters, and discussed the influence of the steel reinforced fibre on the joint stirrups and the suitable dosage at the mid-side joint beam end.

Compared with steel fibre reinforced concrete, PVA fibre reinforced concrete is lighter and more convenient for construction. In 1985, Japanese scholars took the lead in applying PVA fibres to cement-based composites. In 1992, Professor Victor Li of the University of Michigan and Professor Christopher Leung of the Massachusetts Institute of Technology published a paper in the ASCE Journal of Engineering Mechanics (Vol.118, No. l1, 2289-3018), stating that the application of PVA fibre can develop the Engineered cementitious composites (ECC) with strain hardening and multi-channel cracking properties. Since then, extensive research on ECC materials has begun around the world.  Kanda [7] analysed the effects of the two factors such as span-depth ratio and shear reinforcement, and tested the "Ohno Shear Beam"; the results showed that the load of ECC increased by half compared to the plain concrete in case of shear compression failure. VasillagXoxa [8] systematically studied the shear properties of PVA-ECC using the plane pure shear test, finding that the PVA-ECC plate has good shear ductility. Xu Shiniang and Li Hedong [9] conducted the test of ultra-high toughness cement-based composite materials, and obtained that the ultimate flexural strength at 28 days of age was about 16.01MPa, the tensile strength was about 3.16MPa, and the ratio of the two was 5.07, far more than 3, which shows the excellent bending resistance of this material.

In view of the high tensile strength, crack resistance and impact resistance of PVA concrete, this paper aims to study the change of joint’s mechanical performance with the PVA fibre dosages using the PVA fibre reinforcement concrete instead of ordinary concrete in the joint area. The author severs studied the mechanical properties of PVA fibre reinforcement concrete [10, 11], and the bonding properties between steel bar and PVA fibre reinforcement concrete or new and old concrete [12, 13], which provides a basis for the application of PVA fibre reinforced concrete on frame joints.

2. Experiment Overview

2.1 Experiment design and material properties

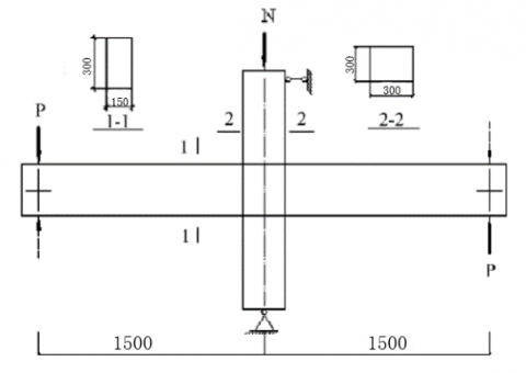
In this experiment, three PVA fibre reinforced concrete frame joint members (PVA-1, PVA-2, and PVA-3) and a plain concrete (PCE) frame joint member were fabricated on the reduced scale of 1:2. The reinforcement for the specimens was calculated according to the current specifications, and all the specimens were designed based on the principle of “strong member, weak joint”. Figure 1 shows the specimen dimensions and the reinforcement.

Figure 1. Specimen size and reinforcement

The test was carried out by changing the dosage of the fibre. The mechanical parameters of the materials and specimens are shown in Table 1, 2 and 3.

Table 1. Mechanical indexes of steel bars

Type of steel bars

Yield strength fy/MPa

Ultimate strength fu/MPa

8

303.5

483.2

20

417.3

570.7

22

411.8

583.9

 
Table 2. PVA fibre performance parameters
 

Fineness

/detx

Diam

/μm

Length

/mm

Aspect ratio

Ultimate strength

/MPa

Ultimate strength

%

Elastic modulus

/GPa

Density

g/cm3

15

39

12

300

1600

6

40

1.3

Table 3. Number of specimens

Specimen name

Number of specimens

Fibre content (%)

Plain concrete

PCO

0

PVA fiber concrete 1

PVA-1

0.4

PVA fiber concrete 2

PVA-2

1.2

PVA fiber concrete 3

PVA-3

0.8

 
2.2 Loading scheme

The experiment mainly studied the mechanical properties of the join core zone and the plastic zone at the beam end. It used the small axial pressure ratio of 0.15, ignoring the P-δ effect of the column end, and made the beam end cyclic anti-symmetric loading. In this experiment, the top shaft pressure was first applied until reaching the pre-set axial compression ratio by a 100T actuator. After the axial force was stabilized, two 50T actuators were used to apply low-cycle repeated loads at both ends of the beam. During this process, the column top shaft pressure is always unchanged. Figure 2 shows the loading device.

The experiment adopted the load-displacement mixed loading mechanism. Firstly, the cyclic loading in load control was performed, for one cycle at each stage. When the load-displacement curve of loading system has a turning point, the member is considered to have yielded. After this cycle, the cyclic loading under load control cycle ended, and the load and displacement at this time were recorded. Then, converting this displacement into control displacement, the cyclic loading in displacement control was performed, with 1, 2, and 3 times of yield displacement, for 3 cycles at one stage, as shown in Figure 3. The test was terminated when the joint's carrying capacity drops to 85 % of the maximum load or cannot continue to withstand loading.

Figure 2. Loading device (mm)

Figure 3. Loading mechanism

In order to study the deformation of the longitudinal reinforcement and stirrups in the core area and surrounding beam-column, the strain gauges were used to measure the strain. The specific deployment of strain gauges is shown in Figure 4, that is, polish the steel bars and wipe them with alcohol, and fix the welded strain gauge ends with high-grade super glue in the corresponding position; then evenly coat the outer layer with epoxy resin for waterproofing, and sprinkle with fine sand to reduce the effect on the bonding between steel and concrete.

Figure 4. Deployment of the strain gauges on the steel bars

2.3 Measurement system

Axis pressure and displacement at the column top were recorded directly using the equipment data measurement system. The load at the loading point of the beam end was directly recorded by the equipment data measuring system; the vertical displacement at the loading point of the beam end was measured by two displacement meters with a measuring range of 100mm; the data was read using the static strain indicator UT7110Y. The angle of the plastic hinge region at the beam end was measured using a dial gauge with a range of 50mm. The deformation of the joint core area was measured by two displacement meters with a range of 50mm, and the shear displacement in two directions was recorded at 45° in the core area, as shown in Fig. 2. The displacement meter was fixed by hot melt adhesive, and the data recording was also used by the UT7110Y static strain gauge data acquisition box for conversion for conversion and real-time recording. The steel strain was recorded using the Donghua 3815N static stress-strain test and analysis system. The crack observation was manually performed by a crack observer, and the load was suspended during each control of load or displacement, to depict the cracks in the joint core zone and record its size.

3. Analysis of Experimental Results

3.1 Hysteresis curve and skeleton curve

The main experimental results are shown in Table 4. The failure load of the specimens was defined as Pu=0.85Pmax. Figure 5 shows relation curve between fibre dosage and node displacement.

Table 4. Experimental results

Specimen name

Cracking point

 

Limit point

 

Failure point

Pcr/kN

cr/mm

 

Pmax/kN

max/mm

 

Pu/kN

u/mm

PCO

 17.9

 3.92

 

 73.6

 19.89

 

 62.6

16.32

PVA-1

 23.3

 6.02

 

 75.1

 23.61

 

 64.7

20.11

PVA-2

 28.7

 8.66

 

 78.2

 29.67

 

 66.5

27.42

PVA-3

 27.9

 9.01

 

 79.4

 28.33

 

 67.5

25.77

 

Figure 5. Relation curve between fibre dosage and node displacement

Comparing the four components, it can be concluded that with the increase of volume fraction of fibres, the maximum displacement corresponding to each stage of the joint has been increased, the ultimate displacement and failure point displacement of the component with PVA fibre have been significantly increased, and the crack point displacement after adding fibre has also been improved to a certain extent. It shows that with the increase of fibre content, the ductility of components is improved.

Figure 6 shows the beam-end load-displacement hysteresis curve of the specimens, while Figure 7 shows their skeleton curves.

Figure 6. Hysteresis curve of the specimens

From the hysteretic curve, it can be obtained that the specimen is in the elastic stage at the initial stage of loading. The hysteretic curve is full shuttle type and the load and displacement of each specimen are approximately the same. The hysteretic curve of cracked core area is inverted S-shaped. The performance of ordinary concrete joints and PVA reinforced frame joints under reciprocating loads is obviously different. The hysteretic loop shape of ordinary concrete joints is narrower and has obvious pinching phenomenon. The number of cycles that can withstand repeated loads is less, and the stiffness degradation is obvious. The hysteresis loops of the joints with PVA fibres are full and the stiffness degradation is relatively slow.

Comparing the three components with PVA-1, PVA-2 and PVA-3, it is easy to find that the hysteretic curve is plumper with the increase of the content of PVA fibre. When the volume fraction of fibres reaches 1.2 %, the ductility, energy dissipation and strength degradation achieve the best.

Figure 7 shows the skeleton curve of the joints. Each specimen has experienced three stages: elastic growth, elastic-plastic development and failure.

The yield load and ultimate load of PVA-1, PVA-2 and PVA-3 are all greater than PCO. The joint members doped with PVA fibre can maintain good bearing capacity after reaching the ultimate load, whereas the bearing capacity of the joint components without PVA fibre is obviously reduced after reaching the ultimate load.

Figure 7. Skeleton curve of the specimens

3.2 Ductility analysis

In terms of structural seismic performance, ductility is an important indicator of the inelastic deformation capacity for the reactive structure, component or material, which is as important as strength. When the earthquake occurs at the intensity higher than the design intensity in the region, due to a great plastic deformation ability in the high ductility structure, the plastic internal force redistribution inside the structure can be generated, so as to consume more energy of the structure, and reduce the probability of structural damage. In this experiment, the displacement ductility coefficient μ was used to reflect the ductility of each member.

$\mu \text{=}\frac{\Delta \mu }{\Delta y}$ (1)

where, $\Delta u$ is the beam end displacement when the beam-end load reaches 85 % of the peak load, and $\Delta y$ is the yield displacement of the joint. The larger the displacement ductility coefficient μ is, the better the inelastic deformation ability of the component is. The ductility of the component is also stronger.

Table 5. Ductility coefficients of each member

Specimen name

Yield displacement /mm

Failure displacement /mm

Ductility coefficients

PCO

4.945

16.32

3.3

PVA-1

5.292

20.11

3.8

PVA-2

5.834

27.42

4.7

PVA-3

5.052

25.77

5.1

 
Table 5 above shows that the displacement ductility coefficients of each member are greater than 3, meeting the ductility requirements of Chinese specifications. In addition, for the components with PVA fibre, the ductility is significantly improved, indicating that the PVA fibre reinforced concrete joint has good energy dissipation and shear resistance.
4. Conclusions and Prospects

4.1 Conclusions

(1) The joint members of PVA fibre reinforced concrete have better crack resistance than ordinary reinforced concrete, which can postpone the occurrence of cracks. The hysteresis curve of the PVA fibre reinforced concrete component is more robust, indicating that it has better toughness and can absorb more energy.

(2) PVA fibre reinforced concrete members have better plastic deformation ability and greater ultimate deformation.

(3) The dosage of PVA fibre has a significant effect on the mechanical properties of the member. With the optimal mix ratio, the member shall have the best ductility.

(4) The PVA fibre can improve the bearing capacity of the component slightly, but not obviously.

(5) Compared with ordinary reinforced concrete members, PVA fibre can significantly improve the ductility of the joint members, and replace the stirrups in the joints.

4.2 Prospects

In this paper, the hysteretic curve and ductility performance of reinforced concrete frame joints are analyzed with the change of PVA fibres content under repeated loads. Some rules of ductility are obtained with the change of volume fraction of PVA fibres. This conclusion lays a foundation for the application of PVA fibre reinforced concrete materials in frame joints. However, there still exist the issues as follows to be explored in future:

This experiment only used the fibre dosage as the variable. In the future, the reinforcement ratio in core area and casting range of fibre reinforced concrete etc. can be taken as the variables for further research.

Exploratory experiments on costs can be carried out in the future to explore the most economical reinforcement ratio, casting range and fibre types in a reasonable mix ratio, which will bring more value to practical applications.

Acknowledgment

Fund programs: Science and technology research programs of the Hebei institutions of higher education (QN2017308). Science and technology research programs of the Hebei institutions of higher education (ZD2016073). Innovation Training Project of Hebei University (2018177); Science and technology research programs of the Hebei institutions of higher education (ZD2016146)

  References

[1] Wang DH, Ju YZ, Zheng WZ. (2018). Experimental research on the seismic performance of reinforced reactive powder concrete frame joints. Journal of Vibration and Shock 37(06): 149-156. https://doi.org/10.13465/j.cnki.jvs.2018.06.024

[2] ACI Committee 318 Building code requirements for structural concrete (ACIR318-14) and commentary. Farmington Hills: American Conrete Institute, 2014.

[3] Filip G, Michał M, Trapko T. (2019). Mechanical properties of fibre reinforced concrete with recycled fibres. Construction and Building Materials 198: 323-331. https://doi.org/10.1016/j.conbuildmat.2018.11.183

[4] Khan MI, AliAl-Osta M, Ahmad S, Rahman MK. (2018). Seismic behavior of beam-column joints strengthened with ultra-high performance fiber reinforced concrete. Composite Structures 200(15): 103-119. https://doi.org/10.1016/j.compstruct.2018.05.080

[5] Henager CH. (1977). Steel fiber concrete joint for seismic-resistant structure. San Francisco: Symp on Reinforce Concrete Structure in Seism Zones 371-386

[6] Gencoqlu M. (2007). The effects of stirrups and the extents of regions used SFRC in exterior beam-column joints. Structural Engineering and Mechanics 27(2): 223-241

[7] Kanda T, Watanabe S, Li VC. (1998). Application of pseudo strain hardening cementitious composites to shear resistant structural elements. AEDIFICATI0 Publishers, Fracture Mechanics of Concrete Structures 3: 1477-1490.

[8] Xoxa V. (2004). Investigating the shear characteristics of high performance fiber reinforced concrete. International Conference on Fracture Mechanics of Concrete Structures, Colorado 2004: 765-772.

[9] Xu SL, Li HD. (2008). A review on the development of research and application of ultra high toughness cementitious composites. China Civil Engineering Journal 2008(6): 45-60. https://doi.org/10.15951/j.tmgcxb.2008.06.013

[10] Du EX, Yan YJ, Guo J. (2018). Mechanical property test of polyvinyl alcohol (PVA) fiber reinforced concrete. Chemical Engineering Transactions 66: 1057-1062.

[11] Du EX, Sun JH, Yan YJ, Zhang JH. (2016). Experimental study on working stress of concrete based on ultrasonic testing. Revista de la Facultad de Ingenieria 31(10): 1-8. 

[12] Li VC. (2003). On engineered cementitious composites (ECC)-A review of the material and its applicatitions. Journal of Advanced Concrete Technology 1(3): 215-220

[13] Li VC, Mishra DK, Naaman AE, Wight JK, LaFave JM, Wu HC, Inada Y. (1994). On the shear behavior of engineered cementitious composites. Journal of Advanced Cement Based Materials 1(3): 142-149. https://doi.org/10.1016/1065-7355(94)90045-0