Thermal Conductivity of Unsaturated Polyester Resin Bio-composites with Agricultural Waste

Thermal Conductivity of Unsaturated Polyester Resin Bio-composites with Agricultural Waste

Abdul Adeem Zaily Hameed Salam O. Abdulghani* Rafid Hamad Khalaf

College of Computer Science and Information Technology, University of Anbar, Ramadi 31001, Iraq

Direction of Education in AL-Anbar, Ministry of Education, Ramadi 31001, Iraq

Corresponding Author Email: 
obaidsalam39@gmail.com
Page: 
207-213
|
DOI: 
https://doi.org/10.18280/rcma.350202
Received: 
21 December 2024
|
Revised: 
15 February 2025
|
Accepted: 
25 February 2025
|
Available online: 
30 April 2025
| Citation

© 2025 The authors. This article is published by IIETA and is licensed under the CC BY 4.0 license (http://creativecommons.org/licenses/by/4.0/).

OPEN ACCESS

Abstract: 

The effect of incorporating orange and pomegranate peel particles into unsaturated polyester resin (UPE) was studied by immersion in acidic H2SO4 solution for fifteen days normally (0.3 N) and thermal conductivity tests carried out in ambient environments. in thickness (4 mm) and in weight percentage (0.05, 0.07, 0.09, 0.11). Based on the findings of a thermal conductivity tests conducted in a natural setting (N.C.), the UPE reinforced with pomegranate peel particles increased in weight percentage (0.11 wt) and reaching (0.3774) W/m.K, but the thermal conductivity values of orange peel particles (K) decreased as the weight percentage increased (0.11 wt) and reaching (0.2887) W/m.K. In addition, Immersion in an acidic solution (H2SO4) resulted in values (K) that were higher than those in (N.C.). These findings highlight the possibility of agricultural waste use in sustainable material development for industrial purposes with increased thermal insulation requirements and serve as an aid for the mitigation of environmental waste.

Keywords: 

pomegranate peel, orange peel, bio-composite thermal properties, unsaturated polyester resin (UPE), H2SO4

1. Introduction

Composite materials are one of the forms of the so-called advanced materials that began to increasingly appear in the second half of the twentieth century. Composite materials have provided solutions in many industrial areas and are suitable for handling diverse issues [1]. Following this success, an increased interest has been put by investors and manufacturers in the composite materials. Therefore, their use has increased in various technological applications due to their desirable properties, including high strength and stiffness, low weight, and affordability [2]. It became necessary to use composite materials with extremely high mechanical qualities due to general requirements. Factors affecting composite properties include the size and shape of the reinforcing particles and their distribution in the substrate, as well as the nature of the bond between the particles supported by the substrate as well as the interface area [3]. Driven by environmental and sustainability concerns, the past decade has witnessed significant advancements in green technologies, particularly within materials science through the development of bio-composites. Among the possible alternatives, such as wood and plastics, the development of bio composites from agricultural waste (in particular, pomegranate peels, egg shells, orange peels and palm leaves) is currently attracting interest [4, 5].

India is very rich in the production of agricultural fibers and particles and a large part of the agricultural waste is used as fuel. India produces more than 400 million tons of agricultural waste, such as bagasse, corn stalks, almond shells and other waste [6]. Agricultural waste is a great alternative to plastic products due to its availability. Using agricultural waste has benefits for the economy in addition to its availability and capability for rejuvenation. In contrast, the environment and technology of thermoplastic composites and polymers reinforced with inorganic fillers provide benefits such as low density, low energy for the factory, self CO2 emissions, and high degree of biodegradability [7-9].

Although great achievements have been made in bio composites, very less research has been done towards the development of unsaturated polyester resin-based bio composites using agricultural waste as orange peel or pomegranate skin. Thermal conductivity of current studies is rarely described with these fillers, with no reported analysis of their suitability for sustainable applications. To bridge this gap, this study analyzes the thermal properties of bio-composites and investigates their potential as a heat sink that can simultaneously increase thermal performance and encourage waste utilization.

One heat transfer phenomenon is thermal conductivity (K), which is the oscillation of a substance's particles causing energy to be transferred from one location to another due to temperature differences. As a result, we can define a substance's thermal conductivity as its capacity to conduct heat, and it is typically expressed by its a thermal conductivity coefficient (K). 

Various factors, such as conductive or insulating properties, and molecular motion, govern how thermal energy is transferred through a material. When there are free electrons in the crystal, heat can pass through conductive solids. Due to the lack of free electrons in insulating materials, heat is transferred by elastic waves instead, which are produced when molecules oscillate and pass on their oscillations to nearby molecules. Heat conduction is controlled by the thermal conductivity of Fourier's law, which can be expressed by the following relationship.

$Q=-K A \frac{d T}{d x}$          (1)

Heat transfers from the hot end to the cold end as phonons, which are flexible quantum waves. This process is known as heat conduction [10].

The thermal conductivity can be calculated using the two equations [11].

$K\left(\frac{T_B-T_A}{d_S}\right)=e\left[T_A+\frac{2}{r}\left(d_A+\frac{1}{4} d_S\right) T_A+\frac{1}{2 r} d_S T_B\right]$     (2)

where, (e) denotes the amount of thermal energy transferred per unit area of the disk per second (W/m2. K), and is determined using Eq. (3):

$\begin{aligned} I V=\pi r^2 e\left(T_A+T_B\right) & +2 \pi r e\left[d_A T_A+d_S \frac{1}{2}\left(T_A+T_B\right)+d_B T_B\right. \left.+d_C T_C\right]\end{aligned}$          (3)

where, (TA, TB, and TC) indicate the various temperatures for discs (A, B, and C). $I$ stands for current (Amps), r refers to disc radius (cm), d represents disc thickness (cm). $V$ stands for volt. When the temperature for discs (A, B) achieves a condition of thermal equilibrium, place a sample between them, turn on the electrical energy, and wait to record the values (TA, TB, and TC). and allowed the discs to cool down gradually for forty minutes. The experiment was then performed with all of the discs, as seen in Figure 1.

Figure 1. The heat-conduction device's electrical circuit [12]

2. Experimental Part

2.1 Base materials

Unsaturated polyester resin (UPE) was used as a base material (Matrix Material) in preparing samples of overlapping polymeric materials, manufactured by the Saudi company (SIR), the picture of which is shown in Figure 2. It is a resin in the form of a transparent, pink-colored viscous liquid. At room temperature, it has a density ranging between (1.1 - 1.4 g/cm3). This resin is characterized by the ability to transform from a liquid state to a solid state when adding its hardener (Hardener) of the type (Methyl Ethyl Ketone Peroxide) (peroxide such as ethyl ketone), which is made from Also before the Saudi Company (SIR), It has the form of a translucent liquid and is represented by the symbol (MEKP). The hardener is added to the UPE at a mixing ratio of 2g per 100g, and the reaction occurs between them at laboratory temperature. Table 1 shows some of the properties. The UPE utilized in the study complies with the manufacturing company's requirements (SIR).

Table 1. Some properties of UPE used in the research

Density ($\frac{g m}{\mathrm{~cm}^3}$)

Thermal Conductivity ($\frac{W}{m.^{\circ} C}$)

Specific Heat J/kg.k

Modulus of Elasticity GPa

1.3

0.17

710 - 920

2.06 - 4.41

Figure 2. The chemical statement of UPE

UPE is better than saturated polyester resin, as UPE has a fairly good resistance to solvents, heat, and humidity surrounding it and is better than its counterpart (saturated polyester resin), and the reason for this is cross-linking (Cross-Linked) between unsaturated polyester chains. UPE is characterized by several properties, including (high durability, light weight, low cost in manufacturing various tools, etc.) [13]. UPE is prepared by reacting to a di-, tri-, or dibasic acid solution, for example, by reacting to maleic acid with ethylene glycol. This reaction results in a resin that hardens at heat, and the UPE dissolves in a solvent. Styrene, where styrene acts as a solvent or monomer, leading to its polymerization to the required crosslinking after adding a small amount of peroxides (methyl ethyl ketone peroxide) (MEKP), which are called hardeners, and other materials such as octoate cobalt, which acts as an accelerant for the reaction to occur within degrees At normal temperature, the addition of both the hardener and the accelerator leads to the transformation of the liquid unsaturated polyester into a solid at room temperatures. Figure 2 shows the chemical composition of the UPE [14].

2.2 Reinforced materials

Both orange peel (OP) and pomegranate peel (PP) were utilized as particle types in this investigation. In order to produce particles with a size of about (73 µ) and weight ratios of (0.05, 0.07, 0.09, 0.11), the material was exposed to sunlight for 10 days, then cleaned with distilled water and then ground using the highest level of technology. The right particle size was obtained for the materials utilized by means of a vibrating sieve.

2.2.1 Pomegranate peel

Pomegranate peels are the waste resulting from the pomegranate food manufacturing process, as they represent 20-30% of the total weight of the pomegranate. Fighting topical infections caused by methicillin-resistant Staphylococcus aureus (MRSA) [15].

Pomegranate peels contain high levels of phytochemicals rich in bioactive compounds, especially phenolic acids. The primary phenolic acids that have been identified are ellagic acid, gallic acid, caffeic acid, chlorogenic acid, and cinnamic acid [16].

(a) Pomegranate peels

(b) Pomegranate peels powder

Figure 3. Visual representation of pomegranate peels

In this research, we used pomegranate peels shown in Figure 3(a), which were cleaned, crushed and placed under the sun, they are then oven-dried at100℃ for 15 minutes to repel moisture, then ground by an electric mill and sifted by a sieve that allows the penetration of particles with a granular size of approximately (73 μm) to get rid of coarse granules and obtain small particles. The volume is as shown in Figure 3(b) and kept away from moisture at room temperature.

2.2.2 Orange peels

Citrus trees of the orange variety are cultivated all over the world for their fruit. It is a member of the family Rutaceae. The nations with the most extensive orange cultivation include Indonesia, southern China, and north-eastern India. In India, this fruit is most commonly consumed after mangoes and bananas.

Orange consumption is also fairly high throughout India. Orange peels are the outer layer of an orange (OP). These were mostly utilized for composting, animal feeding, and land filling in the past. Later on, scientists attempted to utilise this waste's qualities after realizing how important it was biologically valuable. Table 2 displays the chemical makeup of the particulate matter of OP [17].

Table 2. The chemical composition of OP particulate [17]

Cellulose

Hemi Cellulose

Lignin

Ash Content

38.61 ± 0.5

27.10 ± 0.2

30.10 ± 0.3

1.16 ± 0.2

Orange peels (OP) are primarily composed of proteins, lipids, carbohydrates, and cellulose. Because of this, a number of researchers use this waste product for a variety of objectives. OP was gathered from the neighbourhood market for this study analysis, and it was well washed with distilled water to get rid of any undesired particles that might have adhered to the surfaces. To get rid of the water particles, the OP was then roasted to 100℃ in an oven for 15 minutes. The fibers were subsequently crushed using a ball mill to a fine powder. A sieve shaker was used to sieve the gathered granules. The particle utilized in this experiment has a size in the neighborhood of (73 μm). Figure 4 shows the several phases of orange peel preparation.

Figure 4. Procedure for OP particulate preparation

2.3 Preparation of samples

In the sample preparation process, Hand lay-up method was used in the process of preparing the samples this method includes the following steps: 

First step: Get the mould ready. Every glass pane's base is enveloped in a thermopaper mould throughout the casting procedure., which helps to prevent resin from adhering to the pane and facilitates easy machining through cutting. The sides of the mold are thick (4mm) high grade laminate glass panels stamped on the equator, which ensure stability by providing a flat surface.

Step two: forming the sample. The main method of sample preparation and casting. The weighted amount of the required proportion of unsaturated polyester resin and hardener is added at a ratio of (2:100) grams, with the amount of additives of (PP and OP) micro according to the weight ratios (0.05, 0.07, 0.09, 0.11), the mixture of additives and matrix material is mixed at room temperature. In a special container, it is mixed with a mixer for a maximum of (1-10) minutes. The liquid mixture is poured into the mold to create a continuous flow in the middle, filling the mold to the appropriate level. After (48) hours of curing, for five hours, it is baked at 50℃ to guarantee formability.

Step three: Following ASTM standards, the samples were sectioned into disk-shaped specimens of uniform size and geometry (diameter = 40 mm and thickness = 4 mm) required for testing using Lee’s Disk method. The specimen geometry is shown in Figure 5. Polishing of the surface was done using silicon carbide papers of different abrasive sizes as shown in Table 3 to produce the desired surface flatness and smoothness.

Figure 5. Prepared composite disk specimen used in the thermal conductivity test

Table 3. The ASTM standard dimensions for thermal conductivity

Test

Specimen Shape

Diameter (mm)

Thickness (mm)

Testing Method

Thermal Conductivity

Disk

40

4

Lee’s Disk (ASTM D5470)

3. Thermal Conductivity Device

Thermal Conductivity of the materials being tested is determined using a Lee's disc device. The device is made up of three brass discs and a heating element. Heat is transferred across the sample from the heater to the next two discs and finally to the third disc. The thermometers that are inside the discs (TA, TB, and TC) can be used to measure their temperatures, as shown in Figure 1. For these discs to conduct heat as efficiently as possible, their surfaces need to be well-touched and clean. The heater received power from (6.3 Volt), and the electrical circuit current was approximately 0.23A. Once the discs reached thermal equilibrium, or almost 120 minutes later, the temperatures were measured. The Eqs. (1) and (2) are used to calculate the values of thermal conductivity.

4. Results and Discussions

Thermal conductivity refers to the transfer of energy within a material caused by the vibration of its atoms or molecules in response to temperature changes. Lee disk apparatus is used to calculate the thermal conductivity of the tested samples.

The thermal conductivity values are calculated using Eqs. (1) and (2). to determine the materials' thermal conductivity both in their unaltered state and following a 15-day immersion in a typical acid solution (0.3N).

 Increasing the weight % of orange peel (OP) and pomegranate peel (PP) particles in (NC) causes the composite material's thermal conductivity values to drop, as shown in Figure 6. The thermal conductivity gradually decreased, reaching the weight ratio's lowest value (0.11) and reaching (0.2887) W/m.K for orange peel (OP). Pomegranate peel, on the other hand, had the weight ratio's lowest value (0.11) or (0.3774) (PP). The interface between the substrate and the support material, as well as the thermally conductive thermal insulating polymer substance, both influence the composite material's thermal conductivity. Within an arbitrary amorphous framework. Therefore, the thermal energy is randomly distributed as it passes through the random structure of the polymer composite. In addition, the structure of the core material contains randomly distributed particles. As a result, thermal energy is distributed randomly as it moves through the polymer composite's random structure, which reduces the thermal conductivity of the composite. The particles were prepared [18].

Figure 6. Thermal conductivity value for (UPE/PP & UPE/OP) composites at (N.C.) with wt%

Figure 7. Thermal conductivity relation with weight percentage for (UPE/PP & UPE/OP) composites in H2SO4

Figure 7 demonstrates the connection between the thermal conductivity and the weight ratio for (UPE/PP & UPE/OP) compounds upon immersion in acidic solution H2SO4. When immersed in an acidic solution, we observed that the thermal conductivity (K) values were higher than those in the normal state (C, N). as the material has already fractured due to the entry of an acidic solution (H2SO4), This affects relaxation linkages and matrix's weak and strong molecular connections., increasing the matrix's plasticity where it occurs. In addition to increasing the reactivity of chemical breakdown solutions, the scalability of moving molecular chains is facilitated by heat transfer via molecular chain vibrations and rotational motion as well as bond-loosening. Materials that increase thermal conductivity. This agrees with the findings of study [19].

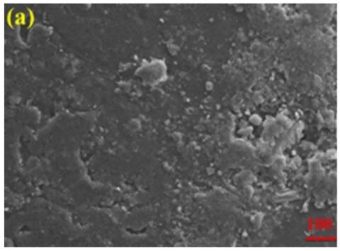
Field Emission Scanning Electron Microscopy (FESEM) was employed to investigate the morphology and nature of the manufactured composite materials. A comparison of FESEM images (a and b) with (c and d) of the untreated and treated (UPE/PP & UPE/OP) samples revealed no discernible differences in surface morphology. Figure 8 (a)-(d) demonstrated that there is no evident effect on the surface of samples following (H2SO4) acid treatment.

(a) Untreated UPE/OP

(b) Treated UPE/OP with H2SO4

(c) Untreated UPE/PP

(d) Treated UPE/PP with H2SO4

Figure 8. Images of produced composites' morphology obtained using FESEM

(a) UPE/PP

(b) UPE/OP

Figure 9. EDX spectra for (a) UPE/PP and (b) UPE/OP composite material

Table 4. Element ratio for (UPE/OP) composite material

Elements

Atomics (%)

Atomics (%) Error

Wt (%)

Wt (%) Error

C

45.3

0. 4

36.6

0. 3

N

15.3

5. 1

14.4

5. 1

0

33.4

0.9

36.0

0.9

Mg

0.8

0

1.3

0.1

Al

0.9

0

1.6

0

Si

2.6

0

4.9

0

S

0.1

0

0.3

0

K

0.2

0

0.6

0

Ca

1.1

0

3

0.1

Fe

0.4

0

1.3

0

Table 5. Element ratio of (UPE/PP) composite material

Elements

Atomics (%)

Atomics (%) Error

Wt (%)

Wt (%) Error

C

43.9

0.3

34.9

0.3

N

17.7

1.2

16.3

1.2

O

32.0

0. 7

33.9

0.7

F

0. 6

0. 2

0 8

0.2

Na

0. 4

0

0. 6

0

Mg

0. 8

0

1.3

0

Al

0.5

0

1

0

Si

1.1

0

2

0

S

0.3

0

0.7

0

Cl

0.9

0

2

0

K

0.3

0

0.7

0

Ca

1.1

0.0

3.0

0.0

Fe

0.2

0.0

0.7

0.0

Au

0.2

0.0

2.2

0.0

The well-designed processing parameters resulted in an excellent mixing process of the composite materials components, as demonstrated by the FESEM pictures, which also showed a good uniform distribution of the additional (PP and OP) particles [20], as shown in Figure 8.

The element analysis method known as EDX is based on the distinctive x-ray emission in sample atoms that are being tested by incident beam electrons [21], the EDX analysis used to determine the chemical composition (mineral elements) of prepared samples at an acceleration voltage of (20 kV).

The EDX spectra of the (UPE/PP and UPE/OP) composites are displayed in Figure 9(a) UPE /PP and Figure 9(b) UPE/OP. Table 4 and Table 5 provided the chemical composition ratios for the manufactured composite materials. The EDX results showed that the unsaturated polyester composites' structure contains a large number of metals. While additional metallic elements found within the structure of unsaturated polyester composites depend on each filler component, the principal components observed are oxygen, nitrogen, and carbon which are assigned to the unsaturated polyester [22].

5. Conclusions

The thermal conductivity value of the composite decreased with increasing weight percentage of orange peel (OP) and pomegranate peel (PP) particles in (N.C). On the other hand, these (K) increased with immersion duration by a very modest percentage after immersion in chemical solutions (H2SO4). The composite showed that for (UPE/OP), the lowest value (1.2839 W/m.k) was in weight percentage (0.05) and the highest value (0.2887 W/m.k) was in weight percentage (0.11).

The present research, therefore, emphasizes the possibility of utilising agricultural waste in the construction of eco-friendly materials with enhanced thermal conductivity. The application of such bio-composites could likely have a tremendous positive impact in economic and environmental fields, particularly to the extent that they not just up-cycle agricultural waste, but also cause a reduction in the overall environmental impact by improving the insulation properties. The feasibility of mass producing such bio-composites is also favorable since the two main components, orange and pomegranate peels, are readily available and relatively cheap.

Nomenclature

UPE

Unsaturated Polyester Resin

OP

Orange Peel

PP

Pomegranate Peel

K

Thermal Conductivity (W/m·K)

T

Temperature (℃)

r

Radius of Disc (cm)

d

Thickness of Disc (cm)

I

Electric Current (A)

V

Voltage (V)

Greek symbols

λ (Lambda)

Thermal conductivity coefficient

ρ (Rho)

Density (g/cm³)

σ (Sigma)

Standard deviatio

Subscripts

A, B, C

Reference to different discs used in thermal conductivity measurements

OP

Refers to Orange Peel in composites

PP

Refers to Pomegranate Peel in composites

N.C

Normal Condition (Ambient environment)

  References

[1] Hameed, A.A.Z. (2017). Study of effect acidic solution (HCl) and (EP/Al2O3 & EP/TiO2) hybrid on thermal conductivity of epoxy resin. Iraqi Journal of Physics, 15(35): 92-99. https://doi.org/10.30723/ijp.v15i35.57

[2] Al-Ameen, E.S., Abdulhameed, J.J., Abdulla, F.A., Ogaili, A.A.F., Al-Sabbagh, M.N.M. (2020). Strength characteristics of polyester filled with recycled GFRP waste. Journal of Mechanical Engineering Research and Developments, 43(2): 178-185. 

[3] Wu, G.Q., Zhang, Q.Q., Yang, X., Huang, Z., Sha, W. (2014). Effects of particle/matrix interface and strengthening mechanisms on the mechanical properties of metal matrix composites. Composite Interfaces, 21(5): 415-429. https://doi.org/10.1080/15685543.2014.872914

[4] Gorokhovsky, A.V., Escalante-Garcia, J.I., Gashnikova, G.Y., Nikulina, L.P., Artemenko, S.E. (2005). Composite materials based on wastes of flat glass processing. Waste Management, 25(7): 733-736. https://doi.org/10.1016/j.wasman.2004.11.007

[5] Ashori, A., Nourbakhsh, A. (2011). Preparation and characterization of polypropylene/wood flour/nanoclay composites. European Journal of Wood and Wood Products, 69(4): 663. https://doi.org/10.1007/s00107-010-0488-9

[6] Raju, G.U., Kumarappa, S., Gaitonde, V.N. (2012). Mechanical and physical characterization of agricultural waste reinforced polymer composites. Journal of Materials and Environmental Sciences, 3(5): 907-916. https://www.researchgate.net/publication/286918887_Mechanical_and_physical_characterization_of_agricultural_waste_reinforced_polymer_composites.

[7] Ahankari, S.S., Mohanty, A.K., Misra, M. (2011). Mechanical behaviour of agro-residue reinforced poly (3-hydroxybutyrate-co-3-hydroxyvalerate), (PHBV) green composites: A comparison with traditional polypropylene composites. Composites Science and Technology, 71(5): 653-657. https://doi.org/10.1016/j.compscitech.2011.01.007

[8] Ashori, A., Nourbakhsh, A. (2010). Bio-based composites from waste agricultural residues. Waste management, 30(4): 680-684. https://doi.org/10.1016/j.wasman.2009.08.003

[9] Holt, G.A., Chow, P., Wanjura, J.D., Pelletier, M.G., Wedegaertner, T.C. (2014). Evaluation of thermal treatments to improve physical and mechanical properties of bio-composites made from cotton byproducts and other agricultural fibers. Industrial Crops and Products, 52: 627-632. https://doi.org/10.1016/j.indcrop.2013.11.003

[10] Maire, J., Anufriev, R., Yanagisawa, R., Ramiere, A., Volz, S., Nomura, M. (2017). Heat conduction tuning by wave nature of phonons. Science Advances, 3(8): e1700027. https://doi.org/10.1126/sciadv.1700027

[11] Shalal, T.Y.S., Hashim, R.M., Hameed, A.A.Z. (2022). Effect of gamma radiation on some mechanical properties and thermal conductivity for pure epoxy resins. AIP Conference Proceedings, 2400(1): 030020. https://doi.org/10.1063/5.0112660

[12] AlShammary, N.F.A. (2014). The effect of the ultra violent radiation on the fracture properties of hybrid composite materials. Journal of Kufa-Physics, 6(1).

[13] Dhakal, H.N., Ismail, S.O. (2019). Unsaturated polyester resins: Blends, interpenetrating polymer networks, composites, and nanocomposites. Unsaturated Polyester Resins, pp. 181-198. https://doi.org/10.1016/B978-0-12-816129-6.00008-9

[14] Pimpan, V., Ruangput, K., Saenkhot, S. (2022). Effect of initiator and accelerator amounts on mechanical properties of unsaturated polyester resin. Materials Science Forum, 1064: 47-52. https://doi.org/10.4028/p-r8ddt9

[15] Stojanović, I., Šavikin, K., Đedović, N., Živković, J., Saksida, T., Momčilović, M., Menković, N. (2017). Pomegranate peel extract ameliorates autoimmunity in animal models of multiple sclerosis and type 1 diabetes. Journal of Functional Foods, 35: 522-530. https://doi.org/10.1016/j.jff.2017.06.021

[16] Sorrenti, V., Randazzo, C.L., Caggia, C., Ballistreri, G., Romeo, F.V., Fabroni, S., Vanella, L. (2019). Beneficial effects of pomegranate peel extract and probiotics on pre-adipocyte differentiation. Frontiers in Microbiology, 10: 660. https://doi.org/10.3389/fmicb.2019.00660

[17] Naik, P., Pradhan, S., Acharya, S.K., Sahoo, P. (2022). Effect of pretreatment on the mechanical properties of orange peel particulate (bio-waste)-reinforced epoxy composites. International Journal of Manufacturing, Materials, and Mechanical Engineering, 12(1): 1-25. https://doi.org/10.4018/IJMMME.293223

[18] Ngo, I.L., Truong, V.A. (2019). An investigation on effective thermal conductivity of hybrid-filler polymer composites under effects of random particle distribution, particle size and thermal contact resistance. International Journal of Heat and Mass Transfer, 144: 118605. https://doi.org/10.1016/j.ijheatmasstransfer.2019.118605

[19] Hameed, A.A.Z., Saleh, M.A.K., Aydi, A. (2024). Investigations of thermal conductivity for palm fronds and egg shell filled epoxy composites. Revue des Composites et des Materiaux Avances, 34(3): 323-330. https://doi.org/10.18280/rcma.340307

[20] Stankovich, S., Dikin, D.A., Piner, R.D., Kohlhaas, K.A., Kleinhammes, A., Jia, Y., Ruoff, R.S. (2007). Synthesis of graphene-based nanosheets via chemical reduction of exfoliated graphite oxide. Carbon, 45(7): 1558-1565. https://doi.org/10.1016/j.carbon.2007.02.034

[21] Scimeca, M., Bischetti, S., Lamsira, H.K., Bonfiglio, R., Bonanno, E. (2018). Energy Dispersive X-ray (EDX) microanalysis: A powerful tool in biomedical research and diagnosis. European Journal of Histochemistry: EJH, 62(1): 2841. https://doi.org/10.4081/ejh.2018.2841

[22] Maheshwari, N., Thakur, S., Neogi, P., Neogi, S. (2015). UV resistance and fire retardant property enhancement of unsaturated polyester composite. Polymer Bulletin, 72: 1433-1447. https://doi.org/10.1007/s00289-015-1346-z