Performance Evaluation of Reactive Powder Concrete Structural Members Based on Experimental and Numerical Analysis: A Review

Performance Evaluation of Reactive Powder Concrete Structural Members Based on Experimental and Numerical Analysis: A Review

Ali Abdulmohsin Khamees* Rashad Raad Jawad Ali Abdulameer AL-Rammahi

College of Engineering, Thi Qar University, Nasiriya 64001, Iraq

College of Engineering, University of Summer, Nasiriya 64001, Iraq

Al-Furat Al-Awsat Technical University, Najaf Technical Institute, Najaf 54001, Iraq

Corresponding Author Email: 
ali-almalki@utq.edu.iq
Page: 
807-814
|
DOI: 
https://doi.org/10.18280/rcma.340615
Received: 
7 October 2024
|
Revised: 
20 November 2024
|
Accepted: 
5 December 2024
|
Available online: 
28 December 2024
| Citation

© 2024 The authors. This article is published by IIETA and is licensed under the CC BY 4.0 license (http://creativecommons.org/licenses/by/4.0/).

OPEN ACCESS

Abstract: 

As a leading structural material, Reactive Powder Concrete (RPC) has recently attracted a great deal of interest in modern civil engineering. The increased examination is likely due to its remarkable structural capabilities and its remarkable endurance in a wide range of difficult climate conditions. Composites like Reactive Powder Concrete (RPC) are made from a combination of ingredients, such as microsteel fibers, quartz powder, silica sand, silica fume, and water. This study evaluated the ideal values for Reactive Powder Concrete, like Young’s modulus, compressive capacity, and flexural capacity. Another potential outcome is the use of RPC instead of more traditional steel reinforcement in certain structural contexts. Numerous theoretical and practical studies investigated in this study have shown that RPC has several benefits, such as ensuring structural integrity, preserving environmental sustainability, and being economically feasible to apply. Furthermore, it was found that Young’s modulus, compressive capacity, and flexural capacity for RPC were about 50–60 GPa, 200–800 MPa, and 50 MPa, respectively. This study also evaluates the mechanical performance of RPC structural components by applying compressive, flexural, tensile, and shear stresses. Finally, the testing methods, types of models, and failure modes of RPC were presented, and recommendations were made regarding its benefits and uses.

Keywords: 

RPC, powder concrete, silica fume, high-performance concrete, and micro steel fibers

1. Introduction

Recent decades have seen tremendous progress in concrete technology from engineers, leading to the creation of a specific version called Reactive Powder Concrete (RPC). Ultra-Supper Performance Concrete is the official name for this specific variety of concrete. Extensive quality control methods are implemented during the production processes batching, mixing, placing, compacting, and curing phases to ensure the production of Reactive Powder Concrete (RPC). The material being discussed is a cementitious matrix with remarkable mechanical characteristics, including ultra-high strength and outstanding ductility. When compared to regular cementitious materials, its distinctive mechanical properties stand out. The cementitious matrix of Reactive Powder Concrete (RPC) includes cement, quartz powder, silica sand, micro steel fiber, and superplasticizer, among other ingredients. RPC’s design aims to minimize variability between the aggregates and the cementitious matrix, which is why it is not comprised of coarse aggregate. In the beginning, P. Richard and M. Cheyrezy came up with the idea of RPC. Reactive powder concrete (RPC) was first conceived in France in the early 1990s. In 1997, it was used for the first time in a real construction project—the Sherbrooke Bridge in Canada [1]. Structural components made of reinforced polymer composite (RPC) are utilized to resist chemical attacks successfully, impulsive dynamic stress from earthquakes, and impact loads from boats and automobiles.

2. Definition of RPC

The term RPC, as per the American Concrete Institute (ACI), refers to a concrete mixture that satisfies specific criteria pertaining to uniformity and performance. The abovementioned criteria encompass potential enhancements in several qualities, such as casting and consolidation without segregation, early-age compressive strength, long-term mechanical concrete properties, and service life in difficult conditions [2, 3]. Two distinct variants of Reactive Powder Concrete exist: RPC 200 and RPC 800. RPC can potentially exist in two distinct forms: non-fibered and fibered. Fibrous reinforcements are employed to augment the fracture characteristics of composite materials.

Because various factors impact concrete’s fresh and hardened qualities, the RPC production process is currently unclear. Even with comparable compositions, mixing technique, speed, and duration affect characteristics dramatically. RPC density may be raised by applying pressure during concrete curing heat treatments. Heat curing requires fly ash and ground granulated blast-furnace slag. RPC’s final output also depends on curing time. Monitoring when concrete specimens are heated air-cured (HAC) is critical to avoid RPC performance issues. Autoclaving RPC without steel fibers for three days at 125℃ and heat treating it for seven days at 220℃ increases its mechanical qualities. The tensile behavior of Reactive Powder Concrete (RPC) treated with either method is identical after 28 days, so an experimental comparison of the effects of normal curing (NC) and steam curing (SC) procedures suggests that the NC method is a viable alternative to the SC method.

3. Benefits of RPC

The technology of producing Reactive Powder Concrete contributes significantly to maximum structural performance and minimum environmental impact and provides a cost solution for a minimum total life cycle. Immediate and long-term benefits are presented below and shown in Figure 1 [4]:

1. Superior durability leads to immediate savings in costs for rehabilitation due to low maintenance.

2. Extending structures’ service life that leads to direct elimination of consumption of new materials.

3. Old UHPC structures could be recycled to produce suitable quality aggregate for manufacturing new UHPC structural members.

4. Lighter structures due to a significant reduction in overall using of non-renewable raw materials, including aggregates and cement.

5. Reducing overall CO2 emissions and the global warming potentials due to direct savings in material consumption and using recycled materials, including silica fume and GGBS.

Figure 1. Benefits of UHPC [5]

4. Application of RPC

Previous research showed that RPC could be used in producing sustainable structural members for architectural and structural applications as follows [5]:

1. Heavily loaded structures like bridges are one of the structural applications of RPC due to their ultra-high strength and durability characteristics.

2. Nuclear waste containment structures are also one of the essential applications of RPC due to low permeability and low water absorption, leading to the elimination of corrosion of steel reinforcement, as shown in Figure 2.

Figure 2. RPC vs. normal concrete [5]

3. Building applications include long-span floors, ultra-slender beams, ultra-agile, slender cross sections for pedestrian and highway bridges, pre-stressed elements, retaining walls, and piles.

4. Marine structures are another RPC application due to their inordinate sulfate resistance.

5. Security panels against impact, blast loads, seismic.

5. Characteristics and Comparisons

RPC offers a substantial cost advantage compared to steel in several structural applications. Beams fabricated utilizing Reactive Powder Concrete (RPC) have the potential to possess equivalent moment capacity as beams manufactured from steel when considering comparable cross-sectional dimensions and mass, as seen in Figure 3.

Figure 3. RPC and steel beams of similar moment capacity [6]

In their study, Gilbert et al. conducted a comparison between structural steel and pre-stressed Ultra-High Performance Concrete (UHPC) for beam and column sections. The comparison focused on both materials’ bending strength and flexural toughness, as seen in Figure 4. Furthermore, it is worth noting that Ultra-High Performance Concrete (UHPC) beam and column sections can be manufactured to possess comparable toughness, strength, and weight as steel beam and column sections. However, an essential advantage of UHPC structural members lies in their remarkable durability, which eliminates the need for corrosion protection measures in aggressive environments [7].

Figure 4. UHPC vs. structural steel [7]

Table 1. RPC vs. HSC [8]

Material Characteristic

RPC Compared with HSC

Criteria That May Be Specified

Compressive strength

2-3 times greater

Can be produced to 810 MPa @ 2-12 hr.

Tensile strength

2-6 times greater

2-4 MPa @3-12 hr.

Elastic modulus

1-5 times graters

More than 40 GPa by ATM

Total porosity

4-6 times lower

Max. particle size ≤300 µm

Micro-porosity

10-20 times lower

Permeability

50 times lower

500 to 2000 coulombs, by ASTM C 1202

Water absorption

7 times lower

2% to 5% by ASTMC 642

Chlorine Ion Diffusion

25 times lower

CI penetration: less than 0.07% CL at 6 months, by AASHTO T259/260

Abrasive wear

2.5 times lower

0-1 mm depth of wear, by ASTM C 944

Corrosion velocity

8 times lower

RPC technology enables the implementation of novel design methodologies in conventional building practices, hence enhancing the environmental friendliness and sustainability of concrete structures. Table 1 presents a comparative analysis of RPC (Reactive Powder Concrete) and high-strength concrete, highlighting their distinguishing characteristics.

The experimental protocol comprises a set of mixes consisting of supercooled liquid water content (SLWC) and a series of mixed non-supercooled water content (NWC). The SLWCs series comprises a collection of 10 combinations designed to achieve a goal of compressive strength ranging from 35 to 40 MPa, together with a target air-dry density of less than 1900 kg/m3. In contrast, three sets of nanostructured cementitious materials (NWCs) with a specified compressive strength of 37.5 MPa were employed as benchmark mixes for the purpose of comparison. A series of standard experiments were performed to evaluate the fresh-state characteristics and mechanical behavior of the SLWCs subjected to compressive, flexural, and tensile stresses for each combination.

6. Previous Research on RPC

An experimental and theoretical study was performed by Voo et al. [9] to investigate the effects of the geometry, the aspect ratio, and fiber volume fraction of steel fiber along with the pre-stressing levels on the structural behavior of RPC pre-stressed girder of dimension (650×4500 mm) without shear reinforcement (stirrups) under shear stresses by applying mid-span point load, as presented in Figure 5. The results indicated that fiber type and volume fraction had negligible effect on the cracking load. In addition, fiber type and amount significantly affected crack propagation and the ultimate loading capacity.

Figure 5. Model details from Voo et al.'s study [9]

Mutab and Dhafer [10] studied the production of Reactive Powder Concrete using the optimum proportions of local materials. They also investigated the effect of steel fiber on the mechanical properties of high-performance concrete. They used four proportions of steel fiber, which are 0, 1.5, 3 and 4.5 %. The results showed the possibility of producing high-performance concrete with compressive strength up to 150 MPa using local materials. Also, increasing the proportion of steel fiber increases the compressive strength by 45%. Yousef et al. [11] studied the torsional behavior of shallow and deep beams made of high-performance concrete with a compressive strength of 200 MPa. Ten specimens were studied experimentally and theoretically, where the steel fiber content was 1.5%. The results showed that an increased distance between the shear bars of the beams reduces the torsional strength by about 6.7 %, where the maximum distance of the shear bars is twice the web width or 300 mm.

Yousef et al. [12] conducted an experimental and analytical study of high-performance layered beams. The experimental program included examining ten specimens. The experimental results revealed that FGRC beams exhibited similar strength and ductility to those of pure UHPFRC beams but at a significantly lower cost. The proposed numerical model showed a high level of agreement with the experimental results for the studied FGRC beams.

Abadel [13] performed experimental research on the flexural behavior of reinforced concrete (RC) beams utilizing hybrid steel and glass fiber-reinforced polymer (GFRP) bars. The impact of overlaying the beams with ultra-high-performance fiber-reinforced concrete (UHPFRC) is under investigation. The researchers performed four-point flexure experiments on eight beams composed of under-reinforced concrete measuring 120×185×1500 mm. The study’s objectives encompass crack patterns, failure mechanisms, load-deflection actions, bar strain curves, first-crack and maximum moments, energy ductility, and load-deflection behavior. Research has shown that the flexural capacity of RC beams was markedly enhanced when employing a hybrid system comprising UHPFRC as the upper layers, with steel and GFRP bars for longitudinal reinforcement, in addition to other elements. Yavas et al. [14] conducted an experimental analysis to evaluate the impact of different kinds of fiber on the shear characteristics of ultrahigh-performance fiber-reinforced concrete beams. The key study focuses were the beams’ post-cracking deformability, cracking pattern, ultimate shear strength, and shear cracking strength. Fifteen beams of shear-unreinforced ultrahigh-performance fiber-reinforced concrete were fabricated and tested to failure under four-point stress to accomplish this. The steel fibers utilized in the construction of these beams were of three different types: straight, hooked, and double-hooked. Steel fiber volume fractions of 0.5%, 1.0%, and 1.5% were also present. In addition to the experimental program, three previously published numerical models for the shear capacity of fiber-reinforced concrete beams were examined to demonstrate their applicability to ultrahigh-performance fiber-reinforced concrete beams. The testing findings indicated that the most efficient fiber type examined was the straight fiber, with a diameter of 13 millimeters. The incorporation of straight fibers measuring 13 millimeters in diameter and comprising 1.5% volumetric content altered the failure mechanism of the ultrahigh-performance fiber-reinforced concrete beam from shear to flexure in the absence of shear reinforcement.

Bermudez et al. [15] aimed to empirically investigate the shear characteristics of ultra-high performance concrete beams (UHPC beams), as shown in Figure 6, incorporating a volume fraction of one to three percent of polyvinyl alcohol (PVA) and macro hooked-end steel (MHS) fibers, which are among the most prevalent fibers utilized in high-performance fiber-reinforced cementitious composites. The factors examined in the experiment were fiber type, fiber volume %, shear span to effective depth ratio, and additional experimental parameters. Regardless of whether the shear transmits mechanism was governed by arch activity or beam action, it was demonstrated that both MHS and PVA fibers enhanced the shear behavior of UHPC beams. A thorough investigation produced this outcome. The typical crack spacing measurements indicate a significant disparity in the effects of fiber bridging produced by MHS fibers compared to PVA fibers in UHPC beams.

Figure 6. Details of tested models by Bermudez et al. [15]

Figure 7. Details of beams by Yang et al. [16]

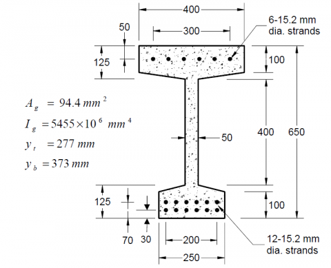
Research by Yang et al. [16] examined the effect of reinforcing ratio and placing technique on the flexural behavior of RPC beams through an experimental examination. The beams employed in the research have a size (2900×180×270) mm, as shown in Figure 7. According to the study’s results, placing the Reactive Powder Concrete (RPC) toward the form’s end rather than in the middle improved the beam’s structural performance. Furthermore, for rebar ratios of 0.012, 0.009, and 0.006, the ductility index showed values of 2.64, 1.79, and 2.01, accordingly, according to the results.

Without the use of pressure or heat curing, as well as a traditional concrete mixer, Wille et al. [17] showed a method for producing RPC with a goal compressive strength of 150 MPa. Here is the method for mixing: Before adding fine sand and silica fume to the mixer, give it a good five minutes of mixing. The next step is to add the cement and glass powder and mix for an additional five minutes. Afterward, a minute of mixing would be sufficient before adding the water. After that, stir in the superplasticizer for five minutes. Lastly, add the fibers (if using) and stir for another two minutes. Furthermore, the results demonstrated that compressive strength could be achieved up to 190 MPa in the absence of fiber addition and above 200 MPa in the presence of steel fibers.

Danha [18] researched RPC’s mechanical characteristics in 2012, during which the material was exposed to tensile and compressive stresses. When the quantity of silica fume was increased, the data showed that both the modulus of elasticity and the compressive strength increased. Additionally, the ascending section of the compressive stress-strain responses had a steeper slope. When the volume percent of steel fibers was raised from 0% to 3%, the compressive strength rose from 135.593 to 151.62 MPa, the strain increased from 0.00009 to 0.00373, and the tensile strength increased from 3.64 to 12.32 MPa. This was shown by further investigation. Furthermore, when the quantity of fiber rose, the area beneath the tensile stress-strain response also expanded significantly.

Khalil [19] investigated the structural integrity of modified RPC with a goal compressive strength of 150 MPa. The crushed aggregates used in the study had a maximum particle size of 12.5 mm. The compressive strength of modified RPC was found to be improved with the use of a hot water technique during the curing process, as shown by the scientific findings. When hooked and crimped steel fibers with volume fractions of 0%, 0.5%, and 1% were used to produce modified RPC, the mechanical behavior was enhanced in terms of compressive strength, modulus of rupture, breaking tensile strength, impact strength, and static modulus of elasticity. Overall, the mechanical behavior was improved.

Yousef et al. [20] conducted computational and experimental investigations to study the functioning of UHPFRC continuous deep beams with apertures. The testing program included seven continuous deep beams with openings and one solid beam with a comparable pattern. Considerations included theaperture’s height, width, and position and the transverse reinforcement ratio. The results show that the size and placement of the shear span opening are the most important elements in deciding how UHPFRC two-span continuous deep beams fail. Shear failure occurs in the diagonal strut, which is sandwiched between the support and the force provided by the opening edges. The ruling ruled that UHPFRC should not be used with the maximum spacing between stirrups (sv, max) as ACI 318-2019 stipulated. The failure stress was reduced by 36–43% when web holes of 20 percent of the beam’s height were used instead of a solid beam of the same size. For specimens with the same hole height and placement, a 75% increase in aperture width reduced the failure load by about 27.8% compared to a similar beam. The developed three-dimensional numerical model accurately predicted the failure load and efficiency of UHPFRC continuous deep beams.

In Figure 8, Hamad Al-shafi'i [21] tested the effects of various variables, such as the amount of steel fibers, silica fume content, ratio of longitudinal reinforcement, flange thickness, flange width, shear span to effective depth ratio, and the shear behavior of simply supports RPC T-beams without shear reinforcement under two-point static loading. As the ratio of shear span to effective depth increased from 2.5 to 3.5 and 4.3, respectively, the cracking load decreased by approximately 11.11% and 33.33%, according to the results of this research. The models used in the study had a 2% fiber volume fraction and a 7.7% longitudinal steel reinforcement ratio. Furthermore, the ultimate load capacity was reduced by about 41.4 percent and 52.3 percent, respectively, when the ratio of shear span to effective depth rose from 2.5 to 3.5 and 4.3. The cracking load increased somewhat as flange width and thickness increased, while ultimate loads increased significantly.

Li et al. [22] assess the mechanical performance of UHPC T-section beams by fabricating and examining five specimens, as shown in Figure 9, considering the varying SFVF. The initial objective of our probe remains unaltered. Experimental data is used to validate and enhance finite element analysis (FEA) models of specimens. A parametric sensitivity analysis is conducted to examine the influence of shear span ratio, longitudinal reinforcement ratio, and stirrup ratio on the bending-shear behavior of T-section beams. The findings indicated that the ultimate load of the specimen rose with a rise in SFVF, suggesting that steel fibers enhance shear capacity rather than bending capacity. Moreover, SFVF has the capacity to modify the failure mode. In specimens with SFVF over 2.5%, the failure mechanism transitioned from shear failure to bending failure as the shear span ratio increased. The results of the finite element method (FEM) parametric analysis confirmed this. Structures with a shear-friction-to-friction ratio (SFVF) of 1% or less are significantly influenced by the stirrup ratio ρsv regarding their shear performance, while those with an SFVF of 2% or above exhibit less sensitivity.

Figure 8. Details of beams of Hamad Al-shafi'i study [21]

Figure 9. Details of tested models by Li et al. [22]

Research that was performed by Ridha et al. [23] on the structural behavior of short RPC columns, as shown in Figure 10, showed that the ultimate carrying capacity of RPC columns with and without steel reinforcement was higher than that of HSC columns by about 3.6 and 4.4 times. Moreover, the results also showed that a rupture failure mode was associated with RPC short columns with steel reinforcement, while a shear failure mode was associated with RPC short column models that were made without steel reinforcement.

Figure 10. Tested column models details from Ridha et al.'s study [23]

Al-Ameedee [24] investigated the structural reaction and fracture properties of RPC beams that were simply supported and bent under bending loads. Beams reinforced with straight steel fibers and those strengthened with crimped steel fibers were the primary subjects of the study. According to the experimental results, the material’s mechanical characteristics were significantly enhanced when steel fibers—a mix of crimped and straight fibers—were introduced at a fiber volume fraction ranging from 0% to 2%. There was an increase of 176.98% and 150.8% in the splitting tensile strength, an increase of 20.63% and 20.19% in the compressive strength, an increase of 93.17% and 175.87% in the flexural tensile strength, an increase of 118.67% and 106.67% in the impact strength, and an increase of 20.16% and 17.92% in the static modulus of elasticity. Yan et al. [25] developed a technique to predict UHPC epoxy joints’ shear capabilities that accounted for unequal shear forces. The encoded joint elastic theory-based theoretical study examined unequal shear stress distribution. Elastic analysis was used to determine the epoxy joint factor of shear stress non-uniform distribution. The cohesive contact model was also employed to improve the FEA model that predicts epoxy layer shear/bond behavior. This idea was confirmed by test results. The average difference between predicted and actual values in experimental analysis is 12.0% (SD=0.092), according to assessment results. It’s promising that this approach may forecast future results.

Four two-span continuous beams, as shown in Figure 11, constructed of ultra-high performance fiber reinforced concrete (UHPFRC), were studied for their moment redistribution capability by Visintin et al. [26]. In order to ascertain whether it was suitable to extend current empirical design approaches to UHPFRC, a variety of reinforcement ratios were investigated. The results of the experimental analysis show that the observed moment redistribution was more than what the algorithm anticipated for beams where the hinge formed at the support. The moment redistribution that was actually seen was far less than what the algorithms had predicted for the beam with the hinge created within the load areas.

Figure 11. Beam Model Details from Visintin et al.'s research [26]

The structural behavior of Reactive Powder Concrete with fly ash as a pozzolanic material was studied by Agharde and Bhalchandra [27] to determine the influence of varying percentages of steel fiber and the substitution of fly ash for silica fume. The results demonstrated that for compressive strengths of up to 90 MPa, replacing up to 40% of fly ash with silica fume was cost-effective. Furthermore, flexural and tensile behavior were also improved with 0.75% fibers.

By substituting glass powder for quartz powder, Kushartomo et al. [28] studied the structural behavior of RPC subjected to flexural and tensile stresses. The results showed that RPC manufactured using glass powder had a final compressive strength of 136 MPa, a final split tensile strength of 17.8 MPa, and a final flexural strength of 23.2 MPa.

Research on the bond between Reactive Powder Concrete (produced using steel fiber) and steel reinforcement was conducted by Bae et al. [29] utilizing the direct pull-out test. According to the data, an increase in the compressive strength of the RPC matrix reinforced with steel fibers led to an increase in the ultimate binding stress between the two materials. According to the data, adding 1% steel fiber volume fraction quadrupled the ultimate binding strength between the RPC matrix and steel reinforcement; however, adding 2% steel fiber had no discernible effect.

Aljabbri et al. [30] studied the properties of Reactive Powder Concrete under the influence of high temperatures. Four samples were created and exposed to temperatures up to 1000℃. The researchers tested the tensile, sagging, and peeling resistance of the surface. Furthermore, it was concluded that Reactive Powder Concrete can withstand high temperatures and loses about 70% of its resistance.

7. Summary and Conclusions

Reactive powder concrete is an elite type of concrete mixture that has an ultra-dense microstructure that provides beneficial durability characteristics and waterproofing. Therefore, RPC suits different structural applications, including nuclear and industrial waste storage facilities. Findings include:

•   The expansion of Reactive Powder Concrete is built based on some simple engineering philosophies to accomplish improved high compaction, excellent homogeneity, improved workability, microstructure, and extraordinary ductility.

•   Previous researchers suggested using RPC in various structural applications due to its elite mechanical characteristics, which include high compressive performance, tensile performance, flexural performance, and excellent durability.

•   Thinner cross sections could be produced using RCP compared to usual or high-strength concrete cross sections.

•   Steel could replace RPC in some applications due to its superior durability and structural properties.

•   The utilization of RPC in compression proved to be more efficient than the utilization of RPC in tension.

•   The use of steel fiber in the production of RPC has a considerable impact on the mechanical behavior of concrete.

•   Reactive powder concrete cannot be produced without using concrete admixtures and steel fiber.

•   The strength of the samples made of Reactive Powder Concrete was observed to increase by 135% compared to the conventional concrete samples.

•   Reactive powder concrete is affected by temperature, losing about 70% of its strength when exposed to 1000℃.

Nomenclature

ACI

American Concrete Institute

CO2

Carbon Dioxide

CFRP

Carbon-Fiber Reinforced Polymer

GPa

Gigapascal

GGBS

Ground Granulated Blast-furnace Slag

HSC

High Strength Concrete

MPa

Megapascal

NSC

Normal Strength Concrete

RPC

Reactive Powder Concrete

UHPC

Ultra-High Performance Concrete

SFVF

Steel Fiber Volume Fraction

UHPFRC

Ultra-High Performance Fiber Reinforced Concrete

  References

[1] Abdelalim, A., Ramadan, M., Bahaa, T., Halawa, W. (2008). Performance of reactive powder concrete produced using local materials. HBRC Journal, 4(3): 66-78.

[2] Forster, S.W. (1994). High-performance concrete: Stretching the paradigm. Concrete International, 16(10): 33-34. https://www.concrete.org/publications/internationalconcreteabstractsportal/m/details/id/4305.

[3] ACI Committee 318. (2019). 318-19(22): Building code requirements for structural concrete and commentary (Reapproved 2022). American Concrete Institute. https://doi.org/10.14359/51716937

[4] Nematollahi, B., Saifulnaz, M.R., Jaafar, S., Voo, Y.L. (2012). A review on ultra high performance ‘ductile’concrete (UHPdC) technology. International Journal of Civil & Structural Engineering, 2(3): 1003-1018.

[5] Voo, Y.L., Foster, S.J. (2010). Characteristics of ultra-high performance ‘ductile’ concrete and its impact on sustainable construction. The IES Journal Part A: Civil & Structural Engineering, 3(3): 168-187. https://doi.org/10.1080/19373260.2010.492588

[6] Christophe, D. (1997). Special concrete may give steel stiff competition. Seattle Daily Journal of Commerce.

[7] Gilbert, R.I., Gowripalan, N., Cavill, B. (2000). On the design of precast, prestressed reactive powder concrete (Ductal) girders. In Austroads Bridge Conference, 4th, 2000, Adelaide, South Australia, 3(AP-G64/00). https://trid.trb.org/View/715369

[8] Lubbers, A.R. (2003). Bond performance between Ultra-High Performance Concrete and prestressing strands. Master's thesis, Ohio University, Athens, USA. http://rave.ohiolink.edu/etdc/view?acc_num=ohiou1070570269.

[9] Voo, Y.L., Foster, S.J., Gilbert, R.I. (2006). Shear strength of fibre reinforced reactive powder concrete prestressed girders without stirrups. Journal of Advanced Concrete Technology, 4(1): 123-132. https://doi.org/10.3151/jact.4.123

[10] Muteb, H.H., Hasan, D.M. (2020). Ultra-high-performance concrete using local materials and production methods. In IOP Conference Series: Materials Science and Engineering, 870(1): 012100. https://iopscience.iop.org/article/10.1088/1757-899X/870/1/012100.

[11] Yousef, A.M., Marami, N.A., Tahwia, A.M. (2023). Experimental and numerical investigation for torsional behavior of UHPFRC shallow and deep beams. Arabian Journal for Science and Engineering, 48(10): 13133-13146. https://doi.org/10.1007/s13369-023-07701-3

[12] Yousef, A.M., Atef, N.H., Tahwia, A.M. (2024). Flexural performance of functionally graded UHPFRC-NSC beams. Case Studies in Construction Materials, 21: e03653. https://doi.org/10.1016/j.cscm.2024.e03653

[13] Abadel, A.A. (2024). Flexural behaviour of RC beams with a UHPFRC top layer and hybrid reinforcement of steel and glass fiber reinforced polymer bars. Case Studies in Construction Materials, e04017. https://doi.org/10.1016/j.cscm.2024.e04017

[14] Yavaş, A., Hasgul, U., Turker, K., Birol, T. (2019). Effective fiber type investigation on the shear behavior of ultrahigh-performance fiber-reinforced concrete beams. Advances in Structural Engineering, 22(7): 1591-1605. https://doi.org/10.1177/1369433218820788

[15] Bermudez, M., Wen, K.W., Hung, C.C. (2022). A comparative study on the shear behavior of UHPC beams with macro hooked-end steel fibers and PVA fibers. Materials, 15(4): 1485. https://doi.org/10.3390/ma15041485

[16] Yang, I.H., Joh, C., Kim, B.S. (2010). Structural behavior of ultra high performance concrete beams subjected to bending. Engineering Structures, 32(11): 3478-3487. https://doi.org/10.1016/j.engstruct.2010.07.017

[17] Wille, K., Naaman, A.E., Parra-Montesinos, G.J. (2011). Ultra-High performance concrete with compressive strength exceeding 150 MPa (22 ksi): A simpler way. ACI Materials Journal, 108(1): 46. https://doi.org/10.14359/51664215

[18] Danha, L.S. (2012). Tensile behavior of reactive powder concrete. M.Sc. thesis. University of Technology, Baghdad, Iraq. https://www.uotechnology.edu.iq/dep-building/atareah/2012/MSC/38.pdf.

[19] Khalil, W.I. (2012). Some properties of modified reactive powder concrete. Journal of Engineering and Sustainable Development, 16(4): 66-87. https://www.iasj.net/iasj/download/f53f9f063f83127b.

[20] Yousef, A.M., Tahwia, A.M., Al-Enezi, M.S. (2023). Experimental and numerical study of UHPFRC continuous deep beams with openings. Buildings, 13(7): 1723. https://doi.org/10.3390/buildings13071723

[21] Hamad Al-shafi'i, N.T. (2013). Shear behavior of reactive powder concrete T-Beams. Ph.D. dissertation. Al- Mustansiryia University, Baghdad, Iraq. https://doi.org/10.13140/RG.2.2.33270.14402

[22] Li, J., Yin, Y., Yan, J. (2023). Experimental and numerical study on the mechanical performance of ultra-high-performance concrete T-section beams. Sustainability, 15(12): 9849. https://doi.org/10.3390/su15129849

[23] Ridha, M.M., Ali, T.K.M., Abbawi, Z.W. (2013). Behavior of axially loaded reactive powder concrete columns. Journal of Engineering and Sustainable Development, 17(2): 193-209. https://www.iasj.net/iasj/download/de45252aba5ba1f3.

[24] Al-Ameedee, M.S. (2013). The properties of reactive powder concrete reinforced with random distribution fiber. M.Sc. thesis. University of Babylon, Babylon, Iraq. https://doi.org/10.13140/RG.2.2.27968.75525

[25] Yan, J., Xiong, W., Jiang, C., Zhang, J.Q. (2024). Shear capacity prediction method of the UHPC multi-keyed epoxy joints considering the effect of shear stress non-uniform distribution. Structures, 60: 105926. https://doi.org/10.1016/j.istruc.2024.105926

[26] Visintin, P., Ali, M.M., Xie, T., Sturm, A.B. (2018). Experimental investigation of moment redistribution in ultra-high performance fibre reinforced concrete beams.Construction and Building Materials, 166: 433-444. https://doi.org/10.1016/j.conbuildmat.2018.01.156

[27] Agharde, A.D., Bhalchandra, S.A. (2015). Mechanical properties of reactive powder concrete by using fly ash. International Journal of Advanced Technology in Engineering and Science, 3(1): 603-608. https://citeseerx.ist.psu.edu/document?repid=rep1&type=pdf&doi=21438d6e3821d680dc5e227a828f96e7290f087c.

[28] Kushartomo, W., Bali, I., Sulaiman, B. (2015). Mechanical behavior of reactive powder concrete with glass powder substitute. Procedia Engineering, 125: 617-622. https://doi.org/10.1016/j.proeng.2015.11.082

[29] Bae, B.I., Choi, H.K., Choi, C.S. (2016). Bond stress between conventional reinforcement and steel fibre reinforced reactive powder concrete. Construction and Building Materials, 112: 825-835. https://doi.org/10.1016/j.conbuildmat.2016.02.118

[30] Aljabbri, N.A.S., Hussein, M.N., Khamees, A.A. (2021). Performance of ultra high strength concrete expose to high rise temperature. Annales de Chimie - Science des Matériaux, 45(4):351-359. https://doi.org/10.18280/acsm.450411