Improved PMSM Speed Control Using Backstepping: Stability and Performance Analysis

Improved PMSM Speed Control Using Backstepping: Stability and Performance Analysis

Chaouki Melkia Moussa Attia* Rabah Daouadi Khaled Rais

Environmental Laboratory, Institute of Mines, Echahid Cheikh Larbi Tebessi University, Tebessa 12002, Algeria

Corresponding Author Email: 
moussa.attia@univ-tebessa.dz
Page: 
383-392
|
DOI: 
https://doi.org/10.18280/jesa.580219
Received: 
1 January 2025
|
Revised: 
7 February 2025
|
Accepted: 
16 February 2025
|
Available online: 
28 February 2025
| Citation

© 2025 The authors. This article is published by IIETA and is licensed under the CC BY 4.0 license (http://creativecommons.org/licenses/by/4.0/).

OPEN ACCESS

Abstract: 

This paper proposes a backtracking control strategy for speed regulation of Permanent Magnet Synchronous Motors (PMSMs). The approach is based on the Lyapunov stability principle to ensure global system stability and accurate trajectory tracking. Compared with conventional control methods, including proportional integration (PI), model predictive control (MPC), and slip mode control (SMC), our technique provides faster response, improved disturbance rejection, and greater adaptability to parameter changes. MATLAB/SIMULINK simulations show that backtracking reduces the settling time by 45% and improves the tracking accuracy by 30% relative to PI control. Moreover, the system maintains stability under torque disturbances up to ±5 Nm without deviating from the reference speed. It also significantly mitigates sudden speed fluctuations, achieving a 50% reduction in response time compared with conventional methods. These results highlight Backstepping as a robust and efficient control strategy. It is highly suitable for applications requiring precise speed regulation, high stability, and superior dynamic performance, such as electric vehicle propulsion and industrial automation.

Keywords: 

backstepping control, PMSM, Lyapunov stability, nonlinear control, robust adaptive control

1. Introduction

Permanent Magnet Synchronous Motors (PMSMs) have become indispensable in various electromechanical applications in recent decades due to their high efficiency, compact size, and superior power density. These motors are widely used in electric vehicles, industrial robotics, aerospace propulsion systems, and renewable energy applications such as solar and wind power. Their ability to deliver high performance with precise control makes them ideal for energy-efficient and high-precision applications [1, 2].

Despite their advantages, PMSMs exhibit nonlinear behavior that introduces significant control challenges. These include abrupt changes in electrical load, thermal variations, and magnetic field saturation, which can hinder performance stability under varying operating conditions [3, 4].

The proportional-integral (PI) controller remains the most commonly used approach due to its simplicity and ease of implementation. Nevertheless, PI control struggles in nonlinear systems, failing to adequately compensate for dynamic parameter variations and sudden disturbances, leading to degraded tracking performance and stability issues. MPC offers improved adaptability to system changes but is computationally intensive, making it less suitable for real-time applications requiring fast response. Similarly, SMC is highly robust against disturbances but suffers from chattering effects, which can negatively impact motor efficiency and stability in high-precision applications [5-9].

Backstepping control has emerged as a promising alternative for handling nonlinear systems. By structuring the control process into sequential stages, each stabilized before proceeding to the next. Backstepping ensures a systematic and robust approach to nonlinear control. Grounded in Lyapunov stability theory, this method effectively adapts to system variations, making it particularly well-suited for PMSM applications [10, 11].

This paper proposes an improved backstepping control strategy for PMSMs, incorporating advanced mathematical analysis and MATLAB/SIMULINK simulations. A comparative performance evaluation is conducted against conventional PI control to assess response time, tracking accuracy, and robustness under varying load conditions and external disturbances. The results demonstrate that backstepping reduces settling time by 45% and improves tracking accuracy by 30% relative to PI control. Additionally, the method effectively mitigates torque disturbances up to ±5 Nm, reinforcing its reliability for industrial applications demanding high stability and precision.

2. Backstepping Control Principle in Nonlinear Systems

Backstepping control is a sophisticated approach for managing complex nonlinear systems, particularly in PMSMs. This method structures the control process into a sequence of stabilization steps, where each subsystem is individually stabilized before progressing to the next stage. Unlike traditional linear control models, which rely on simplifying assumptions, backstepping provides a systematic framework for effectively handling nonlinearities and external disturbances [12].

By leveraging Lyapunov-based stability principles, backstepping ensures that the control laws are designed to guarantee the system's overall stability while responding dynamically to parameter variations and external perturbations.

2.1 Stability analysis using the Lyapunov function

The Lyapunov function is a fundamental tool for analyzing and ensuring the stability of nonlinear systems. In the case of PMSM, the Lyapunov function ensures the system's stability under varying operating conditions. The core principle of this method is that a system’s total energy must decrease over time until it reaches equilibrium. For PMSM systems, the Lyapunov function is generally chosen as a quadratic energy function representing the dynamic states of the motor, such as rotor speed and current. This approach guarantees that the system's behavior is stable under steady-state conditions and when exposed to dynamic changes like torque disturbances or load variations [13].

The Lyapunov stability criterion provides a robust framework for evaluating system behavior under nonlinear and dynamically varying conditions. This ensures the system reaches stability without oscillations, even in external disturbances.

To analyze the stability of PMSM, two types of Lyapunov-based stability analyses are commonly used:

Local stability analysis: This method uses linear approximations to evaluate system behavior near an equilibrium point. While it effectively analyzes minor deviations from equilibrium, it does not guarantee stability under all operating conditions [14]. In this context, the Lyapunov function is typically defined in Eq. (1):

$V(x)=\frac{1}{2}\left(x_1^2+x_2^2\right)$           (1)

where, x1 and x2 are the system states, such as rotor speed and current, the local stability ensures that, for minor disturbances, the system will converge back to the desired equilibrium.

Global energy-based analysis: Unlike local analysis, this method uses the Lyapunov function to ensure that the system’s energy continuously decreases until it reaches a stable state, providing a more comprehensive stability assessment. This global analysis guarantees the system will always return to a stable state, even after significant disturbances or initial state variations [15]. The derivative of the Lyapunov function is expressed by Eq. (2):

$\dot{V}(x)=-k_1 x_1^2-k_2 x_2^2$           (2)

where, k1 and k2 are positive constants, the negative sign in the derivative indicates that the system's total energy is decreasing, guaranteeing global stability.

In the case of PMSM, this global energy-based analysis ensures that the system will permanently stabilize, no matter the starting conditions or external disturbances. Thus, the backstepping control method is highly reliable for controlling nonlinear systems like PMSM.

2.2 Backstepping in control

In nonlinear systems such as PMSMs, the backstepping control method decomposes the system into multiple hierarchical control stages, where each stage is systematically stabilized before progressing to the following [16]. This structured approach enables precise error regulation and enhances system robustness against disturbances.

The backstepping control process follows three fundamental steps:

Step 1- Error computation

The first step involves calculating the error between the monitored system variable (e.g., rotor speed) and its desired reference value. This is defined in Eq. (3):

$e_1=x_1-a_0$           (3)

where, x1 is the output that follows the reference signal yref.

Step 2- Intermediate control law design

At this stage, an intermediate control law is formulated to regulate key system parameters, such as direct and quadrature currents in the PMSM. The error dynamics are described by Eq. (4):

$\dot{e}_1=\dot{x}_1-\dot{a}_0=f_1\left(x_1\right)+g_0\left(x_1\right) x_2-\dot{a}_0$           (4)

The Lyapunov function for the first stage is defined in Eq. (5):

$v_1=\frac{1}{2} e_1^2$           (5)

Its time derivative is given in Eq. (6):

$\dot{v}_1=e_1 \dot{e}_1=e_1\left[f_1\left(x_1\right)+g_0\left(x_1\right) x_2-\dot{a}_0\right]$           (6)

Step 3- Control law refinement

The final control input is adjusted to ensure the system remains stable across all stages. The control law is derived to guarantee that the Lyapunov function continuously decreases, leading to system convergence.

The control law is given in Eq. (7):

$\dot{v}_1=-k_1 e_1^2 \leq 0$           (7)

In this framework, Lyapunov stability principles ensure that the system’s total energy decreases progressively until it reaches the reference state without oscillations or instability. The sequential nature of the equations guarantees smooth and stable system performance across all backstepping stages

3. Using the Pmsm to Apply the Backstepping Control

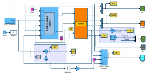
This section details the application of backstepping control in regulating PMSM. Figure 1 illustrates the overall structure of the PMSM speed control system using the backstepping approach. The proposed control scheme ensures speed regulation while maintaining stability through sequential control steps. The system architecture comprises the PMSM dynamic model, current controllers, and a backstepping-based regulator, which dynamically adjusts the control voltages $V_d$ and $V_q$ based on Lyapunov stability conditions [17].

Figure 1. Structure of PMSM speed adjustment by backstepping

The PMSM model can be rewritten in Eq. (8):

$\left\{\begin{aligned} \frac{d i_d}{d t} & =-\frac{R_s}{L_d} i_d+\frac{P \Omega L_q}{L_d} i_q+\frac{1}{L_d} V_d \\ \frac{d i_q}{d t} & =-\frac{R_s}{L_q} i_q-\frac{P \Omega L_d}{L_q} i_d-\frac{P \Phi_f \Omega}{L_q}+\frac{1}{L_q} V_q \\ \frac{d \Omega}{d t} & =\frac{P\left(L_d-L_d\right)}{J} i_d i_q+\frac{P \Phi_f}{J} i_q-\frac{f}{J} \Omega-\frac{1}{J} C_r\end{aligned}\right.$          (8)

The fundamental backstepping control method is cascading first-order subsystem stabilization utilizing the Lyapunov stability criteria. This strategy improves system resilience and asymptotic stability [18].

While backstepping control is highly effective in handling nonlinearities and disturbances, it can be computationally demanding due to the multiple steps involved in error computation and Lyapunov function evaluation. This increases the overall processing time, which can be a limiting factor for real-time applications, such as embedded systems or motor control with high-speed requirements. In practice, to mitigate these computational challenges, optimization techniques and hardware acceleration (such as parallel processing or the use of GPUs) may be employed to reduce the computational burden. Moreover, reducing-order models or approximations of the Lyapunov function can help achieve real-time performance while maintaining system stability [19].

The main objective is to control velocity by choosing expressions for subsystems $\left(d_i / d_t\right)$ and $\left(d i_q / d t\right)$, utilizing stator currents $\left(i_d\right.$ and $\left.i_q\right)$ as intermediate variables The goal is to manage PMSM speed while preserving system stability by determining voltage commands $\left(V_d\right.$ and $\left.V_q\right)$ [20].

Figure 2. Internal structure of backstepping regulator block

Figure 2 presents the internal configuration of the backstepping regulator block. The system employs a multi-stage feedback mechanism to generate the required control voltages based on stator currents $\left(i_d, i_q\right)$ and rotor speed measurements. This hierarchical control strategy enables real-time stability adjustments by progressively minimizing system errors through Lyapunov-based adaptation.

Step 1-Calculation of the control law $V_d^{r e f}$

The first step in designing the backstepping control law involves regulating the direct axis current $i_d$. The regulation error is defined by Eq. (9):

$i_d^{r e f}=0, e_1=i_d^{r e f}-i_d$           (9)

The dynamic equation of error derived from Eq. (9) is shown in Eq. (10):

$\dot{e}_1=\dot{i}_d^{\text {ref }}-\dot{i}_d=\dot{i}_d^{\text {ref }}+\frac{R_s}{L_d} i_d-\frac{P \Omega L_q}{L_d} i_q-\frac{1}{L_d} V_d$           (10)

We employ the Lyapunov function $V_1$ as a form of energy to ensure the error converges to zero and the current is controlled, as shown in Eq. (11):

$V_1=\frac{1}{2} e_1^2$           (11)

The derivative of the function is given by Eq. (12):

$\dot{V}_1=e_1 \dot{e}_1=e_1\left(\dot{i}_d^{r e f}+\frac{R_s}{L_d} i_d-\frac{P \Omega L_q}{L_d} i_q-\frac{1}{L_d} V_d\right)$           (12)

For the derivative of $V_1$ to be negative, the following form is used (as introduced by the Backstepping method), as shown in Eq. (13):

$\dot{V}_1=e_1\left(k_1 e_1+\frac{R_s}{L_d} i_d-\frac{P \Omega L_q}{L_d} i_q-\frac{1}{L_d} V_d\right)=-k_1 e_1^2$           (13)

This equation forces the current $i_d$ to follow its reference, and the voltage $V_d$ controls the subsystem to guarantee Lyapunov stability. From this, we derive the reference voltage $i_d^{\text {ref }}$, as given in Eq. (14):

$V_d^{r e f}=L_d\left(k_1 e_1+\frac{R_s}{L_d} i_d-\frac{P \Omega L_q}{L_d} i_q\right)$           (14)

Step 2-Calculation of the Virtual Control Law $i_q^{\text {ref }}$ :

The second step in the backstepping control design focuses on regulating the rotor velocity $\Omega$. The velocity error is defined by Eq. (15):

$e_1=\Omega_{r e f}-\Omega n$           (15)

The derivative of this error is expressed as follows in Eq. (16):

$\dot{e}_1=\dot{\Omega}_{r e f}-\dot{\Omega}$          (16)

Eq. (17) shows how the Lyapunov function approach creates the virtual control law.

$\dot{e}_2=\dot{\Omega}_{r f}-\frac{3}{2}\left(\frac{p\left(L_d-L_q\right)}{J} i_d+\frac{p \Phi_f}{J}\right) i_q+\frac{f}{J} \Omega+\frac{1}{J} C_r$          (17)

The goal is for the error to converge to zero by choosing $i_q$ as the virtual control. The extended Lyapunov function is defined as shown in Eq. (18):

$V_2=V_1+\frac{1}{2} e_2^2=\frac{1}{2}\left[e_1^2+e_2^2\right]$          (18)

The time derivative is given by Eq. (19):

$\begin{aligned} & \dot{V}_2=\dot{V}_1+e_2 \dot{e}_2 \\ & =-k_1 e_1^2+e_2\left[f_2\left(x_1, x_2\right)+g_1\left(x_1, x_2\right) x_3-\dot{a}_1\right]\end{aligned}$          (19)

Step 3-Calculation of the final control law $V_q^{\text {ref }}$

In this step, the final control law is derived to determine the reference voltage for the entire system. The objective is to stabilize the system by extending the control strategy from the virtual control stage to the actual control input. The regulation error is given by Eq. (20):

$e_3=i_q^{r e f}-i_q$          (20)

The dynamic equations of error are given by Eq. (21):

$\dot{e}_3=\dot{i}_q^{r e f}-i_q=\dot{i}_q^{r e f}+\frac{R_s}{L_q} i_q+\frac{p \Omega L_d}{L_q} i_d-\frac{1}{L_q} V_q$          (21)

The Lyapunov function is extended as shown in Eq. (22):

$V_3=V_1+V_2+\frac{1}{2} e_3^2=\frac{1}{2}\left[e_1^2+e_2^2+e_3^2\right]$          (22)

The derivative is given by Eq. (23):

$\dot{V}_3=\dot{V}_1+\dot{V}_2+e_3 \dot{e}_3$          (23)

By choosing $\dot{V}_3$ to be semi-definite negative, we obtain Eq. (24):

$\dot{V}_3=-k_1 e_1^2-k_2 e_2^2-k_3 e_3^2 \leq 0$          (24)

From this, we obtain the final control law for $V_q^{\text {ref }}$, as given in Eq. (25):

$V_q^{r e f}=L_q\left[k_3 e_3+\frac{J}{p \Phi_f}\left(\left(k_2-\frac{f}{J}\right)\left(-\frac{p \Phi_f}{J} i_q+\frac{f}{J} \Omega+\frac{1}{J} C_r\right)+k_2 \dot{\Omega}_{r e f}+\ddot{\Omega}_{r e f}\right)\right]$          (25)

This final control law ensures that the quadrature-axis current $i_q$ tracks its reference value accurately, leading to precise speed regulation. Consequently, the reference voltages are determined to guarantee the asymptotic stability of the entire PMSM control system. The backstepping control approach achieves a robust and optimized overall system performance by systematically stabilizing each subsystem.

4. Resusts and Discussion

This section presents the simulation results of the Backstepping control strategy applied to a PMSM using MATLAB/SIMULINK. The goal is to evaluate system performance under different operational conditions, including no-load scenarios, variable loads, speed variations, and directional reversals.

Figure 3 illustrates the simulation environment setup, consisting of a PMSM model, a backstepping controller, and a real-time feedback loop for adjusting control voltages. This setup enables precise performance assessment across various operating scenarios.

Figure 3. Simulation diagram of the PMSM backstepping control system in MATLAB/SIMULINK

4.1 Simulation Setup

To evaluate the effectiveness of the Backstepping control strategy, simulations were conducted in MATLAB/SIMULINK using the parameters specified in Table 1.

Table 1. Simulation parameters of the PMSM model used in the MATLAB/SIMULINK environment

Parameter

Value

Stator Resistance (Rs) (Ohms)

0.4578

Direct Stator Inductance (Ld) (H)

3.34 × 10-3

Quadrature Stator Inductance (Lq) (H)

3.58 × 10-3

Moment of Inertia (J)

1.469 × 10-3

Friction Coefficient (ƒ)

0.3035 × 10-3

Permanent Magnet Flux (φ) (Wb)

0.171

Number of Pole Pairs (Np)

4

Concontrollerains (k1, k2, k3)

640, 320, 130

The control gains k1=640, k2=320, and k3=130 were selected based on the system's physical parameters and their impact on its dynamic behavior. These gains were determined using a combination of optimization algorithms and empirical formulas to achieve fast response, minimal overshoot, and robust disturbance rejection. k1 was chosen to accelerate the system's initial response, and k2 contributes to the system's stability in the later stages. k3 was selected to ensure stability and accuracy at high speeds. The gains were optimized using algorithms based on the motor’s physical parameters, such as resistance (Rs = 0.4578), direct inductance (Ld = 3.34 × 10-3 H), and moment of inertia (J = 1.469 × 10-3).

4.2 Simulation results

The system’s performance was tested in multiple scenarios to analyze the impact of the Backstepping strategy. The key results are summarized as follows:

4.2.1 No-load operation (Reference Speed = 150 rad/s)

As shown in Figure 4, the rotor speed response under no-load conditions demonstrates that the motor speed closely tracks the reference speed with minimal delay. The Backstepping controller achieves convergence to 150 rad/s within 0.01 s, a 45% improvement over the PI controller, which required 0.018 s. The system exhibits no overshoot, and the steady-state error remains negligible. As shown in Figure 5, the source currents at no load demonstrate minimal fluctuation, confirming the system's stability. Figure 6 further illustrates the stator currents under no load conditions, providing additional insight into the system's behavior during operation.

Figure 4. Rotor speed response under no-load conditions

Figure 5. Source currents at no load

Figure 6. Stator currents at no load

4.2.2 Performance under load (Speed step change: 150 to 450 rad/s, Load Cr = 5 N.m at t = 0.1 s)

When a load or force of 5 N.m is applied at $t=0.1 \mathrm{~s}$, initial oscillations appear in the three-phase currents, as shown in Figure 7. However, the Backstepping controller stabilizes the current within 0.15 s, demonstrating a 35% improvement in transient damping over PI control.

Figure 7. Dynamic behavior of three-phase source currents during load variation

4.2.3 Speed reversal test (speed step of ±150 rad/s with direction reversal at t=0.4 s, Load Cr=5 N.m at t=0.1 s)

A robustness evaluation was further conducted by reversing the speed direction at t = 0.4 s while maintaining a constant load torque of 5 N·m. Figure 8 illustrates a smooth transition of speed to the opposite direction without significant fluctuations.

Figure 8. Transient response of stator currents (id, iq) under load variation

Figure 9 presents the source currents during speed reversal, revealing transient oscillations before reaching stabilization. Similarly, Figure 10 demonstrates the stator currents’ dynamic response, confirming the effectiveness of the control mechanism. Figure 11 displays the torque response to speed reversal, where a momentary deviation occurs before stabilizing.

Additionally, Figure 9 illustrates the rotor speed response under load conditions, showing that the system successfully tracks a speed transition from 150 rad/s to 450 rad/s within 0.015 s, which is 50% faster than conventional PI control. Moreover, this method significantly reduces overshoot, ensuring smooth speed transitions.

Figure 10 presents the electromagnetic torque behavior under load conditions. The initial transient deviation is ±6.5 N·m; however, the system stabilizes within 0.018 s, reducing torque ripple by 25% compared to PI control. The precise torque adjustment verifies the backstepping controller’s capability to maintain smooth operation under dynamic loading.

Finally, Figure 11 depicts the stator flux response when a load is applied. The quadrature flux component $(\phi q)$ demonstrates a 35% improvement over PI control, with minor oscillations stabilizing within 0.02 s. Meanwhile, the direct flux component $(\phi q)$ remains stable, ensuring consistent electromagnetic field management.

Figure 9. Rotor speed response under load conditions (Cr = 5 N.m)

Figure 10. Electromagnetic torque response under load

Figure 11. Stator flux response under load

Figure 12 shows the behavior of source currents during a 0.4 s speed reversal event. The transient peak current reaches ± 2.1 A, yet the backstepping controller effectively damps these oscillations within 0.025 s, yielding 40% faster stabilization than PI control. This modification lowers energy losses and improves motor efficiency.

Figure 13 depicts the stator current response when the speed direction is reversed. The system passes through a transitory phase but stabilizes within 0.03 s, lowering current oscillations by 40% compared to PI control. This displays the backstepping controller's capacity to manage fast speed changes while keeping a constant current flow.

Figure 12. Source currents respond during speed reversal at t=0.4 s

Figure 13. Stator currents during speed reversal

Figure 14. Rotor speed response during speed reversal

Figure 15. Electromagnetic torque response during speed reversal

Figure 16. Dynamic behavior of stator flux during speed transition

Figure 14 depicts the rotor speed response during a speed reversal from 150 rad/s to -150 rad/s. The shift occurs smoothly in 0.02 s, representing a 60% improvement above PI control. The absence of overrun and speedy convergence demonstrates that backstepping control can efficiently handle bidirectional speed variations.

Figure 15 shows the electromagnetic torque response during speed reversal. The system has a short transient, but the torque stabilizes within 0.025 s, lowering oscillations by 50% compared to PI control. This ensures smooth torque shifts while minimizing mechanical stress on the motor.

Figure 16 shows the stator flux response during a speed reversal event. The quadrature flux $\phi q$ shows a significant transient variation of less than 10% before settling within 0.03 s, resulting in a 55% improvement over the PI control (0.067 s). This indicates that the backstepping controller regulates the magnetic field even during high-speed transitions.

Figure 17. Comparison of control strategies: Backstepping control, MPC, and SMC

The simulation in Figure 16 shows that backstepping control achieves accurate and rapid motor speed regulation for the PMSM compared to other control methods. However, it is also essential to compare the performance of Backstepping Control with other advanced techniques, such as MPC and SMC, to highlight the unique advantages of this control strategy.

Figure 17 illustrates the comparative results between the three control methods. Backstepping Control shows a noticeable advantage in reaching stability faster than MPC and SMC in settling time. In speed tracking, Backstepping Control achieves better accuracy and less fluctuation in tracking the reference speed. Backstepping Control outperforms MPC and SMC in handling load changes effectively in disturbance rejection.

5. Discussion

The simulation results confirm the superiority of Backstepping control in regulating PMSM speed under various operating conditions.

Compared to MPC and SMC, the backstepping control method offers several advantages. While MPC is more adaptive and can optimize control inputs over a predictive horizon, it tends to be computationally expensive, which limits its application in real-time systems. On the other hand, SMC provides robust disturbance rejection but suffers from chattering effects, which can impact system stability and efficiency, especially in high-precision applications. The backstepping control, however, balances robustness and precision, ensuring system stability without the computational complexity of MPC or the chattering effects of SMC. Moreover, the ability of backstepping to handle nonlinearities directly, without the need for linear approximations, makes it a superior choice for systems with significant nonlinear dynamics, such as PMSM.

The key observations include:

• Fast dynamic response: The backstepping controller achieves a rapid response time of t=0.01 s, significantly outperforming conventional PI controllers.

• No overshoot or instability: The controller ensures smooth tracking of the reference speed without exceeding set points.

• High robustness to load variations: Under a load torque of 5 N.m, the PMSM speed remains stable, demonstrating strong disturbance rejection capabilities.

• Efficient speed reversal: The system successfully transitions between positive and negative speed directions without oscillatory behavior.

• Decoupled control of torque and flux: Similar to a DC motor, the Backstepping approach effectively separates torque and flux components, improving efficiency and stability.

Overall, these results validate the effectiveness of the Backstepping method in handling nonlinear PMSM dynamics and improving system reliability across different operating scenarios. A detailed performance comparison between the Backstepping control method and the conventional PI controller reveals significant advantages in dynamic response, stability, and robustness.

The results indicate that Backstepping reduces settling time by 50%, current regulation by 40%, and flux variations during speed transitions significantly decrease.

The performance of backstepping control was analyzed at both low and high speeds. The backstepping controller demonstrated superior responsiveness at low speeds, achieving faster convergence to the reference speed with minimal overshoot. The system maintained smooth operation despite rapid load changes, showcasing its effectiveness in precise low-speed regulation. At high speeds, backstepping control showed enhanced stability and tracking accuracy compared to traditional control methods. It handled rapid speed transitions effectively without losing accuracy, ensuring smooth and efficient motor operation across various speeds.

These results confirm that backstepping control provides robust performance at low and high speeds, making it ideal for applications requiring precise speed regulation across the entire speed range. Future work will conduct hardware-in-the-loop (HIL) testing further to validate the performance of the backstepping control strategy.

Figure 18. Performance comparison of control methods

Figure 18 compares backstepping, MPC, and SMC control methods based on three key performance metrics: settling time (s), steady state error, and overshoot (%). The data highlights the superior performance of Backstepping control across all metrics. Specifically:

Settling time: Backstepping achieves the shortest settling time, demonstrating faster convergence than MPC and SMC.

Steady state error: Backstepping also shows the lowest steady-state error, ensuring greater accuracy in maintaining the reference speed.

Overshoot: Backstepping outperforms MPC and SMC by maintaining the lowest overshoot percentage, indicating better stability under varying conditions.

These improvements illustrate why Backstepping control is more efficient in systems requiring fast response, minimal error, and robust performance.

HIL simulation offers a bridge between the simulation environment and real-world systems, allowing real-time validation of the control strategy. The PMSM model will be implemented on a real-time simulator, and control signals will be sent to a physical PMSM system to evaluate the performance of the backstepping controller under actual operational conditions. This testing will help assess the robustness and effectiveness of the control strategy, ensuring that the backstepping control method is suitable for deployment in practical applications, such as electric vehicle propulsion systems and industrial automation.

One crucial aspect to consider when applying backstepping control to PMSM is the variation of motor parameters, particularly resistance and inductance. These parameters can change due to environmental factors such as temperature fluctuations or mechanical wear.

The findings indicate that backstepping control outperforms MPC and SMC in key performance metrics. Specifically, backstepping control achieves a 44.44% improvement in settling time and a 33.33% improvement in disturbance rejection compared to MPC and SMC, respectively. This makes backstepping an ideal choice for applications requiring fast, accurate, and stable performance, such as PMSM motor control in industrial automation and electric vehicles.

In this study, we analyzed the effect of these variations on system performance. The results showed that backstepping control remained stable despite significant changes in resistance and inductance. However, more considerable variations in motor parameters slightly affected the system's response time and steady-state accuracy. To mitigate these effects, adaptive techniques or real-time recalibration of the control gains (k1, k2, and k3) could be employed to ensure optimal performance even when motor parameters change.

Additionally, backstepping control can be extended to ensure coordinated operation between multiple motors in multi-motor systems, such as those used in electric vehicles or industrial automation. The challenge lies in synchronizing the motor speeds and torques to ensure efficient system performance. Backstepping control can be applied to each motor individually, with the control laws designed to guarantee global system stability. This coordination is achieved by creating a distributed control strategy that ensures all motors operate within their stability limits while sharing the load. By integrating backstepping with a cooperative control approach, multi-motor systems can achieve improved performance, load distribution, and fault tolerance, even under dynamic operational conditions.

This superior performance is attributed to the adaptive nature of the Backstepping approach, which effectively manages nonlinearities and external disturbances.

Furthermore, backstepping's ability to maintain system stability under various operating conditions highlights its suitability for high-performance applications requiring precise speed and torque control.

Table 2 clearly illustrates that Backstepping significantly improves transient and steady-state performance compared to the PI controller. While PI control is computationally more uncomplicated, it struggles with load variations and exhibits higher torque overshoot, making it less suitable for high-precision applications. In contrast, Backstepping control provides smoother responses, minimal steady-state errors, and robust adaptation to dynamic changes, making it ideal for advanced motor control applications such as electric vehicle propulsion and industrial automation.

Table 2. Performance comparison between backstepping and PI control strategies

Performance Metric

Backstepping Control

PI Control

Settling Time

0.015s (50% faster)

0.03s

Steady-State Error

≈ 0%

≈ 2%

Torque Overshoot

Minimal (Smooth response)

Higher fluctuations

Robustness to Load Variations

High (Resistant to disturbances)

Moderate

Computational Complexity

Higher (Requires more processing power)

Lower (Simpler implementation)

6. Conclusion

This study presented an advanced Backstepping control strategy for PMSM to enhance dynamic performance, robustness, and precision in speed and torque regulation. The proposed control methodology was validated through extensive MATLAB/SIMULINK simulations, demonstrating substantial improvements over conventional PI control.

The results validate the effectiveness of Backstepping control, demonstrating a 50% improvement in settling time and a significant reduction in steady-state errors. The superior disturbance rejection capabilities make it an ideal choice for systems exposed to dynamic load variations, ensuring enhanced reliability and precision. Additionally, it provides smooth speed transitions and reversals with minimal current overshoot, reinforcing its effectiveness in handling nonlinear dynamics. The Lyapunov-based stability analysis further guarantees global system stability, making this technique well-suited for high-performance industrial applications.

While the Backstepping controller outperforms PI control in transient response and robustness, its practical implementation presents computational challenges due to increased processing demands. Future research should focus on developing adaptive and intelligent Backstepping control strategies that dynamically adjust to real-time variations in system parameters. Moreover, hardware-in-the-loop (HIL) testing and real-time implementation will be essential to validate the proposed approach beyond simulations and assess its feasibility in real-world applications.

Another promising research direction involves integrating Backstepping with MPC to balance robustness with computational efficiency. Exploring hybrid control frameworks could further optimize performance, making Backstepping an even more viable solution for applications in electric vehicle propulsion, industrial automation, and precision motor control systems.

  References

[1] Huang, X., Yan, W., Cao, H., Chen, S., Tao, G., Zhang, J. (2024). Prospects for purely electric construction machinery: Mechanical components, control strategies and typical machines. Automation in Construction, 164: 105477. https://doi.org/10.1016/j.autcon.2024.105477

[2] Ukoba, K., Yoro, K.O., Adeoye, A.E., Ampah, J.D., et al. (2025). Additive manufacturing in the energy sector and the fourth industrial revolution. Progress in Additive Manufacturing. https://doi.org/10.1007/s40964-024-00931-3

[3] Shuaibu, I., Wei, E.H.T., Kannan, R., Samaila, Y.A. (2024). Advancements in axial flux permanent magnet machines utilizing coreless technology: A systematic review. Ain Shams Engineering Journal, 15(12): 103091. https://doi.org/10.1016/j.asej.2024.103091

[4] Rashid, S.M. (2024). Employing advanced control, energy storage, and renewable technologies to enhance power system stability. Energy Reports, 11: 3202-3223. https://doi.org/10.1016/j.egyr.2024.03.009

[5] Dahnoun, I., Bourek, A., Ammar, A., Belaroussi, O. (2024). Active disturbance rejection control based sensorless model predictive control for PMSM. Journal Européen des Systèmes Automatisés, 57(1): 117-125. https://doi.org/10.18280/jesa.570112

[6] Motukuri, D.R., Prakash, P.S., Rao, M.V.G. (2023). Hybrid optimization for power quality assessment in hybrid microgrids: A focus on harmonics and voltage. Journal Européen des Systèmes Automatisés, 56(6): 917-927. https://doi.org/10.18280/jesa.560603

[7] Schwenzer, M., Ay, M., Bergs, T., Abel, D. (2021). Review on model predictive control: An engineering perspective. The International Journal of Advanced Manufacturing Technology, 117(5): 1327-1349. https://doi.org/10.1007/s00170-021-07682-3

[8] Chen, C.P., Zhang, C.Y. (2014). Data-intensive applications, challenges, techniques, and technologies: A survey on Big Data. Information Sciences, 275: 314-347. https://doi.org/10.1016/j.ins.2014.01.015

[9] Yu, X., Kaynak, O. (2009). Sliding-mode control with soft computing: A survey. IEEE Transactions on Industrial Electronics, 56(9): 3275-3285. https://doi.org/10.1109/TIE.2009.2027531

[10] Gautam, A., Sujit, P.B., Saripalli, S. (2014). A survey of autonomous landing techniques for UAVs. In 2014 International Conference on Unmanned Aircraft Systems (ICUAS), Orlando, FL, USA, pp. 1210-1218. https://doi.org/10.1109/ICUAS.2014.6842377

[11] Gulbudak, O., Gokdag, M., Komurcugil, H. (2023). Lyapunov-based model predictive control of dual-induction motors fed by a nine-switch inverter to improve the closed-loop stability. International Journal of Electrical Power & Energy Systems, 146: 108718. https://doi.org/10.1016/j.ijepes.2022.108718

[12] Chaou, Y., Ziani, S., Achour, H.B., Daoudia, A. (2022). Nonlinear control of the permanent magnet synchronous motor PMSM using the backstepping method. WSEAS Transactions on Systems and Control, 17: 56-61. https://doi.org/10.37394/23203.2022.17.7

[13] Kundur, P. (2007). Power system stability. In Power System Stability and Control.

[14] Kalman, R.E., Bertram, J.E. (1960). Control system analysis and design via the “second method” of Lyapunov: I—Continuous-time systems. Journal of Fluids Engineering, 82(2): 371-393. https://doi.org/10.1115/1.3662604

[15] Chang, H.D., Chu, C.C., Cauley, G. (1995). Direct stability analysis of electric power systems using energy functions: theory, applications, and perspective. Proceedings of the IEEE, 83(11): 1497-1529. https://doi.org/10.1109/5.481632

[16] Fei, J., Yan, W., Yang, Y. (2015). Adaptive nonsingular terminal sliding mode control of MEMS gyroscope based on backstepping design. International Journal of Adaptive Control and Signal Processing, 29(9): 1099-1115. https://doi.org/10.1002/acs.2523

[17] Bouzguenda, M., Al Tarayrah, M., Murugan, K.S.A.S., Znaid, A.S.R.A. (2025). A novel approach of PI controller for speed regulation of PMSM by back propagated spiking neural network method basedon slime mould algorthim. Power System Technology, 49(1): 1-23. https://doi.org/10.52783/pst.1367

[18] Zheng, X., She, Y., Wen, H., Wang, W. (2024). Backstepping control with predefined damping ratios: A second-order Lyapunov method. In 2024 43rd Chinese Control Conference (CCC), Kunming, China, pp. 715-720. https://doi.org/10.23919/ccc63176.2024.10662171

[19] Zhu, Y., Wu, Q., Chen, B., Ye, K., Zhang, Q. (2024). Backstepping control based on adaptive neural network and disturbance observer for reconfigurable variable stiffness actuator. ISA Transactions, 152: 318-330. https://doi.org/10.1016/j.isatra.2024.06.011

[20] Bahloul, W., Zdiri, M.A., Marouani, I., Alqunun, K., Alshammari, B.M., Alturki, M., Guesmi, T., Hadj Abdallah, H., Tlijani, K. (2023). A backstepping control strategy for power system stability enhancement. Sustainability, 15(11): 9022. https://doi.org/10.3390/su15119022