Guidelines Toward an Expansive Exergy-Based Fiscal System That Encourages Energy Transition and Societal Wellness

Guidelines Toward an Expansive Exergy-Based Fiscal System That Encourages Energy Transition and Societal Wellness

Michele Trancossi* Jose Pascoa Tiziano Catellani

Enexergy by EPMItalia, Borgo Val di Taro 43043, Italy

C-MAST (Centre for Mechanical and Aerospace Science and Technologies), Universidade da Beira Interior, Covilhã 6201-001, Portugal

Circolo Culturale Carlo Cattaneo, Parma 43125, Italy

Corresponding Author Email: 
mich.trancossi@gmail.com
Page: 
4147-4158
|
DOI: 
https://doi.org/10.18280/ijsdp.191105
Received: 
1 August 2024
|
Revised: 
10 September 2024
|
Accepted: 
19 September 2024
|
Available online: 
28 November 2024
| Citation

© 2024 The authors. This article is published by IIETA and is licensed under the CC BY 4.0 license (http://creativecommons.org/licenses/by/4.0/).

OPEN ACCESS

Abstract: 

Fiscal systems have a direct influence on society and the environment. Today, taxes are based on income, value-added, and property. Such a taxation system is economically regressive and does not positively affect the necessary actions toward increasing a diffused social wellness. It primarily affects working and retired people and does not encourage measures toward limiting global heating. This paper analyses the guidelines for a new fiscal system based on exergy and the second law of thermodynamics. It analyses the most relevant exergy tax models proposed in the scientific literature. It aims to trace the general guidelines toward a novel and more expansive fiscal system that allows moving from income and value-added tax to a new model based on exergy disruption. Such a budgetary model aims to be a relevant engine for more equitable societal development, an effective reduction of global heating, and simplifying the life of citizens, who will pay most of the taxes indirectly rather than directly. This approach links the amount of exergy disruption in the entire lifecycle of products and CO2 emissions. In particular, it goes along the line traced by Pope Francis in the visionary encyclical letter "Laudato Si." Based on the second law, efficiency, and efficient energy use, the exergy tax penalizes inefficient plants and encourages modernization. In addition, it is also a precious instrument for promoting short distribution chains and local products.

Keywords: 

exergy, exergy tax, climate change, environmental responsibility, social responsibility

1. Introduction

This paper discusses the potential use of exergy analysis to promote responsible societal and production methods. It explores methodologies for replacing traditional regressive taxation systems, such as value-added taxes, with exergy taxes that address environmental, climate, and societal challenges. Social analysis highlights the need for new societal and economic models. In particular, Pope Francis's encyclical "Laudato Si" [1] emphasizes humanity's responsibility to care for Earth, "our common home."

A significant obstacle to reducing CO2 emissions and combating global warming is the prevalent mindset of denial found among some Christians. Indifference, resignation, and blind faith in conventional economic models necessitate meaningful action. Pope Francis calls for overcoming these barriers and fostering environmental awareness and solidarity. "Laudato Si" discusses societal models that relate to economic laws and illustrates the opportunity for new models based on solidarity and ecology to address the misuse of God's creation and the exploitation of human beings. The encyclical highlights the need for effective cultural diversity and environmental care to build a more inclusive society committed to a sustainable future.

How can political action support this necessary change? Politics must rethink economic models and establish new fiscal systems to manage essential societal transformations.

A related question arises: Do income and value-added taxes remain relevant instruments in today's society? There is a growing interest in strategies that address human activities that negatively impact society and the environment. The concept of an exergy tax, as defined by Hirs [2], is an approach that is gaining traction within the scientific community. It encourages the necessary transformations in society, the economy, and industry.

This paper examines the benefits of exergy-based taxes compared to traditional taxes, analyzing their potential advantages and possible implementation strategies grounded in sociotechnical and thermodynamic principles, which would ensure broad acceptance [3]. Implementing the exergy tax could replace unproductive and regressive traditional income and value-added taxes with an indirect taxation model focused on exergy disruption within societal processes, human behaviors, and productive cycles. Many citizens resist excessive income and value-added taxes because they hinder fulfilling and developing personal needs. To understand this social model, starting with the fundamental concepts of thermodynamics and sustainability is essential. In addition, energy is an economically significant measure toward a more sustainable society and helps mitigate global warming [4]. In addition, extending the second law of thermodynamics to social phenomena and interactions creates new societal models that improve living conditions. Innovative social processes evolve current resource utilization.

2. Methods

2.1 Thermodynamic system

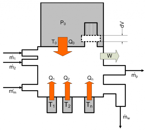
Figure 1 represents a thermodynamic system [5, 6] illustrating its energy, work, and heat transfer flows. The interactions between these flows allow for understanding and optimizing system performance.

Figure 1. Sample thermodynamic domain

Source: Bejan [5]

Bejan [7] states that general thermodynamic systems are unsteady and require analyzing instantaneous mass, energy, and entropy inventories. They consider work and heat transfer rates from temperature reservoirs and mass flow rates through inlets and outlets.

According to Lucia and Grazzini [8], irreversible processes allow the development of more sophisticated models and approaches to account for exergy losses in irreversible systems. A better understanding of thermodynamic phenomena improves energy efficiency, sustainability, and resource optimization. It underscores the dynamic nature of thermodynamic systems and considers internal and external factors that influence their evolution.

2.2 The first law of thermodynamics

The first law of thermodynamics represents the law of conservation of energy. It states that the system's total energy remains constant over time.

$\dot{E}=\dot{Q}_0+\sum_i \dot{Q}_i+\sum_n \dot{m}_j h_j-W$     (1)

where, $\dot{E}$ is the total energy, $\dot{Q_i}$ is the heat added by each source i, W is the work done, and $\dot{m}_j h_j$ is the enthalpy of each specie j, kinetic energy, and potential energy of a stream at the boundary.

2.3 The second law of thermodynamics

The second law of thermodynamics focuses on entropy and the irreversibility of processes within a system. Eq. (1) gives minimal information on the effects of irreversibility in fundamental transformations.

Lucia and Grazzini [9] observed that the missing physical information relates to the second law: entropy (or entropy generation) and exergy. Entropy is the function of the state that defines the second law. It is increasing and never negative. Bejan et al. [10, 11] study how to localize the source of inefficiency inside processes and determines the upper-efficiency limits. Eq. (2) represents exergy as a function of entropy generation (the speed of entropy creation):

$\dot{S}_{g e n}=\frac{\dot{Q}_0}{T_0}+\sum_i \frac{\dot{Q}_i}{T_i}+\sum_j \dot{m}_j s_j+\dot{m}_p s_p+\dot{m}_w s_w \geq 0$     (2)

where, s is the specific entropy of the materials that enter or exit the system, Eq. (2) presents the total entropy generation rate, which must satisfy the second law inequality. Therefore, minimizing the entropy generation rate and the waste is advantageous. Changing one or more quantities along the system boundary can reduce the process's irreversibility.

Lucia and Grazzini [9] have demonstrated that second law analysis describes both industrial systems (minimum entropy generation criterion) and biological and living systems (maximum entropy generation). Reducing a physical system's total entropy generation rate offers evident advantages and improves processes' efficiency and performance [12]. Therefore, increasing the total entropy generation rate is necessary for biochemical and biological systems and life. Changes in heat and mass exchanges along the system boundary can decrease or increase entropy generation and the system's effectiveness, whatever its nature.

2.4 Exergy and availability

Exergy is the maximum work that a system can perform to reach equilibrium with the external environment [13]. It relates to entropy and has the dimensions and order of magnitude of energy and work. Exergy is not a function of state [14] but a relevant magnitude that combines the first and second laws of thermodynamics.

The concept of exergy was introduced by Aristotle, who defined exergy (useful energy capable of performing useful work and energy (unuseful energy). This physical concept is implicit from the origin of modern thermodynamics [14]. Carnot [15] determined the maximum conversion efficiency of heat to work (ideal Carnot cycle). Carnot efficiency depends on the temperature TH of the heat source and environmental temperature T0 [16] according to Eq. (3)

$\eta_{\max }=1-T_0 / T_{\mathrm{H}}$     (3)

The work of the Carnot cycle is the maximum theoretically available work and becomes

$W=\eta_{\max } Q=\left[1-T_0 / T_{\mathrm{H}}\right] Q$     (4)

Therefore, exergy is the energy that produces a thermal cycle between two sources, one at temperature TH and the environment temperature T0. When T0 grows, the efficiency increases. It is necessary to grow TH and reduce T0. Rant [13] has extended the definition of exergy as the useful energy of a substance, a process, or a flow. Wall and Gong [17] have defined the exergy B of a system in a large environment.

$B=T_0\left(S_{e q}^{t o t}-S^{t o t}\right) W_{max }$     (5)

where, Seqtot is the entropy of the system in equilibrium with the external environment, and Stot is the entropy of the total system at a specific deviation from equilibrium.

Therefore, (Seqtot-Stot) is the deviation from the equilibrium of negentropy (minus the entropy) into the system and its environment when the system evolves from the reference equilibrium state to any arbitrary state [18, 19]. The exergy of an open system exchanging energy and mass derives from Gibbs energy, according to Morris and Szargut [20]:

$B=S\left(T-T_0\right) V\left(p-p_0\right)+\sum_i n_i\left(\mu_i-\mu_{i, 0}\right)$     (6)

Exergy depends on enthalpy H for a set of chemicals at given entropy and pressure conditions:

$B=H-T_R S$     (7)

The exergy B is the energy H reduced by the product of entropy times environment temperature TR, which is the slope or partial derivative of the internal energy concerning entropy in the environment. Higher entropy reduces the exergy relative to the energy level H. If the chemicals are at a given temperature and volume, Helmholtz free energy A allows determining the exergy of the substances:

$B=A+p_R V$     (8)

It can be evaluated in terms of entropy ΔS and enthalpy ΔH at the reference temperature (usually the environmental average temperature, usually 298.15K).

The Gibbs free energy of an element or compound can be computed from the enthalpy and entropy:

$\Delta G=\Delta H-T \Delta S$     (9)

For a given set of chemicals in given temperature and pressure conditions, Gibbs free energy G is:

$G=H-T_R S=B-\left(T-T_R\right) S$     (10)

where, G is the Gibbs free energy evaluated for the isothermal system temperature (T), and B is the exergy (maximum work) to reach the environment temperature(TR).

Eq. (10) estimates the different meanings of exergy and Gibbs free energy [21, 22]. Gibbs free energy describes a reversible system in equilibrium with the environment [23-26]. Instead, exergy refers to irreversibility, the maximum amount of work extracted from a system going in equilibrium with its environment.

2.3 General expressions of exergy

The exergy of biological, living and open thermodynamic systems can be expressed according to Ford [25], Lucia [22], and Trancossi et al. [23].

$\begin{aligned} & B=\frac{U}{U_{e q}}+p_0\left(V-V_{e q}\right)-T_0\left(S-S_{e q}\right) +\sum_i \mu_i\left(n_i-n_{i, e q}\right)\end{aligned}$     (11)

where, U is the internal energy. Eqs. (9) and (10) show that exergy measures thermal, mechanical and chemical transformations. Eq. (11) applies to open systems, including living and biochemical ones [26]. Terms for gravity, electricity, magnetism, and radiation can be considered. It is possible to subdivide exergy into four contributing parts:

$B=B_k+B_p+B_{p h}+B_{c h}$      (12)

where, Bk is the kinetic exergy of a flow, Bp is gravitational or electromagnetic potential Exergy, Bph is physical or thermal exergy, and Bch is the chemical exergy.

Physical Exergy, Bph, is the work that can be obtained by putting the system through reversible physical processes (compression, expansion, and heat exchange) to the temperature and pressure in the environment, extracted from an ideal (reversible) heat engine operating between the system and its environment. Chemical Exergy, Bch, is the work obtainable by a subsystem that reaches reversibly environmental temperature, pressure, and composition.

Exergy is versatile in representing systems of different natures and their capability to produce work (Table 1). Rosen and Dincer [27] evidence that exergy analysis is an instrument for improving efficiency and sustainability. Szargut [28] and Wall [29] have observed that exergy applies to energy, matter flows, and transformations of any nature.

Table 1. Work, exergy, and exergy rate of change of different elementary processes

 

Work or Energy (J)

Exergy (J)

Exergy Rate of Change (W)

Mechanical Work

W

W

dW./dt

Friction (1, 2)

m f gl  = m f g v t

m f g l = m f g v t

m f g v

Aerodynamics (1, 2, 3, 4)

0.5 CD A ρ v3 t

0.5 CD A ρ v3 t

0.5 CD A ρ v3

Fluiddynamic (2, 3, 4)

0.5 K m v2

0.5 K m v2

0.5 K dm / dt v2

Potential (1, 2)

m g Δz

m g Δz

Δz= const gΔz dm/dt or m = const mg dz/dt

Kinetic (1, 2)

0.5 m v2

0.5 m v2

v=const =>0.5 v dm/dt or m=const=>m v dv/dt

Heat

Q

Q [1-(T0-T)]

dQ/dt [1-(T0-T)]

Electrical (5)

I ΔV t

I ΔV t

I ΔV

Chemical (6)

m ΔgG

m[μ – μ0 + RT0 ln(c/c0)]

dm/dt [μ – μ0 + RT0 ln(c/c0)]

Radiation (7)

P=e σ (T4-T04) A t

e σ [T4- (4T3T0)/3 + T04/3] A t

e σ [T4-(4T3 T0)/3+T04/3] A

Notes: 1. Dewulf and Van Langenhove [30]; 2. Trancossi [31]; 3. Herwig and Schmandt [32]; 4. Trancossi et al. [33]; 5. Rosen and Bulucea [34]; 6. Wall [35]; 7. Petela [36].
3. Exergetic Approach to Economy

3.1 Exergy and industrial processes

Exergy allows understanding the behavior of energy conversion systems and improving their efficiency. It provides a more meaningful evaluation of efficiencies than traditional energy analysis because exergy measures the system's proximity to its ideal state.

Exergy analysis offers a comprehensive approach to enhancing efficiency and reducing emissions in industrial processes. It can also achieve a more accurate system performance assessment, leading to targeted measures for improving the system [37] and contributing to a sustainable societal and industrial landscape.

3.1.1 Ideal heat engine and power plants

An ideal heat engine (a Carnot engine between heat source and sink temperatures) has different energy and exergy efficiency. While energy efficiency suggests improving a perfect engine, exergy efficiency is related to a real engine [38, 39].

In the case of a power plant, such as a coal-fired facility, the breakdown of energy and exergy outputs permits an effective evaluation of the system's performance. Different components' energy and exergy efficiencies allow for understanding possible improvements. Exergy analysis can help minimize energy disruption and emissions. Energy and exergy efficiencies of plant components, such as steam generators and condensers, allow for the estimation of possible enhancements. Understanding the exergy losses associated with internal disruptions in plant subsystems allows targeted improvements to minimize exergy disruption and emissions. Let us consider an actual power plant, such as a coal-fired one, with a net electrical output of about 500 MW. This power plant has key subsystems for generating electricity [40].

The steam generator burns coal to produce primary and reheat steam. The flue gas exits the plant through chimneys while the steam drives turbine generators. The steam passes through a turbine generator connected to a transformer, which connects with multiple cylinders, including high-pressure, intermediate-pressure, and low-pressure ones.

The steam from the high-pressure cylinder is reheated in the steam generator before passing through the low-pressure turbines. Several steam extractions from the turbines preheat feed water in the heat exchangers, contributing to the plant's efficiency.

The low-pressure turbines exhaust the condenser, where cooling water condenses the steam into liquid form. This process rejects waste heat and allows the power plant to operate efficiently. The temperature and pressure of the condensed steam grow in a series of pumps and heat exchangers, which return the steam to the generator for further power generation.

By analyzing the breakdown of energy and exergy outputs for the power plant, insights into the system's thermodynamic properties can be gained, and areas for potential efficiency improvements can be identified [39].

The steam generator significantly differs between energy (95%) and exergy (50%) efficiencies. While most input energy transfers to the preheated water, there is a substantial exergy loss due to internal destruction, primarily from combustion and heat transfer processes.

The condenser is the critical component. It rejects about 100% of the energy and about 25% of the exergy that enters it. The remaining 75% of the exergy is internally destroyed, highlighting the inefficiencies that characterize heat rejection.

Energy losses in other plant devices are relatively small, and exergy losses are also small. The majority of exergy losses depend on internal destruction within the system.

Based on the above considerations, the difference between the system's total energy content and the maximum useful work that can be extracted can be highlighted. The net electrical output ratio to coal energy input is 37%, while the corresponding exergy efficiency is 36%.

By identifying areas with high exergy disruption, such as the steam generator and condenser, opportunities for improving efficiency can be pinpointed. This information can guide engineers and operators in optimizing the operation of power plants to achieve higher overall efficiencies and reduce energy losses in the generation process.

3.1.2 Thermal energy storage

A buried thermal energy storage tank is an example. This storage system transfers heat into and out of the medium through a heat exchanger. The efficiency of this system is often evaluated based on how long the recovery fluid is circulated through the heat exchanger. However, solely focusing on energy efficiency by extending the circulation time of the recovery fluid neglects the fact that the temperature at which the heat is recovered decreases towards the ambient soil temperature as the fluid circulates. It is essential to consider exergy efficiency in assessing the actual effectiveness of thermal energy storage.

3.1.3 Space heater efficiency

Electrical resistance space heaters are commonly used for heating indoor environments. These heaters have a very high energy efficiency (about 100%), but their exergy efficiency is much lower (less than 10%). This difference in efficiencies indicates a significant possibility of improving energy utilization. Even if relatively inefficient, implementing heat pumps can lead to substantial savings in electricity consumption while achieving the same level of space heating, showcasing the importance of exergy evaluations for improving system efficiency.

3.1.4 Transport vehicles

Exergy analysis is crucial in determining efficiency and sustainability in transport vehicles, as Lucia [26] and Trancossi et al. [41-43] state.

Internal combustion vehicles powered by gasoline or diesel engines suffer significant energy and exergy losses throughout their operation (energy efficiency is lower than 37.5%). The combustion process in these vehicles disperses heat to the surroundings, causing exhaust losses and friction losses in the engine components. These losses decrease both energy and exergy efficiency. The energy losses in internal combustion vehicles can be calculated using the following formula:

$B=E_{\text {in }}-W-D-P$     (13)

where, Ein is the input energy, W is work, D is drag.

A Hybrid vehicle combines an internal combustion engine (ICE) and an electric motor. While hybrid cars are more energy-efficient (the energy efficiency of an electric motor is around 97%) than their conventional counterparts, they still experience energy and exergy losses due to the additional components and energy conversion processes. The energy losses in hybrid vehicles can be calculated using the same formula as internal combustion vehicles, with adjustments for the dual power sources. The exergy losses in hybrid cars can be calculated using the exergy equations mentioned earlier.

All-electric vehicles, powered solely by electric motors and batteries, have become popular because of their zero local emissions and high energy efficiency. However, all-electric cars are not immune to energy and exergy losses like other vehicles. The energy losses are associated with the charging and discharging operations and energy losses during operation. The exergy losses can be calculated by considering the specific properties of electric propulsion systems.

When comparing the exergy losses of internal combustion, hybrid, and all-electric vehicles over their life-cycle, it is essential to consider not only the operational phase but also the manufacturing, maintenance, and disposal phases. Manufacturing contributes significantly to exergy losses and requires extracting, processing, and transporting raw materials and components.

The operational phase of a vehicle, in which energy is consumed to perform useful work, plays a crucial role in determining its exergy losses. Due to their lower efficiency, internal combustion vehicles typically have higher exergy losses than hybrid and all-electric cars. Trancossi [31] has demonstrated that large vehicles, including trains, ships, trucks, and air vehicles, are much more energy-efficient than smaller ones.

As we will see, the negative impact of global warming on the quality of energy conversion and exergy disruption is evident [42, 43]. Apart from the consequences on human and living beings' wellness, increasing temperatures generate economic damages [44], with particular attention to the population living in polar and temperate regions, in which the growth of temperature is more evident [45]. The development of Earth's temperature increases the amount of exergy disruption, as exergy disruption is proportional to environmental temperature and degrades energy conversion processes, consuming more energy for the same amount of useful work [46]. Hence, citizens and companies pay more for energy. Therefore, reducing greenhouse gas emissions and global heating rate bring economic benefits because of higher energy conversion efficiency.

3.2 Exergy in natural and human ecosystems

The concept of exergy plays a crucial role in understanding the complexity and behavior of natural systems, particularly ecosystems. Several scientists have delved into exergy and its connection to the ecosystem throughout the 20th century. In particular, Lotka [47, 48]. Morovitz [49] and Prigogine et al. [50, 51] paved the way for ecosystem development theories by utilizing thermodynamics to explain the behavior of complex natural systems at macroscopic scales. Schneider and Kay [52] proposed a new formulation of the second law to suit open systems better far from equilibrium.

The ecosystem exergy concept suggests that ecosystems tend to develop structural and functional attributes that enhance the degradation of energy flows passing through the system. This concept derives from two fundamental principles: maximum storage and maximum dissipation principle [53]. The maximum storage principle states that ecosystems aim to achieve the highest possible exergy content in biomass, genetic information, and complex structural networks based on the available local abiotic features and gene pool [54]. On the other hand, the maximum dissipation principle suggests that ecosystems strive to maximize the degradation of input exergy flows. It derives from Svirezhev and Steinborn's mini-max principle [55], which emphasizes the balance between maximizing exergy for maintenance and minimizing it for radiation balance.

Maximum entropy production [56] is an organizational principle of living and biological systems. Criticisms and misunderstandings persist concerning the compatibility of maximum exergy storage and dissipation with entropy maximization of the environment.

Exergy analysis in natural and human-industrial systems [57] distinguishes the approach to exergy in natural versus human-industrial systems. Exergy dissipation is assumed to be maximized in natural systems, while human-industrial systems prioritize minimizing exergy consumption and optimizing efficiency. This divergence stems from the human-industrial system's separation but interdependence on the ecosystem for the paradox of maximizing exergy dissipation in the human-industrial system, entropizing the ecosystem and underscoring ecosystem balance between human activities and natural ecosystems [58].

Exergy provides valuable insights into dynamics and ecosystem relationships and flows. While debates and criticisms persist, continued research and analysis are vital to unraveling the complexities of exergy in natural and human-industrial systems. By understanding and respecting the principles of energy, we can strive towards sustainable coexistence with our environment.

3.3 Thermodynamic vision of society

Suppose we consider society a thermodynamic system and any human community and individual human beings as different-level subdomains. In that case, this vision forces us to design a radically new societal model that is open to innovation and more stimulating for citizens.

The traditional fiscal system is based only on individuals' incomes and property (income taxes) and on economic exchanges (VAT value-added tax). Therefore, it is a regressive system that does not encourage individual and societal growth and poses severe limits to positive aspects of human activity, discouraging innovation and productivity.

Instead, taxes should focus on burdening negative behaviors and their social and environmental impacts, such as the depletion of natural resources, exploitation of work, poor working conditions and security, and their harmful effects on the environment, citizens, and society.

Exergy tax aligns with this approach by targeting the consumption of non-renewable resources to measure the adverse effects on human activity. Radically different models could produce significant social benefits:

- Promoting Sustainable Practices - An energy tax encourages adopting more sustainable practices by taxing the consumption of non-renewable resources. It can reduce resource depletion and environmental degradation.

- Encouraging Innovation - Businesses would be motivated toward renewable energy sources and energy-efficient technologies to reduce the exergy tax. This can drive innovation in clean energy technologies and contribute to a more sustainable future.

- Revenue Generation - The revenue generated from an exergy tax can be used to reduce personal and corporate income taxes, environmental conservation efforts, renewable energy projects, and other sustainable initiatives. It can help offset the costs of transitioning to a greener and socially more equitable economy.

3.4 Exergy and economic analysis

Exergy is a production factor in economics. It allows for assessing the actual costs associated with energy and material consumption. Unlike traditional economic metrics, exergy considers the quantity of resources utilized and their quality and potential to perform useful work.

The pioneering work of Georgescu-Roegen [59, 60] and El-Sayed [61], along with early attempts by Ayres [62, 63], laid the foundation for incorporating exergy into economic analysis. Researchers have highlighted the importance of operational efficiency in societal systems by linking economic growth to energy input into a country.

3.5 Operational efficiency and exergy input

The pro-capita exergy input into a societal system is a valuable indicator of efficiency. It shows the quality and utility of energy and materials consumed. Economists and policymakers gain insights into the cost of resource use by considering exergy as a production factor. Wall [64] evidenced the meaning of total exergy input as an econometric measure comparable to Gross National Product (GNP). Exergy analysis provides a holistic view of economic activities and the interplay between energy consumption, environmental impact, and efficiency.

Exergy analysis can be integrated into economic decision-making on sustainability. Incorporating thermo-ecological costs into policy supports governments and businesses in making informed choices on resource allocation [65].

Exergy, energy, and material consumption costs mitigate the negative environmental impacts of economic activities. Society can move toward a more sustainable and resilient model by optimizing efficiency and resource usage.

3.6 Carbon exergy tax

The environment has become prominent in the evolving energy production and transformation landscape. The world deals with the consequences of climate change. Therefore, policymakers seek to adopt cleaner, more efficient energy systems. Carbon exergy Tax (CET), as defined by Santarelli [66-68], can be an instrument. CET is a simple method focusing only on industrial and energy production.

The Carbon Exergy Tax (CET) is a charge on CO2 emissions beyond traditional carbon taxes. Unlike conventional Carbon Taxes (CT), which are based solely on energy policy considerations and imposed on the mass of emitted CO2, CET also considers the energy system's efficiency penalty. This approach links the amount of CO2 a plant emits with its Second Law efficiency, rewarding efficient energy utilization and penalizing inefficient plants.

Various conventional energy systems, such as gas turbine simple cycles, regenerative cogeneration gas turbines, and combined cycles, allow for assessing CET's impact. By applying the CET and CT to these systems, it can be determined how taxes influence the design of plants across different scenarios, including pressure ratios and fuel costs.

The above analysis represents the cost of electricity vs. efficiency, the cost of electricity vs. specific work, and the cost of electricity vs. plant design parameters like pressure ratios. This analysis offers detailed insights into how CET and CT affect the costs and performance of energy systems.

A key benefit of implementing the CET is its potential to drive widespread adoption of more efficient and less polluting advanced energy systems. Policy may accelerate the transition towards a more sustainable energy society and incentivize cleaner technologies through financial mechanisms. For example, the CET encourages efficient energy use while reducing carbon emissions. The CET considers factors like second-law efficiency and CO2 emissions in the tax calculation. Hence, the CET offers a still limited framework for guiding the design process of conventional energy systems.

3.7 Cumulative exergy consumption

Thermoecological costs play a crucial role in assessing the environmental impact of societal consumption patterns. Cumulative exergy consumption (CExC) measures the exergy content associated with a product or process [69-72].

CExC, expressed in kJ/unit of product, can be considered the total of exergy inputs, internal irreversibility, and exergy outputs throughout the production chain. This value can be precisely computed by tracing the flow of exergy from the extraction of raw materials to the final product and the feedback loops, waste generation, and recycling processes.

Starting from resource extraction, whether mining for materials or tapping into underground reservoirs for fossil fuels, each subsequent process adds and subtracts exergy until the end product is obtained. The cumulative exergy content reflects the total energy embodied in the product, providing a holistic view of environmental impact.

It is possible to determine the exergy cost of each commodity, including intangible entities like electricity, power, and human resources, and CExC allows for evaluating the sustainability of consumption patterns.

Proper allocation methods and accurate system boundary definitions can help us gain insights into human activities' environmental costs.

Lozano and Valero [65] state that the final product's exergy is a function of the exergy inputs represented by the structural matrix. This matrix captures the interconnectedness of various components in the production process, allowing for a detailed analysis of exergy flows and transformations. Despite the complex nature of these calculations, the CExC values derived from this method offer a comprehensive understanding of the thermoecological costs involved.

It is important to note that the terms CExC and exergetic cost (denoted as "k") are essentially interchangeable despite their different formalization. Though distinct in their approaches, both Szargut's [73] and Lozano and Valero's [65] methods lead to the same fundamental conclusion regarding the cumulative exergy consumption associated with a product or process.

The concept of CExC delves into the intrinsic exergy "embodied" within a product, highlighting the cumulative impact of each stage in the production chain. Unlike monetary calculations, which often fail to capture the actual environmental costs, CExC provides a scientific basis for evaluating the sustainability of our industrial processes.

Understanding the thermoecological costs through the lens of CExC offers a comprehensive perspective on the environmental implications of our resource consumption. By embracing this approach, we can make informed decisions prioritizing sustainability and ensuring a harmonious coexistence with our planet for future generations.

3.8 Positive social impacts of thermoecological costs

In today's world, the depletion of non-renewable natural resources poses a significant threat to humankind's future development. The quality of these resources can be measured in terms of exergy. Thermoecological cost has been introduced to estimate the cumulative consumption of non-renewable exergy per unit of any product deemed useful and cumulative energy degradation or exergy disruption.

Thermoecological costs go beyond resource consumption. They also encompass the consumption of non-renewable energy for environmental protection and offset the negative impact of harmful emissions in production processes. This cost is quantified in energy units, not monetary ones, setting it apart from economic measures.

How to analyze and minimize the thermoecological cost? Thermoeconomy aims to tackle this issue and is distinct from conventional economics due to its unique objective function. Focusing on energy units sheds light on the environmental impact of human activities. The thermoeconomic approach simplifies energy prices and taxes on the citizen side because it equals the various energy sources. It highlights substances' energy content and requirements for any energy transformation, industrial production, and logistics. It allows for estimating energy prices, reducing the distortions between different energy sources. In addition, pro-ecological taxes encourage sustainable practices, holding individuals accountable for the negative repercussions of their actions. This taxation model may generate a rational use of resources and environmental protection. This approach highlights the importance of shifting toward ecofriendly policies.

Solar radiation and wind are critical renewable energy sources. They are a sustainable alternative to non-renewable resources. Leveraging the different sources reduces the thermoecological cost associated with energy production methods is crucial. By tapping into renewable energy, we can pave the way for a greener future.

While a value-added tax is designed to curb excessive consumption, its current structure lacks an objective criterion. A pro-ecological tax is proportional to thermoecological cost and could be more effective in addressing environmental impact; it promotes eco-conscious consumer behavior, promotes the short distribution chain, and encourages national or local products because of the effects of transportation.

Thermoecological costs involve assessing raw materials' exergy and accounting for extraction processes. By incorporating this cost into the market price of products, producers are incentivized to minimize their environmental footprint. This approach encourages more responsible resource management and sustainable practices.

Developing calculations for thermoecological costs and implementing pro-ecological taxes can introduce a path to sustainable development. This approach empowers individuals and businesses and prioritizes environment preservation and long-term prosperity.

4. Discussion

4.1 Traditional economic theories

Traditional economic theories caused today's crisis. The failure of the economy to produce sustainable living models and conditions and maintain social welfare led to a crisis of unprecedented proportions. Natural and human resources are depleted, societal relationships are deteriorating, unemployment is increasing, and the global environment is being destroyed. This unstable situation generates corruption, criminal activities, and global conflicts.

The disconnection between the economy and the real world lies at the core of this crisis. Traditional economic approaches perceive humans as just predictable producers and consumers of economic values. The economy dictates human behavior, perpetuating a narrow view that hinders our ability to address the root causes of the crisis. It lacks connection with the physical world. Matter (or energy) cannot be created or destroyed. Therefore, any abuse of resources leads to pollution, environmental degradation, and disruption of societal dynamics. As substances from the lithosphere enter society unchecked, they risk being depleted, fueling environmental destruction.

A shift towards increasing the use of renewable resources (natural flows and funds) is a fundamental element in mitigating this crisis. The industrialized world's dependence on deposits is unsustainable in the long run because it leads to resource depletion and environmental degradation. Concepts like exergy and societal metabolism may improve resource utilization and the vitality of our society.

Exergy, a well-established concept in engineering, offers a framework for identifying how to optimize resource utilization. Understanding the principles of exergy, ecology, and human intelligence is crucial for addressing the challenges of the misuse of physical resources and the lack of environmental care.

Wall [70] highlights the need to understand the societal impacts of exergy disruption and to plan a course toward a sustainable future by acknowledging the interconnection between the economy, the environment, and society. Trancossi et al. [71, 72] underscore the urgency of addressing the misuse of physical resources, the ignorance of ecological principles, and the inertia of societal action.

It requires a paradigm shift towards a sustainable and environmentally conscious model. Concepts like exergy and societal metabolism, in relationships with the natural world, can pave the way toward a brighter future that will increase the well-being of current and future generations.

4.2 Introduction to extended exergy accounting

Extended exergy accounting estimates the total cost of a product by considering capital, labor, fuel, material, and environmental effects. The production function is expressed in exergy units, where the exergy cost of a unit of a commodity is determined by the amount of monetary capital, labor, energy flows, materials, and environmental remediation costs involved in its production [73]. The production function in extended exergy accounting includes five main factors:

- Monetary Capital (K) - Amount of capital for production.

- Labor (L) - The amount of labor in working hours needed for production and the quality of the working environment.

- Exergy of Energy Flows (Ex) - The exergy of the energy flows, including heat and power, used in the process.

- Materials (M) - The necessary materials are required.

- Environmental Remediation Cost (O) - The monetary cost of remedial actions to reduce the ecological effects.

Extended exergy (EEX) is the sum of the thermodynamic exergy and the equivalent exergy of capital, labor, and environmental remediation activities.

$B_{E E X}=B_{E x}+B_K+B_L+B_M+B_o$

This unified treatment of factors provides a comprehensive understanding of the total cost of a commodity or service. The equivalent exergies represent the primary resources required to generate one monetary and working unit and reduce pollution and social injustice. Economic systems are ecosystems that rely on material fluxes to sustain human activities. All agricultural, industrial, and financial activities exploit physical, chemical, and biological resources with a practically infinite exergy capacity but a non-infinite reservoir. Exergetic content is considered the correct measure for the cost of a commodity or service, emphasizing the importance of energy in economic systems.

4.3 Extended exergy accounting

Extended exergy accounting (EEA) is a method that goes beyond traditional energy consumption analysis to comprehensively evaluate the resources utilized in producing goods and services. By considering both direct and indirect inputs, EEA offers a more detailed perspective on the actual costs associated with production processes. Traditional accounting methods, such as monetary cost analysis, often evaluate products solely based on market prices. However, these approaches overlook resource depletion and pollution's environmental and social impacts. Cumulative Exergy Consumption (CExC) accounts for the embodied exergy in products but does not consider all production factors.

EEA addresses this limitation by incorporating all primary resources used in production processes. It accurately analyzes resource efficiency between different products and production chains, providing a deeper knowledge of impacts and resource consumption associated with goods. EEA considers the monetary price and the exergetic content of products and commodities.

Calculating products' extended exergetic content allows understanding of cost and environmental impact. Therefore, it promotes sustainable resource management in economic activities and estimates the total net exergy primary influx into society from the environment, the "thermodynamic fuel" in societal processes. The influx includes energy and material fluxes for product generation, waste materials, and energy released into the environment. EEA identifies energy, materials, labor, and capital as classical production factors, with labor and capital assigned exergetic values based on resource consumption and capital intensity.

Labor and capital are assigned exergetic values based on the contributions to resource consumption. Labor's exergetic value is calculated as a portion of the total primary exergetic resource input divided by working hours. In contrast, capital's exergetic value is determined by a country-specific constant reflecting its intensity. This method assesses the energy and material resources in production within an economic context.

EEA requires local consistency between economic and exergetic values to account for labor and capital intensity variations across countries. EEA offers a balanced approach to assessing production costs within a unified, exergetic framework. It integrates labor and capital into resource accounting. It provides an effective insight into economic activity, resource requirements, efficiency, and sustainable decision-making processes.

Despite its advantages, EEA opens challenges about data collection and complexity, impacting result accuracy. As the demand for sustainable resource management grows, methodologies like EEA allow the delivery of responsible decision-making processes. They allow for assessing environmental and social impacts and enable an informed approach to resource management and a sustainable future.

4.4 Exergy, policy, and decision-making

Since the 1980s, researchers have been delving into the world of exergy and its potential applications in various fields. Exergy analysis supports government policies, strategies, and decision-making processes. The concept of exergy allows policymakers to enhance efficiency, reduce environmental impacts, and make informed choices that benefit society.

To grasp the significance of exergy in decision-making, let's consider a coal-fired power plant with a net electrical output of 500 MW. By breaking down the plant's energy and exergy outputs, we can gain valuable insights into its efficiency. While the plant's overall energy efficiency maybe 37%, the exergy efficiency is 36%. It reveals areas where improvements can be made to enhance overall efficiency.

The coal-fired power plant comprises various components, including a steam generator, turbine generators, a condenser, and preheating heat exchangers. It is possible to improve the efficiency of the subsystems, such as the steam generator, which are more efficient in terms of energy rather than exergy. This highlights specific areas that can be optimized to improve the efficiency of industrial and societal processes. By analyzing energy and exergy losses in different plant devices, opportunities for enhancing their efficiency can be identified. For instance, if the condenser is found to reject close to 100% of energy, there is significant potential for optimization. Introducing the exergy tax encourages a less impacting and more acceptable taxation system and improves societal efficiency.

Exergy analysis can also be instrumental in determining environmental and social policies to promote sustainable practices, reduce emissions, and promote human wellness. By quantifying the exergy of emissions, policymakers can establish financial mechanisms such as taxes and penalties for polluters, encouraging better resource use and environmental conservation. Governments can leverage exergy methods to boost energy and natural resource security by identifying inefficiencies in resource utilization. Targeted political measures can improve efficiency, enhance performance, and reduce wastage.

Governments can address financial challenges by integrating energy analysis with economic principles. Incentivizing non-carbon energy sources and promoting efficiency are economic benefits connected to correct sustainable practices. Evaluations conducted at global, national, and regional levels offer valuable insights for policymaking and enable informed decisions on resource allocation and efficiency enhancement. Despite the benefits, exergy analysis opens challenges such as reallocating government taxes that can produce important social improvements. Policies favoring areas with high energy or exergy losses lead to suboptimal resource utilization. To address this issue, governments can adopt an exergy tax to improve exergy efficiency and maximize the impact of sustainable practices.

5. Conclusions

In the encyclical letter "Laudato Si," Pope Francis [1] calls for global action on the environmental challenges we face today. This document, subtitled "On Care for Our Common Home," addresses our planet's degradation and the roots of today's crisis. Researchers and policymakers who care about the future have been exploring ways to reduce human activities' negative environmental and social impacts in the quest for a sustainable future. Introducing an exergy tax aims to discourage wasteful use of natural resources, encourage a more sustainable economy, and reduce climate forcing. It measures the quality of energy and considers factors such as temperature, pressure, and chemical composition [74]. It measures the potential useful work that can be extracted from a given energy source. Exergy tax should reflect the environmental and social costs of energy consumption and natural resources. Pro-ecological tax advocates such as Repetto et al. [75] and Szargut [76] highlighted the need for a tax that would consider the harmful products of human activities, such as pollution and resource depletion.

Exergy tax can radically improve societal processes by rethinking human relationships with the environment and economy. They quantify the depletion of resources and the costs of pollution costs. In addition, they drive society towards more sustainable, equitable, and inclusive models. Collaboration between government, business, and civil society is essential to get the full potential of pro-ecological taxation. Businesses are incentivized to reduce emissions, invest in clean technologies, and create safe and inclusive work conditions. This attitude is expected to improve air and water quality, protect biodiversity, and safeguard human health and lifestyles.

The exergy tax can gradually substitute both the income tax and the value-added tax (VAT) and is crucial in promoting sustainability. By integrating or substituting VAT with an exergy tax based on environmental and societal impacts, policymakers can steer consumer behavior towards eco-friendly behaviors and contribute to short distribution chains, a circular economy, and better work conditions.

Exergy tax is a promise toward a more sustainable development. Therefore, some challenges must be addressed. This novel tax system requires careful planning, stakeholder engagement, and monitoring to ensure effective and fair decisions. A pro-ecological tax proportional to the thermoecological cost of a given product is an indirect tax with the potential to replace traditional taxes.

It is a pro-ecological approach to taxation and reflects a shift towards sustainable and environmentally conscious practices. This taxation system internalizes the external environmental costs into the pricing of goods and services. It encourages producers toward eco-friendly processes, makes them accountable for environmental impacts, and encourages adopting sustainable practices for preserving natural resources for future generations.

Author Contributions

MT, JP, and TC contributed equally important contributions to the paper, depending on their experience and competencies. MT coordinated the final edition. All authors read and agreed to the published manuscript.

Nomenclature

B

exergy (J)

E

energy (J)

G

Gibbs free energy (J)

Q

heat (J)

S

entropy (J K-1)

T

temperature (K)

U

internal energy (J)

W

work (J)

h

specific entropy (J kg-1)

l

length (m)

m

specific mass (kg m-3)

s

specific entropy (J kg-1 K-1)

Greek symbols

μ

chemical potential (J/mole)

Subscripts

H

heat source

R, 0

system environment

eq

equilibrium

max

maximum

  References

[1] Pope Francis. (2019). Laudato Si’: On care for our common home. In Ideals and Ideologies. Routledge. https://doi.org/10.4321//9781315197032

[2] Hirs, G. (1993). Exergy loss: A basis for energy taxing. In Energy Efficiency in Process Technology, pp. 1241-1253. Springer Netherlands.

[3] Trancossi, M., Pascoa, J., Mazzacurati, S. (2021). Sociotechnical design: A review and future interdisciplinary perspectives involving thermodynamics in today's societal contest. International Communications in Heat and Mass Transfer, 128: 105622. https://doi.org/10.1016/S0735-1933(21)00515-7

[4] Dincer, I. (2002). The role of exergy in energy policy making. Energy Policy, 30(2): 137-149. https://doi.org/10.1016/S0301-4215(01)00079-9

[5] Bejan, A. (2002). Fundamentals of exergy analysis, entropy generation minimization, and the generation of flow architecture. International Journal of Energy Research. https://doi.org/10.1002/er.804

[6] Bejan, A. (2013). Entropy generation minimization, exergy analysis, and the constructal law. Arabian Journal for Science and Engineering, 38(1): 329-340. https://doi.org/10.1007/s13369-012-0444-6

[7] Bejan, A. (2016). Advanced Engineering Thermodynamics. John Wiley & Sons.

[8] Lucia, U., Grazzini, G. (1997). Global analysis of dissipations due to irreversibility. Revue Générale de Thermique, 36(8): 605-609. https://doi.org/10.1016/S0035-3159(97)89987-4

[9] Lucia, U., Grazzini, G. (2015). The second law today: Using maximum-minimum entropy generation. Entropy, 17(11): 7786-7797. https://doi.org/10.3390/e17117786

[10] Bejan, A. (1982). Second-law analysis in heat transfer and thermal design. Advances in Heat Transfer, 15: 1-58. https://doi.org/10.1016/S0065-2717(08)70172-2

[11] Bejan, A., Tsatsaronis, G., Moran, M.J. (1995). Thermal Design and Optimization. John Wiley & Sons.

[12] Bejan, A. (1996). Entropy generation minimization: The new thermodynamics of finite‐size devices and finite‐time processes. Journal of Applied Physics, 79(3): 1191-1218. https://doi.org/10.1063/1.362674

[13] Rant, Z. (1956). Exergy, a new name for technical "capacity for work " or " available work". Forschung auf dem Gebiete des Ingenieurwesens, 22: 36-37.

[14] Sciubba, E., Wall, G. (2001). A brief commented history of exergy from the beginnings to 2004. International Journal of Thermodynamics, 10(1): 1-26. https://dergipark.org.tr/en/download/article-file/65698.

[15] Carnot, S. (1872). Annales Scientifiques de l’École Normale Supérieure.

[16] Curzon, F.L., Ahlborn, B. (1975). Efficiency of a Carnot engine at maximum power output. American Journal of Physics, 43: 22–24. https://doi.org/10.1119/1.10023

[17] Wall, G., Gong, W. (2001). On exergy and sustainable development—Part 1: Conditions and concepts. Exergy, International Journal, 1(3): 128-145. https://doi.org/10.1016/S1164-0235(01)00020-6

[18] Rosen, M.A. (1999). Second‐law analysis: Approaches and implications. International Journal of Energy Research, 23(5): 415-429. https://doi.org/10.1002/(SICI)1099-114X(199904)23:5%3C415::AID-ER489%3E3.0.CO;2-7

[19] Sciubba, E. (2021). A thermodynamic measure of sustainability. Frontiers in Sustainability, 2: 739395. https://doi.org/10.3389/frsus.2021.739395

[20] Morris, D.R., Szargut, J. (1986). Standard chemical exergy of some elements and compounds on the planet earth. Energy, 11(8): 733-755. https://doi.org/10.1016/0360-5442(86)90013-7

[21] Popovic, M.E., Minceva, M. (2020). Thermodynamic properties of human tissues. Thermodynamics Science, 24(6B): 4115-4133. https://doi.org/10.2298/TSCI200109151P

[22] Lucia, U. (2012). Irreversibility in biophysical and biochemical engineering. Physica A: Statistical Mechanics and its Applications, 391(23): 5997-6007. https://doi.org/10.1016/j.physa.2012.07.018

[23] Trancossi, M., Pascoa, J.C., Sharma, S. (2021). A critical review on heat and mass transfer modelling of viral infection and virion evolution: The case of SARS-CoV2. Thermal Science, 25(4): 2831-2843. https://doi.org/10.2298/TSCI210614215T

[24] Trancossi, M., Pascoa, J.C., Sharma, S. (2022). Response to comment on: "A critical review on heat and mass transfer modelling of viral infection and virion evolution" the case of SARS-CoV2. Thermal Science, 26(2A): 1219-1228. https://doi.org/10.2298/TSCI210614215T

[25] Ford, K.W. (1975). Second‐law efficiency: The role of the second law of thermodynamics in assessing the efficiency of energy use. In AIP Conference Proceedings, 25(1): 25-51. https://doi.org/10.1063/1.30306

[26] Lucia, U. (2013). Stationary open systems: A brief review on contemporary theories on irreversibility. Physica A, 392(5): 1051-1062. https://doi.org/10.1016/j.physa.2012.11.027

[27] Rosen, M.A., Dincer, I. (1997). On exergy and environmental impact. International Journal of Energy Research, 21(7): 643-654. https://doi.org/10.1002/(SICI)1099-114X(19970610)21:7%3C643::AID-ER284%3E3.0.CO;2-I

[28] Szargut, J. (2005). Exergy Method: Technical and Ecological Applications. WIT Press.

[29] Wall, G. (2002). Conditions and tools in the design of energy conversion and management systems of a sustainable society. Energy Conversion and Management, 43(9-12): 1235-1248. https://doi.org/10.1016/S0196-8904(02)00010-9

[30] Dewulf, J., Van Langenhove, H. (2002). Exergetic material input per unit of service (EMIPS) for the assessment of resource productivity of transport commodities. Resources, Conservation and Recycling, 38(2): 161-174. https://doi.org/10.1016/S0921-3449(02)00152-0

[31] Trancossi, M. (2016). What price of speed? A critical revision through constructal optimization of transport modes. International Journal of Energy and Environmental Engineering, 7: 425-448. https://doi.org/10.1007/s40095-015-0160-6

[32] Herwig, H., Schmandt, B. (2009). How to determine losses in a flow field: A paradigm shift towards the second law analysis. Entropy, 16(6): 2959-89. https://doi.org/10.3390/e16062959

[33] Trancossi, M., Pascoa, J., Cannistraro, G. (2020). Comments on "New insight into the definitions of the Bejan number". International Communications in Heat and Mass Transfer, 120: 104997. https://doi.org/10.1016/j.icheatmasstransfer.2020.104997

[34] Rosen, M.A., Bulucea, C.A. (2009). Using exergy to understand and improve the efficiency of electrical power technologies. Entropy, 11(4): 820-835. https://doi.org/10.3390/e11040820

[35] Wall, G. (1977). Exergy-A Useful Concept within Resource Accounting. Chalmers Tekniska Högskola, Göteborgs Universitet.

[36] Petela, R. (1964). Exergy of heat radiation. Journal of Heat Transfer, 86(2): 187-192. https://doi.org/10.1115/1.3687092

[37] Szargut, J.T. (2003). Anthropogenic and natural exergy losses (Exergy balance of the Earth’s surface and atmosphere). Energy, 28(11): 1047-1054. https://doi.org/10.1016/S0360-5442(03)00089-6

[38] Bejan, A. (1996). Method of entropy generation minimization, or modeling and optimization based on combined heat transfer and thermodynamics. Reviews of Modern Physics, 35(418-419): 637-646. https://doi.org/10.1016/S0035-3159(96)80059-6 

[39] Bejan, A., Mamut, E. (2012). Thermodynamic Optimization of Complex Energy Systems. Springer. https://doi.org/10.1007/978-94-011-4685-2

[40] Tarla, M.R., Surapaneni, S.R., Varughese, K.T. (2021). Modifications of sub-components in thermal power plants for exergetic efficiency. International Journal of Heat and Technology, 39(2): 573-580. https://doi.org/10.18280/ijht.390227 

[41] Trancossi, M. (2015). A response to industrial maturity and energetic issues: A possible solution based on constructal law. European Transport Research Review, 7: 1-14. https://doi.org/10.1007/s12544-014-0150-4 

[42] Trancossi M., Pascoa J.C., Xisto C.M. (2016). Design of an innovative off-road hybrid vehicle by energy efficiency criteria. International Journal of Heat and Technology, 34(2): S387-S395. https://doi.org/10.18280/ijht.34S228 

[43] Trancossi, M., Pascoa, J.C. (2016). Optimized modular design for energy efficiency: The case of an innovative electric hybrid vehicle design. In ASME 2016 International Mechanical Engineering Congress and Exposition, Phoenix, Arizona, USA. https://doi.org/10.1115/IMECE2016-65430 

[44] Pasten, C., Santamarina, J.C. (2012). Energy and quality of life. Energy Policy, 49: 468-476. https://doi.org/10.1016/j.enpol.2012.06.051

[45] Sciubba, E. (2009). Exergy-based ecological indicators: A necessary tool for resource use assessment studies. Termotechnica, 2: 11-25. https://www.agir.ro/buletine/534.pdf.

[46] Bejan, A., Tsatsaronis, G. (2014). Purpose in thermodynamics. Energies, 14(2): 408. https://doi.org/10.3390/en14020408

[47] Lotka, A.J. (1921). Note on the economic conversion factors of energy. Proceedings of the National Academy of Sciences, 7: 192-197. https://doi.org/10.1073/pnas.7.7.192

[48] Lotka, A.J. (1922). Contribution to the energetics of evolution. Proceedings of the National Academy of Sciences, 8: 147-151. https://doi.org/10.1073/pnas.8.6.147 

[49] Morowitz, H. (2012). Foundations of Bioenergetics. Elsevier.

[50] Prigogine, I., Nicolis, G., Babloyantz, A. (1972). Thermodynamics of evolution. Physics Today, 25(11): 23-28. https://doi.org/10.1063/1.3071090

[51] Prigogine, I., Kondepudi, D. (2014). Modern Thermodynamics: From Heat Engines to Dissipative Structures. John Wiley & Sons.

[52] Schneider, E.D., Kay, J.J. (1994). Complexity and thermodynamics: Towards a new ecology. Futures, 26(6): 626-647. https://doi.org/10.1016/0016-3287(94)90034-5 

[53] Ozawa, H., Ohmura, A., Lorenz, R.D., Pujol, T. (2003). The second law of thermodynamics and the global climate system: A review of the maximum entropy production principle. Reviews of Geophysics, 41(4). https://doi.org/10.1029/2002RG000113 

[54] Begon, M., Townsend, C.R. (2021). Ecology: From Individuals to Ecosystems. John Wiley & Sons.

[55] Nielsen, S.N., Müller, F., Marques, J.C., Bastianoni, S., Jørgensen, S.E. (2020). Thermodynamics in ecology—An introductory review. Entropy, 22(8): 820. https://doi.org/10.3390/e22080820

[56] Steinborn, W., Svirezhev, Y. (2000). Entropy as an indicator of sustainability in agro-ecosystems: North Germany case study. Ecological Modelling, 133(3): 247-257. https://doi.org/10.1016/S0304-3800(00)00323-9 

[57] Martyushev, L.M., Seleznev, V.D. (2006). Maximum entropy production principle in physics, chemistry and biology. Physics Reports, 426(1): 1-45. https://doi.org/10.1016/j.physrep.2005.12.001 

[58] Huysman, S., Sala, S., Mancini, L., Ardente, F., Alvarenga, R.A.F., De Meester, S., Mathieux, F., Dewulf, J. (2015). Toward a systematized framework for resource efficiency indicators. Resources, Conservation & Recycling, 95: 68-76. https://doi.org/10.1016/j.resconrec.2014.10.014

[59] Georgescu-Roegen, N. (1966). Analytical Economics: Issues and Problems. Harvard University Press.

[60] Georgescu-Roegen, N. (1971). The Entropy Law and the Economic Process. Harvard University Press.

[61] El-Sayed, Y.M. (2013). The Thermoeconomics of Energy Conversions. Elsevier.

[62] Ayres, R.U. (1998). Eco-thermodynamics: Economics and the second law. Ecological Economics, 26(2): 189-209. https://doi.org/10.1016/S0921-8009(97)00101-8

[63] Ayres, R.U. (2002). Exergy flows in the economy: Efficiency and dematerialization. In A Handbook of Industrial Ecology, p. 185. https://doi.org/10.4337/9781843765479

[64] Wall, G. (1988). Exergy flows in industrial processes. Energy, 13(2): 197-208. https://doi.org/10.1016/0360-5442(88)90046-1

[65] Lozano, M.A., Valero, A. (1993). Theory of the exergetic cost. Energy, 18(9): 939-960. https://doi.org/10.1016/0360-5442(93)90006-Y

[66] Santarelli, M., Borchiellini, R., Massardo, A. (2000). A carbon exergy tax evaluation based on the efficient use of energy resources: A case study. International Journal of Thermal Sciences, 3(3): 129-145. https://dergipark.org.tr/en/pub/ijot/issue/5737/76591

[67] Santarelli, M., Massardo, A.F., Borchiellini, R. (2003). Carbon exergy tax (CET): Its impact on conventional energy system design and its contribution to advanced systems utilization. Energy, 28(7): 607-625. https://doi.org/10.1016/S0360-5442(02)00179-2

[68] Santarelli, M. (2004). Carbon exergy tax: A thermo-economic method to increase the efficient use of exergy resources. Energy Policy, 32(3): 413-427. https://doi.org/10.1016/S0301-4215(02)00224-5

[69] Haywood, R.W. (1974). A critical review of the theorems of thermodynamic availability, with concise formulations. Journal of Mechanical Engineering Science, 16(3): 160-173. https://doi.org/10.1243/JMES_JOUR_1974_016_030_02

[70] Wall, G. (1993). Exergy, ecology and democracy: Concepts of a vital society or a proposal for an exergy tax. In International Conference on Energy Systems and Ecology, Krakow, Poland. https://www.exergy.se/ftp/eed.pdf.

[71] Trancossi, M., Pascoa, J., Catellani, T. (2023). Exergy, ecology, and democracy–concepts of a vital society or a proposal for an exergy tax 30 years after, part 1–generalities. Thermal Science, 27(2B): 1337-1353. https://doi.org/10.2298/TSCI220907019T

[72] Trancossi, M., Pascoa, J., Catellani, T. (2022). Exergy, ecology, and democracy–concepts of a vital society or a proposal for an exergy tax 30 years after, part 2–exergy and UN sustainable development goals. Thermal Science, 27(3B): 2359-2375. https://doi.org/10.2298/TSCI220907020T

[73] Szargut, J. (2002). Application of exergy for the determination of the pro-ecological tax replacing the actual personal taxes. Energy, 27(4): 379-389. https://doi.org/10.1016/S0360-5442(01)00092-5

[74] Sciubba, E. (2001). Beyond thermoeconomics? The concept of extended exergy accounting and its application to the analysis and design of thermal systems. Exergy, an International Journal, 1(2): 68-84. https://doi.org/10.1016/S1164-0235(01)00012-7

[75] Rocco, M.V., Colombo, E., Sciubba, E. (2014). Advances in exergy analysis: A novel assessment of the extended exergy accounting method. Applied Energy, 113: 1405-1420.

[76] Repetto, R. (1987). Economic incentives for sustainable production. The Annals of Regional Science, 21: 44-59. https://doi.org/10.1007/BF01287282