© 2025 The authors. This article is published by IIETA and is licensed under the CC BY 4.0 license (http://creativecommons.org/licenses/by/4.0/).
OPEN ACCESS
In this study, a spark-ignition engine will be used to examine the impact of differences in compression ratios (CR) on its performance, fuel consumption, and emissions. The study entailed setting the compression ratio variable by altering the thickness of the cylinder head gasket to CR 8.01 and 9.37 and tested the performance of the engine at several speeds (1500-3500 RPM). Important parameters—brake specific fuel consumption, brake thermal efficiency, unburned hydrocarbons, carbon monoxide, carbon dioxide, oxygen, and nitrogen oxides—were studied. The findings indicate that enhancing CR enhances both the fuel efficiency in the engine and a decrease in fuel utilization per unit of power delivered, especially at a higher engine speed. Nevertheless, increased CRs result in an upsurge in the NOx emissions because of the increase in the combustion temperatures. As the study shows, the higher the CRs are, the more efficient the combustion process is expected to be, which minimizes the production of HC and CO gases but increases the amount of NOx produced. The results indicate that an increase in compression ratio has the benefit of improving the engine's performance and fuel economy but also poses a challenge in their emissions, specifically NOx. Therefore, optimal design of CR is important in prioritizing the concept of future engine design to achieve a balance between performance technologies and emission control technologies.
compression ratio, spark-ignition engine, engine efficiency, fuel consumption, emissions reduction, thermal efficiency, fuel economy, emission control technologies
Compression ratio (CR) is an imperative parameter in internal combustion engines, especially in spark-ignition engines, where it largely affects the power output, fuel consumption, and emissions of the engine. The CR is the ratio of the volume of the combustion chamber with the piston in the bottom of its stroke and the volume of the cylinder with the piston in the top. When the CR is raised, it tends to improve thermal efficiency because it enables the engine to derive more power out of the same quantity of fuel; this raises fuel economy. Nevertheless, greater CRs also are likely to raise combustion temperatures, leading to an increase in emissions, especially nitrogen oxides (NOx), so the optimization of this parameter is a fine balancing act. The way to optimize the CR is related to the volume of the combustion chamber and the adjustment of various parts like the cylinder head gasket. The amount of the volume in the combustion chamber can be altered by adjusting the gasket's thickness to reach a desired CR. To not only experience high performance in the engine but also to reduce the emission of harmful products like CO, HC, and NOx, among others, which are the worst pollutants of internal combustion engines, it is necessary that an optimum CR be obtained. This involves taking into consideration some factors such as engine design, the fuel being used, as well as the condition in which that engine is being put to use, and these should be done very carefully since here the aim is to maximize the efficiency of the engine as a whole and yet at the same time achieve environmental standards.
1.1 Compression ratio and engine performance
The CR is crucial in the performance, fuel consumption, and thermal efficiency of Spark Ignition (SI) engines. An increase in the CR usually increases the efficiency of the engine because it enhances the thermal efficiency, which will improve the consumption of the fuel and the rise in power. Raji et al. [1] studied the effect that different CRs have on SI engine performance and emissions. Their results stated that the rise of the CR provided a reduction in the brake-specific fuel consumption (BSFC) and an increase in the brake thermal efficiency (BTE) with an increase in the emissions of NOx. Likewise, Ahmed et al. [2] were preoccupied with the enhancement of the CR at a single-cylinder SI engine. They found that increasing CRs, especially in the region of 8.7, culminated in a 13 percent increase in BTE and an 11 percent decrease in BSFC, which meant that CR is positive concerning the engine performance. Sakthivel et al. [3] further investigated the impacts of CR and spark timing on the performance/emission of a two-wheeler engine with an ethanol-gasoline mixture (E30). Their findings illustrated that enhancement of CR translated to an improvement in performance parameters but at the same time increased NOx emissions. As Phuangwongtrakul et al. [4], other authors also examined the effect of different CRs on the fuel consumption and emissions in spark-ignition engines when supplied with an ethanol-gasoline mixture. Analyzing the issue thoroughly, Balki and Sayin [5] investigated the impacts of CR on the performance and emissions of ethanol- and methanol-fueled engines and gasoline-fueled engines and paid special attention to the role of the fuels and CR in the process of combustion. Further, the above assertion was also substantiated by the experimental as well as numerical studies of Wu et al. [6] and Duan et al. [7], who affirmed that different CRs directly affect the fuel economy and the exhaust emissions, where higher CRs enhance performance and, at the same time, increase some emissions, particularly at high engine loads.
1.2 Emissions and compression ratio optimization
Optimization of the CR of SI engines contributes to, besides enhancing fuel consumption and performance, the reduction of harmful emissions, including nitrogen oxides (NOx), carbon monoxide (CO), and hydrocarbons (HC). Although raising CR may result in engine performance improvements through an improved thermal efficiency and a decrease in BSFC, it will also cause a rise in combustion temperatures, and this may produce increased NOx emissions. In dealing with this problem, the following baseline solutions have been put forward: exhaust gas recirculation (EGR), alternative fuels, and additives. Al-Gburi et al. [8] looked at the potential of EGR to lessen the negative impacts of increased CRs. Their paper has proven that EGR was successful in reducing NOx emission levels and increasing BTE. The findings had indicated that at optimal EGR rates, the engine might not run efficiently with large increments of emissions. Moreover, Al-Gburi et al. [9] addressed the effect of the engine performance and exhaust gases with different biodiesel fuel mixtures. Their results indicated that increased concentration of biodiesel in the fuel mixture lowered the emissions of CO₂ and CO and raised that of NOx. The other research, such as Rakopoulos et al. [10] and Porpatham et al. [11], has also exhibited that, by adjusting CR, both realms of engine performance and emissions can be optimized when combined with alternative fuels like biogas or biodiesel. The constant research shows that a healthy combination of strong and new methods of optimizing CR (concentrated on emission reduction methods and usage of other fuel sources) is necessary to create a system suitable for sustainable engine performance.
1.3 Alternative fuels and biofuels impact on performance and emissions
The alternative fuel, including biodiesel, ethanol, methanol, and hydrogen, is now a necessary research topic in improving the performance and decreasing the emissions of the SI engines. These fuels can be more sustainable than the traditional gasoline and can play major roles towards the combustion process in partnership with the fluctuation of the combustion ratios. The aim of the study by Sakthivel et al. [12] was to establish the ideal mixing ratio of ethanol fuel-gasoline in SI engines. They discovered that a reorganization of the composition of the fuel blends and well-timed CRs resulted in better engine performance and the decrease of emissions, mostly of the CO and CO₂ that are dangerous greenhouse gases. Al-Gburi et al. [8] investigated how the biodiesel fuel blends affect the performance and emissions of the engine. Their research showed the increased biodiesel concentrations do not only decrease the emission of CO₂ and CO gases, but they also enhance engine efficiency, particularly under high CRs. It was, however, pointed out that an increase in biodiesel usage may raise the level of NOx, a factor that poses a challenge of trying to calibrate the advantages of using biodiesel and controlling the emission. Balki and Sayin [5] also examined the reaction of CRs with other types of fuel, such as ethanol-methanol and unleaded gasoline. The reason is that higher CRs improve combustion efficiency in such engines that use such fuels, but the effect on emissions differed with the type of fuel used. The work by Senthil et al. [13] also explored the effect of CR and timing of injection on the performance of Annona methyl ester biodiesel to find out that optimization of these parameters could result in the reduction of the emissions and improved quality of engine work. In the same finding, Porpatham et al. [11] investigated the influence of CR on biogas-fueled SI engines and realized that higher CRs of biogas could be used as an alternative fuel to conventional ones, clean and efficient. Generally, these studies can show that the use of the alternative fuels, especially when combined with ideal CRs, may see a substantial performance produced by the engine, besides contributing to a lesser emission of harmful gases.
1.4 Nanotechnology and additives in combustion chambers
Nanotechnology has also appeared to be a very exciting solution to improving the performance of an engine and minimizing harmful emissions, especially with the use of optimized CRs. Al₂O₃ nanoparticles have been reported as one of the most studied and effective additives in the context of enhancing engine performance, optimizing BSFC, and reducing carbon oxide (CO), hydrocarbon (HC), and nitrogen oxide (NOx) emissions. The work of Ghadhban et al. [14], is an experimental study of the effect of Al substitutes on the efficacy and emissions of a four-stroke diesel engine or natural gas compressor. They discovered that the incorporation of Al₂O₃ nanoparticles brought significant engine performance enhancement because BTE was increased and the BSFC was lowered by 3.4%. Also, the amounts of the CO, HC, and NOx emissions were cut by 13%, 16.9%, and 28.8%, respectively, which goes on to show that nanoparticles as an additive fuel have the potential of reducing the environmental effects of a gas engine. Conversely, Sakthivel et al. [12] investigated the effect of the use of different CRs and spark timing on how engines that used an ethanol-gasoline blend performed and the emissions produced. Although nanoparticles are not the centerpiece of their study, it demonstrated the significance of achieving the combination of the proper CR and the use of progressive fuel formulations to maximize both the performance and emissions. The impact of ethanol-gasoline blends on the performance of SI engines was also explored by Phuangwongtrakul et al. [4] with a particular note to the fact that such blending connections with such engine variables as the CR may be used to increase combustion efficiency. Moreover, Hussein et al. [15] discussed the applications of the finite element analysis (FEA) in order to model the dynamics of engine parts under dynamic thermal and mechanical overload. Their observations present the importance of engine component optimization in combination with the use of advanced fuel additives similar to nanoparticles to enhance the reliability and performance of the engines across diversity in operational conditions.
1.5 The future of engine design and compression ratio research
It does not require much containment to state the future of engine engineering, especially in terms of improving engine CRs, will largely depend on fuel efficiency and emissions. Scientists are still searching for new methods and technologies to improve the performance of engines and remain green. In the article by Wu et al. [6], a numerical and experimental study of the impacts of CRs on fuel economy and the levels of exhaust emissions in spark-ignition engines was performed. In their study, the researchers pointed out how such an approach would be invaluable in striking the balance between the performance and the environmental sustainability, whereby the difference in the CR could provide dramatic results in terms of fuel economy without necessarily skyrocketing the emissions. In a similar vein, Duan et al. [7] have gone more in-depth by investigating the role of CR and spark timing on the performance and emission of a lean-burn heavy-duty SI engine powered with methane. They focused their study on how these factors can be maximized to perform better and at the same time to have a minimum carbon footprint in heavy-duty use. Another prospective avenue of engine design is Homogenous Charge Compression Ignition (HCCI) technology, which is a hybrid technology that exploits the advantages of compression-ignited engines and the low emissions of SI technology. The article by Wang et al. [16] has looked into Spark Induced Compression Ignition (SICI) in HCCI gasoline engines and its potential role in ensuring higher fuel efficiency and reduced emissions through optimization of the CRs of HCCI engines. Calam et al. [17] also explored the effect of CR on HCCI engines and concluded that CR is significant in the combustion process and exhaust emissions. These works are an indicator of the increasing need to introduce new technologies, including HCCI, and other solutions, like EGR and hydrogen gases, to maximize the CR and transition to more environmentally friendly and fuel-efficient engines.
1.6 Comparative studies of mathematical and experimental analysis
In order to obtain insight into the effect of different CRs on the engine performance and emissions, a set of both experimental and modelling methods should be applied to the task. Such experiments provide valuable information on the correspondence of theoretical expectations and practical data and allow optimizing engine characteristics. Rakopoulos et al. [10] placed a large study by integrating numerical and experimental tools to explore the impact of changing CR on the combustion and emissions in a high-speed spark engine. Their quasi-dimensional modeling of combustion has helped to thoroughly analyze the characteristics of combustion and exhaust fumes, as it was confirmed that the combustion could improve with CR. When increasing CR, there is improved combustion, but then there are increased exhaust emissions, especially NOx. The scientific article demonstrates the effectiveness of numerical simulation as a supplement to the results of experiments when engine designs with different CR are enhanced. On the same note, Yücesu et al. [18] to compare the operation of spark-ignited engine with ethanol-gasoline blended fuel conducted an experimental analysis. They had used both the mathematical models and the experimental tests in determining the consequences linked with using different CR on fuel use and emissions. The findings highlighted that with increased CR there was an increase in engine performance, but with an increase in HC and CO fumes that could be reduced by engine parameter fine-tuning. Leone et al. [19] went further to discuss the effect of CR, fuel octane rating, and ethanol fuel fraction in the fuel mixture on the efficiency of a spark-ignition engine. The purpose of their study was to complement the point that ideal CR with greater ethanol content is more fuel-efficient and emits less, and this should act as a moderate approach to future engine design. The studies highlight the significance of such an experimental and numerical combination aimed at coming out with more efficient and environmentally friendly engines.
The primary objective of this research is to achieve the optimal CR in a spark-ignition internal combustion engine. The CR is changed by altering the size of the combustion chamber and the thickness of the gasket (cylinder head gasket) to achieve optimal efficiency, reduce fuel consumption, and minimize harmful emissions.
The impact of the variation of CR on engine emission and performance has already been examined at length in previous researches. Raji et al. [1] have shown that raising CR leads to decreasing fuel consumption with respect to the brake specific fuel consumption (BSFC) and an increase of the BTE but, at the same time, it results in an elevation of NOx emissions. Likewise, Ahmed et al. [2] and Sakthivel et al. [3] identified the effects of CR changes and alternative fuels mixtures, where the efficiency and emissions should be balanced.
Although the scope of earlier studies is significant, most of studies have concentrated on high-displacement engines or alternative fuel types with little emphasis on reasonable feasible engine types that are cost effective and applicable to small air-cooled SI engines. Moreover, the majority of the previous studies lack a high-resolution experimental study that focuses on a wide scale of engine speeds with simple to replicate procedures and variable increments of CR.
The particular novelty of this work is in the use of gasket-based CR adjustment to investigate the effects of varying CR between a minimum of 8.01 and maximum of 9.37 in a small scale, air-cooled single cylinder SI engine. The method is an emulation of the practical, available tuning approaches that assume no significant redesign, nor expensive instrumentation, of the engine. The experimental analysis comprises a detailed analysis of the performance and emissions-BSFC, BTE, HC, CO, CO2, O2, and NOx-over a broad RPM range (1500 to 3500) which was not performed in much detail in prior studies.
In contrast to the expensive or advanced alterations discussed in other literature/reports (i.e. Wu et al. [6]; Duan et al. [7]), this study focuses on low-frequency, high-performance refinements to enhance the efficiency of the combustion process under more common engine settings. The results will guide the academic community as well as in a practical sense when calibrating the engines, particularly at small-scale low cost application such as in the agriculture and transport industry, and in making applications in developing countries.
2.1 Objective and approach
The overall objective would be to identify the best option of the CR in a spark-ignition engine with the aim of maximizing the engine's performance, decreasing fuel consumption, and minimizing the harmful emissions (NOx, CO, HC). The CR is changed in the research by adjusting the combustion chamber size and the thickness of the cylinder head gasket. The objective is to note the effect of these adjustments on engine performance and emissions.
2.2 Experimental setup
Engine selection: The experiments make use of a common spark-ignition engine. The motor characteristics are 6.5 hp, CR 8.5:1, volume of the combustion chamber 196 cm³, and other conventional motor indicators.
CR adjustment: CR is varied through alternations in the thickness of the cylinder head gasket. The change of the volume of the combustion chamber will lead to a change in the CR directly.
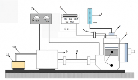
Figure 1. Photo of the test rig
1-Engine 2-Carburetor 3-Fuel measurement 4-Gas analyzer 5-Exhaust pipe 6-Sensor tube 7- Control panel 8-Drive shaft 9-Dynamometer 10- Water pipe 11-Water pump
Figure 2. Schematic diagram of the test rig
The rig used in the experiment shown in Figures 1 and 2 is to investigate the experimental effects of different CRs on the consumption of fuel and emissions in a SI engine. This arrangement has a number of devices crucial in testing the performance and pollution of the engine. The engine (1) lies at the core of the system and comes in combination with a carburetor (2) that controls the amount of fuel to be ingested. Consumption of the fuel is recorded using the fuel measurement system (3), where the exhaust gases are analyzed using the gas analyzer (4) attached to the exhaust pipe (5). There are the following parameters being observed and changed in the experiment: the sensor tube (6) and the control panel (7). The drive shaft (8) takes the mechanical output of the engine, and the dynamometer (9) reads torque and power output. The system is provided with a water pump (11) and a water pipe (10) to cool the brake power (dynamometer) in order to keep it cool. The experimental rig will be used to control and measure such indicators of important engine performance as brake power (BP), thermal efficiency, BSFC, and emissions levels that are essential in determining the effectiveness of CR variation on the engine efficiency and the environmental performance.
Figure 3 utilizes the five gaskets used in experimental tests, and the sixth one is for calibration. The basic thickness of the engine is 1 mm; the thickness of the engine is less than the basic thickness, 0.25 mm; and the thickness of the engine is greater than the basic thickness, 1.5 mm. The first aim of the conducted research is to have the best possible CR in a spark-ignition internal combustion engine. Compression and the ratio it is subjected to are being socialized by adjusting the cavity of the combustion chamber and the thickness of the gasket (cylinder head gasket) in order to be as efficient as possible and to improve the consumption rate and to result in minimum and harmful emissions. Figure 2 represents the gaskets used in the experiment. Table 1 shows the CRs for each thickness.
Figure 3. Cylinder head gasket
Table 1. Thickness and CR
Thickness |
Compression Ratio |
0.25 mm |
9.37 |
0.5 mm |
9.06 |
1 mm |
8.5 |
1.25 mm |
8.24 |
1.5 mm |
8.01 |
2.3 Fuel selection
To examine how different types of fuel (gasoline) affect engine performance and emissions, they are used. The experiment compares the effect of these types of fuels on efficiency and emissions when they are used with varying CRs. The characteristics of gasoline are shown in Table 2.
Table 2. Characteristics of gasoline
Gasoline |
Property |
$C_6 H_6$ |
Formula (liquid) |
720 |
Density $\left(\mathrm{kg} / \mathrm{m}^3\right)$ |
44000 |
Heat Value (kJ/kg) |
90 |
Octane number |
2.4 Data collection
Engine Performance Metrics: Several CRs are recorded, including brake power (BP), BTE, and BSFC. The characteristics of the engine are shown in Table 3.
Table 3. Characteristics of engine
The Model |
$\mathbf{G} \times \mathbf{2 0 0}$ / China |
Maximum Power |
6.5 hp |
Compression Ratio |
8.5: 1 |
Bore × Stork |
68 × 54 mm |
Displacement Volume |
196 cm3 |
Cooling System |
Air - cooling |
Fuel System |
Carburetor |
Fuel Type |
Gasoline |
Fuel Type Capacity |
3.6 liter |
Emission Measurements: A gas analyzer is used to measure emissions such as nitrogen oxides (NOx), carbon monoxide (CO), etc.
Fuel Consumption: A fuel measurement system is used to measure the fuel consumption to determine the brake specific fuel consumption (BSFC).
2.5 Equation setup for calculations
Engine performance and emissions consider important parameters in the following equations:
CR [1]:
$C R=\frac{V_s}{V_c}+1$ (1)
where:
$V_s=$ Swept volume $\left(\mathrm{cm}^3\right)$
$V_c=$ Clearance volume $\left(\mathrm{cm}^3\right)$
Gasket Volume (Vg) [3]:
$V_g=\frac{\pi\left(D_g\right)^2}{4} \times T_g$ (2)
where:
$V_g=$ Volume of the gasket $\left(\mathrm{cm}^3\right)$
$D_g=$ Inner diameter of gasket (cm)
$T_g=$ Thickness of gasket $(\mathrm{cm})$
Brake Thermal Efficiency $\left(\boldsymbol{\eta}_{\text {b.th }}\right)$ [4]:
$\eta_{b . t h}=\frac{B_P}{\dot{m}_f \times L . H . V}$ (3)
where:
$B_P=$ Brake power $(\mathrm{kW})$
L.H.V. = Low heating value of fuel (kJ/kg)
Brake Specific Fuel Consumption (BSFC) [1]:
$\mathrm{BSFC}=\frac{\dot{m}_f}{B_p} \times 3600$ (4)
where:
BSFC = Brake specific fuel consumption (kg/kW.hr)
Brake Power (BP) [1]:
$B_P=\frac{2 \pi \times N \times \tau}{60 \times 1000}$ (5)
where:
$N=$ Engine speed $(\mathrm{rpm})$
$\tau=$ Torque $(\mathrm{N} . \mathrm{m})$
2.6 Experimental procedure
The change of gasket thickness changes the value of CR, and the engine is run at varying values of CR. Brake power is also measured, as are the thermal efficiency and percentage fuel consumption at different speeds. A gas analyzer is used to monitor emission, and measured are concentrations of NOx, CO, HC, CO2, and O2. The procedures are:
2.7 Data analysis
The information gathered is evaluated to indicate some correlation of CR, engine performance, and emissions. Comparison of the results is done to find the ideal CR that combines performance, hot fuel efficiency, and emissions.
One-way ANOVA of the CR was run on the model of linear regression with CR and engine speed as predictors. The outcomes reveal high predictive performance of all parameters measured with the R2 values above 0.93 in the case of NOx, CO, HC, O2, and CO2. This helps in the consistency and explanatory capability of the data patterns. The highest percentage increase in HC and CO was registered at high CR, the two together correlated strongly to CR and engine speed (R2 = 0.960). Table 4 shows regression summary of all of experiment parameters. Both the models compute the output (e.g., NOx, CO2, BSFC, etc.) to be a function of CR and Engine Speed (RPM).
Table 4. Key regression insights
Parameter |
R² Score |
Interpretation |
NOx |
0.972 |
Strong correlation; NOx increases sharply with both RPM and CR. |
O₂ |
0.972 |
Inverse relationship with CR; higher RPM also influences O₂ levels. |
CO₂ |
0.934 |
Good fit; CO₂ increases with CR, but less steeply than NOx. |
CO |
0.951 |
Strong inverse correlation with CR, showing better combustion at high CRs. |
HC |
0.958 |
Strong inverse correlation; higher CR reduces unburned hydrocarbons. |
3.1 Engine speed vs. efficiency
The impact of different CR on the efficiency (Eff) and the engine performance under different engine speeds (N in rpm) has been examined. The data display indicates how efficiency is affected when the compression ratio is varied, and it is vital to point out how engine speed (N) is related to its efficiency (Eff) at different CRs.
As shown in Figure 4, efficiency (Eff) of the engine indicates a definite correlation with engine speed (N), which is measured at varied CRs. As noted in the data, the efficiency usually varies in line with ever-rising engine speed. At smaller CRs (e.g., CR 8.01), then the efficiency is lower over the engine speed range, and this can be explained by the fact that the combustion process is less effective at smaller CRs. In particular, the efficiency of CR 9.37 was 0.258 at 1500 rpm in comparison to the efficiency at CR 8.01 (0.1750).
Figure 4. Engine speed vs. efficiency
A trend that appears as the rate of increasing the engine speed is an increasing efficiency of higher CR. As an instance, at 3500 rpm, the efficiency of CR 9.37 was comparatively more than that of CR 8.01. The data indicates that the efficiency values are generally always higher with higher CRs (e.g., CR 9.37 and CR 9.06) at various engine speeds (N), with 0.2580 at 1500 rpm being higher when compared to CR 8.01, and suggests that the engine performs better when the CR is high.
This is because, as CRs are steadily increased, there is an efficient result in the engine, particularly at higher speeds of the engine. The increased combustion process observed at increased CRs results in complete fuel combustion, which helps in increased performance and the minimized usage of fuels in the production of a unit of power. Once again, the rate of change in efficiency declines with engine speed; there is not always a linear proportional increase in efficiency with an increase in CR.
It is vital to be able to know the connection between engine speed and efficiency to know how the engine reacts to different circumstances. Efficiency (especially where CR is low) can generally be expected to reduce gradually as engine speed (N) rises. E.g., at 2000 rpm, the efficiency of CR 9.37 was 0.2715 and the efficiency of CR 8.01, 0.2088. The efficiency was slightly reduced as engine speed further increased to 3500 rpm, and this time it was at CR 9.37, which was 0.1583, and at CR 8.01 efficiency was 0.3012, which was also low as compared to the greater CR value.
3.2 Engine speed vs. brake specific fuel consumption
This work examines how the change in CRs (CR) affects the Brake Specific Fuel Consumption (BSFC) at different engine speeds (N in rpm). Figure 5 clearly indicates the number of adjustments and BSFC as the engine speed changes, various CRs, and two comparisons that indicate how BSFC changes against N at every single CR.
The correlation between engine speed (N) and Brake Specific Fuel Consumption (BSFC) shows significant information on how the engine uses and consumes fuel in relation to various ratios of compression. The BSFC is seen to have increased at higher engine percentages, yet the proportion of increase differs with the CR.
At low engine speeds like 1500 rpm, the BSFC of engines with higher CRs (e.g., CR 9.37) is lower than those of lower CRs (e.g., CR 8.01). The disparity in BSFC is furthermore greater at higher engine velocities, and higher CRs tend to be more fuel-economical.
As an example, the BSFC of engines with CR 9.37 was lower than that of engines with CR 8.01 at 3500 rpm, which means that higher CRs enable better use of fuel as the engine speed goes up. This trend is because as the CR increases, there is the inherent improvement in efficiency, which assists in lowering the fuel consumption over the unit power generated at different operating speeds.
As can be illustrated in Figure 5, there is an evident correlation between engine speed and BSFC at varying CRs. As can be seen, the higher CR engines displayed the greater performance in terms of the more efficient performance when observing lower BSFC at most engine rotational speeds.
Figure 5. Engine speed vs. brake specific fuel consumption
3.3 Engine speed vs. unburned hydrocarbons
In this section, the impact of engine speed (N in rpm) on the production of Unburned Hydrocarbon (HC) is examined because the influence of the engine speed on HC, however, depends on different CRs. The displayed data demonstrates the changes in HC emissions according to engine speed and CR, giving insights into the combustion process itself and the efficiency of the fuel use.
Dependence of HC emissions on speed of engine (N) exhibits a definite pattern at the various CRs. With an increase in engine speed, HC emissions are likely to drop at high compression rates. Nevertheless, the engines of lower compressions (e.g., CR 8.01) always emit more HC, according to which they are unable to have complete combustion.
Engines with a high CR ratio (CR 9.37) produced the minimum amount of HC emission, as low as 50–60 g/km at lower engine speeds (e.g., 1500 rpm), and engines with a low CR (CR 8.01) had much higher HC emissions, reaching more than 200 g/km.
When the engine was run at a speed of 2000 rpm and above, the trend was the same. High levels of CRs developed a good combustion efficiency and thus reduced HC emissions. The information is categorical that at 3500 rpm engines carrying CR 9.37 still have the least HC emissions, proving the validity of having higher CRs to minimize the unburned hydrocarbons.
These trends are shown graphically in Figure 6, where the HC emissions are plotted against engine speed (N) at each of the CRs. The data on the frequency of the combustion process indicates that the CR needed is higher to have the better release of unburned hydrocarbons.
Figure 6. Engine speed vs. hydrocarbons
3.4 Engine speed vs. concentration of carbon monoxide
In this section, the correlation between engine speed (N in rpm) and concentration of the carbon monoxide (CO) emissions is studied at different values of the CR. The information illustrates the behavior of CO emissions about engine speed and CR that presents a deeper understanding about the combustion process and fuel efficiency.
There is a common tendency in the connection between engine speed (N) and the amounts of CO emissions with various CRs. Most of the CR results have shown that there is an increase in CO emissions with the increasing engine speed, though the extent of the increase differs across the various CRs.
Engines with a high CR (e.g., CR 9.37) emitted the lowest CO emissions at lower engine speeds; e.g., at 1500 rpm the CO emission was near 0.5 g/km, whereas the CO emission by engines with a low CR (e.g., CR 8.01) was a lot, reaching more than 2.0 g/km.
The pattern did not change even as the engine rpm went higher to 2000 and above. Higher compressed ratio engines (CR 9.37) still emitted less CO than their lower compressed ratio ones. With an engine rpm of 3500, the engines with a CR of 9.37 had the best CO emissions, a factor that justifies the use of high CRs in minimizing the generation of carbon monoxide.
These trends are graphically plotted in Figure 7 at different speeds of the engine (N) against the CO emissions at the various CRs. The information indicates that the greater the rate of compression, the more efficient the combustion will be, and this will trim down the CO emissions at different engine speeds.
Figure 7. Engine speed vs. carbon monoxide
3.5 Engine speed vs. concentration of carbon dioxide
In this section, attention is paid to dependent relationships between the engine speed (N in rpm) and concentration of the carbon dioxide (CO₂) emissions at different CRs. These data indicate that the CO₂ emission depends on engine speed and CR and give the possibility to acquire knowledge about the process of combustion and the whole fuel consumption.
The level of CO₂ emissions and engine speed (N) shows the efficiency of the combustion process at various CR levels. With the rising speed of the engine at hand, an upward trend is observed in the CO₂ emissions, and the higher the CR, the lesser the CO₂ emissions.
At medium engine speeds, say 1500 rpm, high CR engines (CR 9.37) had the highest CO₂ emissions, close to 12-13 g/km, whereas low CR ones (CR 8.01) had slightly lower levels of CO₂ emissions. The pattern was also observed as the engine speed heightened to 2000 rpm and above, where a decline in CO₂ emission was recorded with the higher CR engines.
Engines having a CR of 9.37 produced the lowest concentration of CO₂ (approximately 10 g/km) at 3500 rpm, whereas engines that had the low CRs (e.g., 8.01) had slightly higher CO₂ concentrations. This implies that the combustion process is optimized because at higher CRs the engine runs more efficiently, resulting in lower emission of CO₂ at high engine speeds.
These trends are shown graphically in Figure 8, wherein CO₂ emission is plotted against engine speed (N) at different CRs. The information indicates that increased CRs enhance efficient combustion, hence low CO₂ emission levels at different engine speeds.
Figure 8. Engine speed vs. carbon dioxide
3.6 Engine speed vs. concentration of oxygen
In this section, concerns will be done on the correlation between the engine speed (N in rpm) and concentration of oxygen (O₂) in the exhaust studied in different CRs. The measurements indicate the variation of O₂ emissions according to the engine speed and the CR, and they provide information on the efficiency of combustion and use of air-fuel mixture.
This correlation of engine speed (N) and O₂ emissions measures the efficiency of the engine on various CRs in its process of combustion. The higher the engine speed, the higher the O₂ concentration in the exhaust, with higher emission levels of O₂ having better CRs.
Engines with higher CRs (e.g., CR 9.37) have shown the highest O₂ emissions of approximately 6 g/km at a lower engine speed (e.g., 1500 rpm), whilst engines with lower CRs (e.g., CR 8.01) have shown slightly lower O₂ emissions.
The trend continued to persist as the engine was finally accelerated to levels of 2000 rpm and above. Continued ratios of higher compression and additional O₂ emissions (CR 9.37) were also observed, which means that increasing CRs leads to an increase in the efficiency of the combustion process, which in turn permits more oxygen in the exhaust. The table indicates that the more efficient engines are the ones with higher compressions that utilize air and fuel mixtures, with residual oxygen left in the exhaust.
Engines that had the highest emission of O₂ at 3500 rpm were again, in the case of CR 937, validating the significance of increasing the CRs in exacerbating efficient combustion. This alludes to the idea that optimal burning done at increased CRs leads to more units of fuel being consumed and an overall enhanced engine performance.
These trends can be visualized by Figure 9, where the concentration of O₂ was on the vertical and the engine speed (N) was on the horizontal axis along with each CR. The figures indicate that high-CRs are attributed to enhanced combustion efficiency and increased O₂ concentration at different engine speeds.
Figure 9. Engine speed vs. oxygen
3.7 Engine speed vs. emissions of nitrogen oxides
In the present section, the dependence between the speed of the engine (N rpm) and the emission of nitrogen oxides (NOx) is analyzed at different CRs. The recorded results indicate the relationship between the emission of NOx and the engine speed and CR and give an idea of combustion temperature and efficiency.
There is a relationship between engine speed (N) and the amount of NOx emissions, which exhibit a definite trend to varying degrees of CR. The higher the engine speed, the more NOx tends to be emitted, and in most cases, a higher CR results in more NOx emission.
Engines with higher CRs (e.g., CR 9.37) generated the maximum amount of emissions, with about 450–500 g/km at lower engine speeds, e.g., 1500 rpm, whereas engines with lower CRs (e.g., CR 8.01) showed much lower emission levels (e.g., 200 g/km).
With the engine post, reaching a speed of 2000 rpm and above, the volume of NOx emitted kept climbing too. In general, higher CRs (e.g., CR 9.37) that have higher emissions of NOx at every engine speed show that high temperatures of combustion on higher CRs promote the production of nitrogen oxides.
Engines having a CR of 9.37 gave the maximum emission of NOx at 3500 rpm and therefore demonstrate clearly that the higher the CR, the higher the combustion temperature, leading to an escalated amount of NOx emissions.
The trends of the above mentioned are visually presented in the following Figure 10, where NOx emissions are plotted in the form of the engine speed against the CR. The information pinpoints that the increasing levels of CRs enhance the performance of engines, but they enhance the levels of NOx emissions as well.
Although the results demonstrate that, a higher CR increases engine efficiency, NOx emissions, especially at high engine speeds are also noted to increase drastically. This will be the case since at the higher combustion temperatures the peak of temperatures, the thermal NOx will be formed. Nevertheless, to satisfy environmental regulations, viable NOx mitigation solutions have to be evaluated along with the optimization of CR.
The most popular improvement is the so-called EGR, where a part of the exhaust gases is circulated to the intake air to decrease the highest temperatures of combustion. Datasets of Hussein et al. [15] indicate that EGR is able to reduce high NOx levels that can even be enhanced by thermal efficiency of brakes at the most efficient rates. Likewise, TWCs are a vital part of spark-ignition mechanics and catalytically cut NOx, CO, and HC gases via oxidation and reduction methods, especially when the air-fuel transportation is close to a stoichiometric blend.
The synergistic effect of EGR and the blend of fuels typically was cited in a recent study by Rakopoulos et al. [10] and Al-Gburi et al. [9], which expounded how the two different systems could be used to lower NOx emissions without compromising engine output. Further ignition timing strategies and lean-burn combustion methods have also been developed to reduce in-cylinder temperatures and limit the formation of NOx.
Expanded work may involve the incorporation of EGR systems, the exploration of lean burn calibration, or the study of post-combustion treatment capabilities and relationships with the variable CR designs to find a good balance between emission controller and fuel economy.
Figure 10. Engine speed vs. nitrogen oxides
The current research determines the effects of different CRs on the performance, fuel consumption, and emissions of a spark-ignition engine. Such a study shows the full analysis of the effects of varying CRs on various engine characteristics, including efficiency, BSFC, unburned hydrocarbons (HC), carbon monoxide (CO), carbon dioxide (CO2), oxygen (O2), and nitrogen oxides (NOx). Because of findings, the following conclusions could be made:
1. The increase in CR usually enhances the efficiency of the engine. The engine is actually more thermally efficient at higher CRs (e.g., CR = 9.37), as can be seen at higher engine speeds. It determines the study that as CR increases, efficiency increases, but the rate at which it does so decreases as the engine speed increases, and therefore there are diminishing returns to higher engine speed.
2. As the CRs increase, the BSFC decreases to give a more fuel-efficient system. Engines with a higher CR (e.g., CR 9.37) consume less fuel to give the same amount of power than those with a lower CR (e.g., CR 8.01), and this is proof that an increased CR is more fuel-efficient. This improvement in fuel use is particularly apparent at greater engine speeds, where CR influences more.
3. The engines that have high CRs generate fewer unburned hydrocarbons (HC), which is a characteristic of complete combustion. The data proves that an engine works better at high CRs, which produces low HC. At less favorable CRs (e.g., CR 8.01), the process of combustion is not so efficient and emits more HC.
4. The increased CR will lead to low CO emissions. Given lower engine speeds (e.g., 1500 rpm), the higher the CR, the less the engine emits CO in the gases compared to engines with lower CRs, and thus the importance of higher CRs in enhancing efficiency in combustion and reducing the amount of CO produced.
5. CO₂ emissions tend to reduce during higher engine speeds at greater CRs. Even though engines with high CRs (e.g., CR 9.37) had high CO₂ emissions at low engine speeds (e.g., 1500 rpm), the slower the engine swept by the piston, the less its CO₂ emissions with higher CRs, implying that efficient combustion at high CRs leads to more efficient utilization of the fuel and to reduced CO₂ emissions.
6. It was established that the exhaust emissions of higher CR engines had increased concentrations of oxygen. The more the air-fuel mixture is used, the higher the degree of combustion; with higher engine speed comes the proportionately higher residual oxygen. Higher CR engines have increased O₂ concentration, which indicates that they are more efficient in combustion.
7. NOx emissions are higher when the compression is high, especially when the engine speed is high. The paper affirms that an increase in CR enhances engine performance and efficiency but also causes a rise in combustion temperature, thus leading to an increase in the generation of nitrogen oxides. This points out the trade-off between performance and emissions, and it gives the reason why proper emission control technologies are required.
As recommendations for the study, it is indicated that the fuel economy of spark-ignition engines can be augmented by optimizing the CRs to minimize the emissions. It suggests the utilization of high-level emission control technologies, synthetic fuels, hybrid technology, and the innovations of engine design. The effect of CR on performance may be comprehended with the aid of real-time engine monitoring systems. Emissions can also be reduced by conducting further studies about nanotechnology and superior lubricants. Variable CR engine calibration can increase efficiency and reduce emissions. Additional field-testing is required to get an idea about real-life implementation of such suggestions.
The prospective study needs to investigate combined approaches that help to counteract emission disadvantages of high CRs without losing their performance benefits. The use of nanotechnology is one potential area, especially metal oxide-based nanoparticles, particularly Al2O3, TiO2, and CeO2 that have shown promise in terms of enhancing BTE as well as reducing NOx, CO, and HC emissions.
An example is the study done by Ghadhban et al. [14] who used Al2O3 nanoparticles fuel additives in a 4-stroke engine and found that by doing so, BTE growth by 3.4 percent was observed and the emission of CO, HC, and NOx amount dropped by 13%, 16.9%, and 28.8 percent, respectively. These results are indicative of nanoparticles having a positive effect on both combustion efficiency and a decrease in pollutant formation through the promotion of more complete fuel oxidation.
Besides, enhanced lubricants (including nano-additives such as MoS2, graphene) can be used to further increase the stability of the engine thermally and decrease inefficiencies associated with friction. Hussein et al. [15] used a FEA model of how superior lubrication and first-rate battle material selection may be able to maximize heat and mechanical load bearing limits on engine sublimates and achieve safer operation with increased CRs.
These technologies provide cost effective and scalable emission reduction and performance increase in spark-ignition engines. Experimental work involving variable CR optimization using nanoparticle-enhanced fuels, and improved lubrication strategies would be of value in the effort to fully optimize the combustion systems.
[1] Raji, N.A., Kuku, R.O., Openibo, A.O., Owolabi, E.A. (2024). Influence of compression ratio on the performance characteristics of a spark ignition engine. Journal of Production Engineering, 27(1): 5-12. https://doi.org/10.24867/JPE-2024-01-005
[2] Ahmed, A.N., Obeid, Z.H., Jasim, A.H. (2018). Experimental investigation for optimum compression ratio of single cylinder spark ignition engine. Materials Science and Engineering, 454(1): 012003. https://doi.org/10.1088/1757-899X/454/1/012003
[3] Sakthivel, P., Subramanian, K.A., Mathai, R. (2020). Effects of different compression ratios and spark timings on performance and emissions of a two-wheeler with 30% ethanol-gasoline blend (E30). Fuel, 277: 118113. https://doi.org/10.1016/j.fuel.2020.118113
[4] Phuangwongtrakul, S., Wechsatol, W., Sethaput, T., Suktang, K., Wongwises, S. (2016). Experimental study on sparking ignition engine performance for optimal mixing ratio of ethanol–gasoline blended fuels. Applied Thermal Engineering, 100: 869-879. https://doi.org/10.1016/j.applthermaleng.2016.02.084
[5] Balki, M.K., Sayin, C. (2014). The effect of compression ratio on the performance, emissions and combustion of an SI (spark ignition) engine fueled with pure ethanol, methanol and unleaded gasoline. Energy, 71: 194-201. https://doi.org/10.1016/j.energy.2014.04.074
[6] Wu, X., Liu, K., Liu, Q., Fu, J., Liu, J. (2021). Effects of direct water injection timings on knock suppression, combustion, and emission performance of high compression ratio hydrogen-enriched natural gas engine. Energy Conversion and Management, 250: 114887. https://doi.org/10.1016/j.enconman.2021.114887
[7] Duan, X., Li, Y., Liu, J., Guo, G., Fu, J., et al. (2019). Experimental study the effects of various compression ratios and spark timing on performance and emission of a lean-burn heavy-duty spark ignition engine fueled with methane gas and hydrogen blends. Energy, 169: 558-571. https://doi.org/10.1016/j.energy.2018.12.029
[8] Al-Gburi, H., Al-Abbas, A.H., Mohammed, A.A. (2021). Experimental investigation of combustion characteristics and emission in IC engine by using recirculation of exhaust gases. Journal of Mechanical Engineering Research and Developments, 44(4): 329-336.
[9] Al-Gburi, H., Kareem, D.F., Hawas, M.N. (2022). Investigate the impact of biodiesel fuel blends on the characteristics of engine and releases of singlecylinder, four strokes. Frontiers in Heat and Mass Transfer, 18(1): 1-6. https://doi.org/10.5098/hmt.18.28
[10] Rakopoulos, D.C., Rakopoulos, C.D., Giakoumis, E.G., Kosmadakis, G.M. (2021). Numerical and experimental study by quasi-dimensional modeling of combustion and emissions in variable compression ratio high-speed spark-ignition engine. Journal of Energy Engineering, 147(5): 04021032. https://doi.org/10.1061/(ASCE)EY.1943-7897.0000780
[11] Porpatham, E., Ramesh, A., Nagalingam, B. (2012). Effect of compression ratio on the performance and combustion of a biogas fuelled spark ignition engine. Fuel, 95: 247-256. https://doi.org/10.1016/j.fuel.2011.10.059
[12] Sakthivel, P., Subramanian, K.A., Mathai, R. (2020). Experimental study on unregulated emission characteristics of a two-wheeler with ethanol-gasoline blends (E0 to E50). Fuel, 262: 116504. https://doi.org/10.1016/j.fuel.2019.116504
[13] Senthil, R., Silambarasan, R., Ravichandiran, N. (2015). Influence of injection timing and compression ratio on performance, emission and combustion characteristics of Annona methyl ester operated diesel engine. Alexandria Engineering Journal, 54(3): 295-302. https://doi.org/10.1016/j.aej.2015.05.008
[14] Ghadhban, S.A., Al-Gburi, H., Maid, I.W. (2024). Exploring experimentally Al2O3 nanoparticles impact on a four-stroke diesel engine's performance and emissions. International Journal of Heat and Technology, 42(6): 1994-2000. https://doi.org/10.18280/ijht.420616
[15] Hussein, T.N., Fareed, M.M., Al-Gburi, H. (2020). Modelling and finite element analysis for the engine cylinder head under nonlinear dynamic thermal mechanical loading. Journal of Mechanical Engineering Research and Developments.
[16] Wang, Z., He, X., Wang, J.X., Shuai, S., Xu, F., Yang, D. (2010). Combustion visualization and experimental study on spark induced compression ignition (SICI) in gasoline HCCI engines. Energy Conversion and Management, 51(5): 908-917. https://doi.org/10.1016/j.enconman.2009.11.029
[17] Calam, A., Solmaz, H., Yılmaz, E., İçingür, Y. (2019). Investigation of effect of compression ratio on combustion and exhaust emissions in A HCCI engine. Energy, 168: 1208-1216. https://doi.org/10.1016/j.energy.2018.12.023
[18] Yücesu, H.S., Sozen, A., Topgül, T., Arcaklioğlu, E. (2007). Comparative study of mathematical and experimental analysis of spark ignition engine performance used ethanol–gasoline blend fuel. Applied Thermal Engineering, 27(2-3): 358-368. https://doi.org/10.1016/j.applthermaleng.2006.07.027
[19] Leone, T.G., Anderson, J.E., Davis, R.S., Iqbal, A., Reese, R.A., Shelby, M.H., Studzinski, W.M. (2017). Correction to the effect of compression ratio, fuel octane rating, and ethanol content on spark-ignition engine efficiency. Environmental Science & Technology, 51(18): 10923-10923. https://doi.org/10.1021/acs.est.7b03991