© 2025 The authors. This article is published by IIETA and is licensed under the CC BY 4.0 license (http://creativecommons.org/licenses/by/4.0/).
OPEN ACCESS
The influence of occupant behavior and improper management practices on energy consumption in buildings is becoming increasingly significant with the decrease in the overall energy demand. The recent jump in smart meter technology opened new perspectives in monitoring occupant behavior and the poor management of air conditioning systems in buildings, allowing them to be used to refine energy consumption analysis and forecasting models. This paper describes the research activities carried out within the RSE 2024-25 High efficiency buildings for energy transition, aimed at implementing experimental data for monitoring indoor comfort in two public buildings in the municipality of Carbonia. Targeted measurement campaigns were conducted to evaluate electricity consumption in some residential and two public buildings. Primary energy consumption was instead estimated: for residential buildings, from sample interviews; for public buildings, from municipal administration billings and systems’ operating hours. The hourly data provided by Indoor Air Quality sensors allowed the validation of the results obtained. The results show that the most significant errors (over 42%) are in estimating the primary energy requirement for summer air conditioning, largely due to unrealistic efficiency data on the generation systems. The data have been correlated to the different construction typologies and related to the territorial energy mapping of interest.
energy models, occupant behavior, indoor comfort
Improving the energy efficiency of buildings is one of the main strategies for reducing energy consumption and lowering greenhouse gas emissions [1-3]. However, as highlighted by De Wilde [4], there is an increasing concern in the building industry about the persistent mismatch between predicted and measured energy performance, the so-called Energy Performance Gap (EPG), which can reach up to 2.5 times the expected energy use. The causes of this discrepancy are manifold, but one of the most significant is occupant behavior. As highlighted in research [5], users directly influence energy performance through their daily habits and the way they interact with the building and its systems. Recent investigations have quantitatively demonstrated that occupants’ operational patterns and adaptive behaviours can account for a substantial share of the energy performance gap—up to half of the deviation between predicted and measured consumption [6].
Over time, scientific literature has progressively shifted its focus from purely technical analyses of construction and system components to a broader consideration of human factors. Among all factors, occupant behaviour introduces the largest uncertainty into energy performance prediction, as it is difficult to capture the variability of human interaction with building systems [7]. Common practices such as window opening, use of heating and cooling systems, or artificial lighting can generate substantial variability in energy consumption, even among identical buildings [8], with differences in energy use of up to seven times between comparable housing units [9]. Moreover, recent research has extended occupant behaviour modelling from individual buildings to urban-scale simulations, confirming that behavioural diversity remains one of the main sources of uncertainty even when aggregated across multiple buildings [10].
One of the main challenges in accurately forecasting energy consumption lies in the difficulty of modeling human behavior. Traditional deterministic models, which assume fixed and repetitive usage patterns, have proven inadequate and may lead to deviations in peak loads exceeding 150% [11].
To address this issue, stochastic models are increasingly being adopted. These introduce variability and uncertainty into behavior simulation, yielding more realistic outcomes. For instance, study [12] demonstrates that using stochastic models can explain up to 30% of the observed variability in real energy consumption, thereby improving forecast accuracy. Similarly, Yan [13] provided a comprehensive methodological framework for integrating such models into energy simulations. Research by Mahdavi et al. [14] and Zheng et al. [15] confirmed that accurately representing the interaction between users and buildings is essential for reliable energy performance simulation. However, implementing these models in simulation software remains challenging due to the lack of reliable data, the high degree of individual variability, and the need for advanced technologies to collect and process such information. In this regard, Paone and Bacher [16] emphasized the growing importance of integrating IoT systems and artificial intelligence to enhance model calibration.
Another emerging issue is max maladaptation, namely the tendency of users to interact with the building in ways that contradict energy efficiency principles—often due to a lack of awareness or the absence of intuitive interfaces. This underscores the need for educational strategies and effective communication tools to promote more conscious energy use [17].
Alongside these established findings, some recent studies propose new interpretive perspectives. For example, Chen et al. [18] classified users into three categories—frugal, standard, and wasteful—demonstrating that the effectiveness of regulatory interventions can vary significantly depending on behavioral profiles. Xu et al. [19] offered an evolutionary overview of the main approaches adopted, highlighting the urgency of integrating user behavior into energy modeling. Bäcklund et al. [20] explored the context of university buildings, showing how the introduction of smart technologies and real-time feedback can positively influence energy-related behavior. Similarly, Guerra-Santin et al. [21] proposed the use of simple yet effective behavioral indicators to support energy diagnoses in data-scarce contexts.
In light of these considerations, the present study aims to contribute to the ongoing discussion by analyzing the influence of user behavior on the energy performance of a school building, evaluated through the classical quasi-steady-state approach. User behavior is estimated based on data from indoor air quality monitoring, gathered through in situ sensors and/or sensors deployed during specific measurement campaigns. The objective is to support the development of more effective strategies for energy simulation and management in school buildings, where behavioral heterogeneity can significantly amplify the gap between theoretical and actual performance.
The Sebastiano Satta school building was constructed in 1939 based on a design by architects Ignazio Guidi and Cesare Valle, as part of the urban development plan for the mining town of Carbonia. The school was located in the southern part of the settlement, marking the first expansion beyond the original urban core. Its construction was included in a broader development program aimed at equipping the city with the necessary infrastructure to accommodate the projected population growth: in fact, the first master plan envisioned increasing the population from the initial 12,000 residents to 50,000.
From an architectural standpoint, the building originally featured an L-shaped plan and volume configuration, typical of school buildings of that era. The layout was designed to ensure adequate natural lighting and ease of access to educational spaces. Over time, however, the structure underwent several expansions and internal reconfigurations, resulting in the current C-shaped layout.
At present, the building consists of two above-ground floors and a basement level, with a total floor area of approximately 4,300 m² (Figure 1). The main functional spaces include classrooms, laboratories, a library, a gymnasium, and administrative offices. The transformations carried out over time were driven by functional requirements and regulatory updates, which altered the original configuration while preserving some of the architectural features characteristic of the building’s period of construction.
Figure 1. Front view of S. Satta School
The original building core, constructed in 1939, consists of load-bearing masonry made of plastered stone with a thickness of 55 cm. Subsequent extensions were built using more recent construction techniques, characterized by thinner envelope layers. The external walls of the new portions are cavity brick walls with an interposed polystyrene insulation layer, having variable thicknesses of 10 cm and 6 cm. The roof surfaces are made of flat reinforced concrete slabs (laterocemento), without thermal insulation. The ground floor slab follows a traditional stratigraphy consisting of a ventilated crawl space (vespaio), a lean concrete layer (magrone), a lightweight screed, and a ceramic tile (gres) flooring.
The transparent envelope elements originally consisted of single-glazed monoblock aluminum window frames without thermal breaks. Shutters included uninsulated roller boxes and PVC roller blinds. All perimeter walls were plastered and finished with a textured exterior coating (graffiato).
The energy retrofit interventions carried out in 2013 included:
The energy efficiency upgrade also included the installation of new building systems. Originally, space heating was provided by an oil-fired boiler serving aluminum radiators. There were no systems in place for domestic hot water (DHW) production or cooling for summer air-conditioning.
Currently, both space heating and DHW production are provided by a high-efficiency hydronic heat pump rated at 101 kW, with a coefficient of performance (COP) greater than 4. Heat emission systems include traditional cast iron radiators in the classrooms, and hydronic fan coil units in office areas and educational laboratories. Summer cooling is available only in office areas, using the same HVAC system described above. This difference in cooling distribution requires the identification of two distinct thermal zones within the building. Additionally, the roof hosts a photovoltaic system composed of 61 panels, with a total installed capacity of 12.81 kW.
These interventions have led to a significant improvement in the building’s energy efficiency, resulting in a corresponding reduction in energy consumption.
The electrical consumption of the Sebastiano Satta school was measured using a network analyzer (FLUKE 1777/BASIC), a device typically employed for the automatic acquisition of power parameters and power quality indicators. In this case, the instrument was directly connected to the fiscal meter, allowing real-time monitoring of electricity withdrawals.
The Sebastiano Satta Comprehensive Institute in Carbonia was equipped with a set of sensors to monitor indoor air quality. This IoT-based sensor system enables the monitoring of temperature, humidity, air quality, energy consumption, lighting, and occupant presence. The sensors, from the Aircare Mini product line, are designed to measure air quality (TVOC, CO₂, PM2.5, PM10) and environmental comfort parameters (sound pressure level, illuminance, temperature, relative humidity, and atmospheric pressure).
The collected data are transmitted to a cloud platform that enables real-time visualization and tracking of the monitored parameters. The analysis of these sensor data—recorded at 5-minute intervals—provided useful information on actual occupancy levels in different areas of the building, as well as evidence of forced ventilation events due to window or door openings.
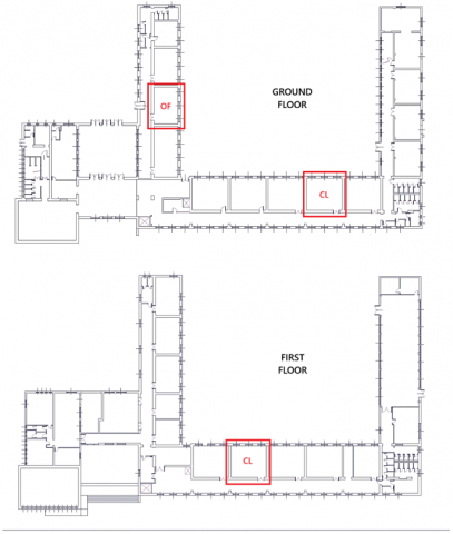
The sensor deployment layout is shown in Figure 2 below: two classrooms located on different floors and one office room on the ground floor were monitored in order to capture variations in occupancy patterns and usage profiles across different types of indoor spaces.
In addition to the continuous indoor monitoring, specific outdoor measurement campaigns were conducted to assess air quality outside the school and compare it with indoor conditions. The outdoor measurements were carried out using Trotec particle counters (BQ20 and PC220) during the most relevant periods—namely, school hours between 8:00 a.m. and 2:00 p.m., on weekdays from Monday to Friday. Two sampling points were selected: one in the inner courtyard of the school, facing the monitored classrooms and office, identified as the “zero” reference environment due to its limited exposure to vehicular traffic, and another in the square in front of the school’s main entrance, where higher concentrations of atmospheric pollutants were expected.
Figure 2. Sensor’s location in classrooms (CL) and in offices (OF) on the two different floors
For the assessment of outdoor climatic conditions, a fixed weather station—installed on a public building of the Municipality of Carbonia—was used. This station provided data at a 15-minute acquisition interval.
The building’s energy modeling was carried out in accordance with research [22], using the Termolog® software. The entire building envelope was modeled in detail, including external and internal walls, floors, ceilings, roof slabs, and transparent surfaces (Figure 3). Each element was assigned the specific parameters required for the energy analysis.
To ensure accurate modeling, the various existing thermal bridges were studied, distinct thermal zones were identified, the contribution from renewable energy systems was incorporated, and the effects of shading from surrounding vegetation and neighboring buildings were evaluated.
Figure 3. Graphical output of the energy model
The results obtained from the energy modeling were subsequently refined by incorporating the data gathered from the measurements of various parameters related to the Indoor Air Quality (IAQ) index. This integration enabled the estimation of the actual thermal contributions induced by occupants and their behavior in managing building systems and envelope elements (e.g., window and door openings).
The primary energy for space heating EP,H, and for space cooling EP,C, expressed in kWh, results:
(EP,H)_asset=137129 kWh
(EP,C)_asset=5557 kWh
These values differ by about 40% from the actual billed annual energy consumption, indicating an inaccurate assessment of the building-system operation.
The actual behavior of the occupants and the real use of the HVAC systems can be inferred from the analysis of sensor data and recorded energy consumption.
The main parameters obtained from the measurement campaign—used to calibrate and refine the simulation model—are presented in Figure 4, which shows the hourly average power absorbed by the Sebastiano Satta school in Carbonia on a typical winter and summer day.
The following key findings emerged from the analysis of the monitored data:
Figure 4. Average hourly consumptions and surpluses on a typical winter and summer day
The use of AIRCARE sensors enabled the identification of actual occupancy and the management of window and door openings across various indoor environments.
As an example, Figure 5 presents the hourly average readings of temperature and CO₂ concentration recorded on a typical winter day in one of the classrooms at the Satta school. These data allowed the extraction of several key aspects:
These data provided valuable insights not only into the behavior of the building envelope but also, more importantly, into the actual management of conditioned spaces. Once integrated into the simulation model, they contributed to the validation of the results obtained in terms of indoor operative temperature profiles.
Figure 5. Hourly indoor comfort parameters monitoring
The management of the building–system integration, as estimated through direct monitoring of electrical consumption, along with the influence of occupant behavior, as inferred from IAQ sensor data, enabled the correction of the previously obtained results derived from the standard asset-based approach.
This process allowed for the recalculation of primary energy consumption for space heating and for space cooling:
(EP,H)_tailored=11628 kWh
(EP,C)_tailored=8912 kWh
With a deviation of about 25% compared to the billed annual energy consumption.
The results highlight how the standard asset-based energy evaluation model, while providing useful insights for regulatory compliance and performance assessments, tends to yield generally overestimated and incomplete values. For greater reliability, such estimates should be properly adjusted to reflect the building’s actual usage profile.
The most significant discrepancies are observed in the estimation of primary energy demand for space cooling, with deviations potentially exceeding 300%. These errors are likely due to the reliance on average performance data for generation systems, which may not accurately represent the actual operation and responsiveness of such systems to external climatic variations.
Such differences are mainly attributable to the absence of zone-specific climate control systems within the building, which often result in discomfort conditions and, in some cases, trigger inappropriate behavior by occupants.
In this paper, the authors evaluated the impact of occupants’ stochastic behavior on the results of the energy simulation of a school building, conducted using a standard asset rating approach. Occupant behavior was monitored through two distinct experimental methodologies: direct monitoring of electrical consumption and continuous monitoring of key parameters related to indoor air quality.
Direct consumption monitoring provided valuable insights into the suboptimal management of HVAC systems, which operated on a scheduled basis without accounting for regular school closures. The authors estimated that such improper management results in an annual energy cost increase of over 7%.
Indoor air quality monitoring, on the other hand, allowed for the calibration of the energy model based on actual occupant behavior, through a direct correlation between measured CO₂ concentrations and the real presence of people in conditioned spaces. The monitoring of these parameters enabled the refinement of the simulation model, reducing the deviation from the actual billed energy consumption to within 20%.
This work has been developed within the framework of the project e.INS- Ecosystem of Innovation for Next Generation Sardinia (cod. ECS 00000038) funded by the Italian Ministry for Research and Education (MUR) under the National Recovery and Resilience Plan (NRRP) - MISSION 4 COMPONENT 2, "From research to business" INVESTMENT 1.5, "Creation and strengthening of Ecosystems of innovation" and construction of "Territorial R&D Leaders. And the “NEST - Network 4 Energy Sustainable Transition” is funded by the Italian Ministry of University and Research under the Next-Generation EU Programme (National Recovery and Resilience Plan).
[1] EU. (2024). Directive (EU) 2024/1275 of the European Parliament and of the Council of 24 April 2024 on the energy performance of buildings (recast). European Parliament and Council.
[2] European Commission. (2019). The European Green Deal. European Commission, Brussels.
[3] The European Parliament and the Council of the European Union. (2021). Regulation (EU) 2021/1119 of the European Parliament and of the Council of 30 June 2021 establishing the framework for achieving climate neutrality and amending Regulations (EC) No 401/2009 and (EU) 2018/1999 (‘European Climate Law’). PE/27/2021/REV/1.
[4] De Wilde, P. (2014). The gap between predicted and measured energy performance of buildings: A framework for investigation. Automation in Construction, 41: 40-49. https://doi.org/10.1016/j.autcon.2014.02.009
[5] IPEEC Building Energy Efficiency Taskgroup. (2019). Building Energy Performance Gap Issues: An International Review. IPEEC Building Energy Efficiency Taskgroup: Paris, France.
[6] Berger, C., Mahdavi, A. (2024, April). Users' impact on buildings' energy performance gap. In ISEC 2024–3rd International Sustainable Energy Conference, Messecongress Graz, Austria. https://doi.org/10.52825/isec.v1i.1091
[7] D’Oca, S., Hong, T., Langevin, J. (2018). The human dimensions of energy use in buildings: A review. Renewable and Sustainable Energy Reviews, 81: 731-742. https://doi.org/10.1016/j.rser.2017.08.019
[8] Happle, G., Fonseca, J.A., Schlueter, A. (2018). A review on occupant behavior in urban building energy models. Energy and Buildings, 174: 276-292. https://doi.org/10.1016/j.enbuild.2018.06.030
[9] Zhang, D., Mui, K.W., Wong, L.T. (2023). Establishing the relationship between occupants’ thermal behavior and energy consumption during showering. Buildings, 13(5): 1300. https://doi.org/10.3390/buildings13051300
[10] Banfi, A., Ferrando, M., Causone, F. (2023). Occupant behaviour (OB) modelling to support urban building energy simulation: An overview. In Proceedings of Building Simulation 2023: 18th Conference of IBPSA Shanghai, China, 18: 533-540. https://doi.org/10.26868/25222708.2023.1584
[11] Yan, D., O’Brien, W., Hong, T., Feng, X., Gunay, H.B., Tahmasebi, F., Mahdavi, A. (2015). Occupant behavior modeling for building performance simulation: Current state and future challenges. Energy and Buildings, 107: 264-278. https://doi.org/10.1016/j.enbuild.2015.08.032
[12] Uddin, M.N., Wei, H.H., Chi, H.L., Ni, M. (2021). Influence of occupant behavior for building energy conservation: A systematic review study of diverse modeling and simulation approach. Buildings, 11(2): 41. https://doi.org/10.3390/buildings11020041
[13] Yan, D., Hong, T., Dong, B., Mahdavi, A., D’Oca, S., Gaetani, I., Feng, X. (2017). IEA EBC Annex 66: Definition and simulation of occupant behavior in buildings. Energy and Buildings, 156: 258-270. https://doi.org/10.1016/j.enbuild.2017.09.084
[14] Mahdavi, A., Berger, C., Amin, H., Ampatzi, E., et al. (2021). The role of occupants in buildings’ energy performance gap: Myth or reality? Sustainability, 13(6): 3146. https://doi.org/10.3390/su13063146
[15] Zheng, Z., Zhou, J., Jiaqin, Z., Yang, Y., Xu, F., Liu, H. (2024). Review of the building energy performance gap from simulation and building lifecycle perspectives: Magnitude, causes and solutions. Developments in the Built Environment, 17: 100345. https://doi.org/10.1016/j.dibe.2024.100345
[16] Paone, A., Bacher, J.P. (2018). The impact of building occupant behavior on energy efficiency and methods to influence it: A review of the state of the art. Energies, 11(4): 953. https://doi.org/10.3390/en11040953
[17] Levermore, G. (2021). Maxmaladaptation, occupant behaviour and energy performance gap. Building Services Engineering Research and Technology, 42(5): 533-544. https://doi.org/10.1177/01436244211000990
[18] Chen, S., Zhang, G., Xia, X., Chen, Y., Setunge, S., Shi, L. (2021). The impacts of occupant behavior on building energy consumption: A review. Sustainable Energy Technologies and Assessments, 45: 101212. https://doi.org/10.1016/j.seta.2021.101212
[19] Xu, X., Yu, H., Sun, Q., Tam, V.W. (2023). A critical review of occupant energy consumption behavior in buildings: How we got here, where we are, and where we are headed. Renewable and Sustainable Energy Reviews, 182: 113396. https://doi.org/10.1016/j.rser.2023.113396
[20] Bäcklund, K., Molinari, M., Lundqvist, P., Palm, B. (2023). Building occupants, their behavior and the resulting impact on energy use in campus buildings: A literature review with focus on smart building systems. Energies, 16(17): 6104. https://doi.org/10.3390/en16176104
[21] Guerra-Santin, O., Bosch, H., Budde, P., Konstantinou, T., Boess, S., Klein, T., Silvester, S.J.E.E. (2018). Considering user profiles and occupants’ behaviour on a zero energy renovation strategy for multi-family housing in the Netherlands. Energy Efficiency, 11(7): 1847-1870. https://doi.org/10.1007/s12053-018-9626-8
[22] UNI CEI EN 16247-2:2022: Energy audits - Part 2: Buildings. https://store.uni.com/en/uni-cei-en-16247-2-2022.