Effectiveness of Different Sources of Biochar for Immobilizing Mercury in Soil from Artisanal and Small-Scale Gold Mining Areas in Taliwang Village of West Sumbawa Regency, Indonesia

Effectiveness of Different Sources of Biochar for Immobilizing Mercury in Soil from Artisanal and Small-Scale Gold Mining Areas in Taliwang Village of West Sumbawa Regency, Indonesia

I Gusti Made Kusnarta* Suwardji Suwardji Fahrudin Fahrudin Sukartono Sukartono Wayan Wangiyana Bonusa Nabila Huda Yune Muhrani Ismaranti Yuyun Yunia Ismawati Annisa Maharani Boudewijn Fokke Carlo Bensaïah

Department of Soil Science, Faculty of Agriculture, University of Mataram, Mataram 83125, Indonesia

Center for Sustainable Farms System (CESFARMS), University of Mataram, Mataram 83125, Indonesia

Department of Agronomy, Faculty of Agriculture, University of Mataram, Mataram 83125, Indonesia

Nexus3 Foundation, Denpasar 80223, Indonesia

TAUW Foundation, Amsterdam 20748, The Netherlands

Corresponding Author Email: 
igmadekusnarta@unram.ac.id
Page: 
1627-1634
|
DOI: 
https://doi.org/10.18280/ijdne.190516
Received: 
25 February 2024
|
Revised: 
16 August 2024
|
Accepted: 
25 August 2024
|
Available online: 
29 October 2024
| Citation

© 2024 The authors. This article is published by IIETA and is licensed under the CC BY 4.0 license (http://creativecommons.org/licenses/by/4.0/).

OPEN ACCESS

Abstract: 

Mercury (Hg) contamination in soil can significantly harm the environment, food chain, and human health. Therefore, affordable, effective, long-lasting cleanup technologies are needed. Hg-contaminated soil taken from a former artisanal and small-scale gold mining (ASGM) in Taliwang Village, West Sumbawa District, West Nusa Tenggara Province, was used to compare the effectiveness of three types of biochar made from local agricultural wastes, namely corn cob (CC), rice husk (RH), and coconut shell (CS) as mercury immobilizer in a leaching experiment of the Hg-contaminated soil mixed with the biochar in three soil layers (0-10, 10-25, 25-50 cm). The results indicated that CC was more successful in immobilizing Hg in soil than RH and CS, revealed by the lowest Hg content in the leachate of CC-treated soil. SEM (scanning electron microscopy) and FTIR (Fourier Transform Infrared Spectroscopy) characterization of the biochar reveal that CC is more porous and has a higher content of hydroxyl groups than RH and CS, which support CC’s highest capability in immobilizing Hg in soil. The study highlights the significance of biochar from agricultural wastes for mercury remediation in soil and suggests the possible use of CC biochar in maximizing the efficiency of mercury remediation in soil.

Keywords: 

biochar, rice husk, coconut shell, corn cob, mercury, pollution, gold mine, leaching

1. Introduction

In Indonesia, mining activities continue to increase on a large and a small scale as new potential mining locations are discovered. Small-scale gold mining has spread widely and covered around 800 locations [1]. Artisanal small-scale gold mining (ASGM) in West Nusa Tenggara (NTB-Nusa Tenggara Barat) Province has been operating since 2008 [2, 3] with the number of gold ore processing (rod mills) reaching 6,019 units [2]. In this ore processing, mercury (Hg) is used to bind gold from gold ore through amalgamation [2].

It is a matter of fact that mercury is a toxic material that is very dangerous for human health and the environment [4]. However, most ASGM workers are not yet aware of the dangers that mercury can cause [5]. It is reported that, for one gram of gold produced in ASGM site, around 10 grams of Hg might be required and around 9 grams of Hg might be released into the soil, water, and air [5]. Hylander et al. [6] also reported that processing gold ore using the amalgamation method can only extract about 10% of the gold content in the gold ore. Despite that, this method is still being used massively because the miners believed that amalgamation is the most efficient and the best available method.

In addition, Krisnayanti et al. [2] reported that the presence of ASGM in several NTB areas has improved the economy of the communities around the gold mining areas and recruited many laborers. However, this positive impact is not balanced by the problem of environmental pollution caused by mercury wastes, which become pollutants in the soil and water used for drinking, bathing, and washing. This problem becomes increasingly severe when the concentration of contaminats reaches the permissible threshold, including pollution occurring in agricultural areas [7].

The release of Hg as waste in ASGM activities mainly occurs while grinding gold-bearing rocks in a rod mill. Grinding causes the mercury to break into fine granules and scatter around after being removed from the ball/rod mill (“gelondong”). Suppose the availability of Hg exceeds the threshold concentrations in agricultural land. In that case, it can endanger the health of humans consuming crops from that land because Hg is known to be capable of entering the food chain [8, 9]. In the human body, Hg can disrupt metabolic processes by inhibiting several enzymes, which can damage the brain, kidney, and liver tissues, and long-term accumulation can even damage the chromosome structure, causing congenital disabilities in humans [10].

Considering the dangers of Hg pollution caused by ASGM activities, especially in the area around Taliwang Village of West Sumbawa District, action is needed to prevent its spread to the environment, and this can be done using organic material in the form of biochar [11, 12]. This method is considered more economical and does not cause toxic residue. Biochar is a solid agricultural waste material that is stable (difficult to decompose) and can be obtained from carbonizing biomass by pyrolysis (combustion with limited oxygen) [13].

Biochars produced from agricultural wastes can limit the mobility of heavy metals, including Hg [14-17]. However, research on the immobilization of Hg in soil using corn cobs [15], rice husks [16], and coconut shells biochars in Hg-contaminated wastewater [17] has succeeded in proving the ability of biochars as ameliorant materials. However, there is still a gap that adding biochar produced from pinecone at the rate of up to 80 t ha-1 to a Hg contaminated floodplain soil of 31.2 ppm Hg did not significantly impact Hg immobilization [18]. These conflicting findings suggest that the three biochars (CC, RH, and CS) can effectively immobilize Hg, especially in Hg contaminated soil at the Taliwang ASGM location and should be further investigated. In addition, in the NTB province these three agricultural wastes are available in substantial quantities and have yet to be utilized optimally.

For this reason, research was carried out to determine the effect of applying biochar from different sources of local agricultural wastes (CC, RH, and CS) to determine the most effective one in preventing Hg mobility in Hg-polluted soil from the former ASGM area at Taliwang Village of West Sumbawa District, NTB Province, Eastern Indonesia.

2. Materials and Methods

2.1 Mercury contaminated site

The mercury-contaminated soil sampled in this research is located at Taliwang Village, West Sumbawa District (KSB), at a geographical position of 8° 44' 38.86" South Latitude and 116° 51' 2.36" East Longitude (Figure 1), which was one of the former ASGM locations in the West Nusa Tenggara (NTB) Province. The site was used as a location of gold ore processing (ASGM) for five years (2016-2020) and stopped operation in 2021. Samples of mercury-contaminated soil were taken from this site and used as the materials of this research, which were brought to the Soil Science Laboratory, Faculty of Agriculture, University of Mataram, where the treatments (leaching experiment) and measurements were conducted between March and May 2023.

Figure 1. Google Eart image location of the Hg contaminated ASGM site in the Taliwang Village of West Sumbawa District, NTB Province, Eastern Indonesia

2.2 Soil sampling and media preparation

Soil samples with a silty loam texture were collected from 12 points determined by purposive sampling. There were 3 layers of soil collected at each sampling point, namely: 0-10 cm (L1), 10-25 cm (L2), and 25-50 cm (L3). Two types of field soil samples were collected from those points, namely undisturbed soil samples (for measuring soil bulk density and porosity) and disturbed soil samples for use as media of leaching experiments and for measuring some soil properties such as soil pH [19], C-organic [19], Cation Exchange Capacity (CEC) [19], particle density [19], soil texture [20], and total Hg concentration of the soil [21]. The disturbed soil samples from each layer were air-dried separately, which were then crushed and sifted using a 2 mm mesh sieve as media in the leaching experiment. For the leaching experiment, to mimic soil layers in the field, soil from each layer required for each experimental unit was 590 g for L1 (0-10 cm), 890 g for L2 (10-25 cm), and 1480 g for L3 (25-50 cm).

2.3 Biochar preparation

There were three different biochar sources used in the leaching experiment, namely corn cob (CC), rice husk (RH), and coconut shell (CS), which were prepared through a thermal degradation process without oxygen (carbonization) using the retort kiln method at a temperature of 300℃ for 2 hours [13]. The three types of biochar were then grounded and sifted using 80 mesh sieves, then weighed to meet the biochar requirement of each soil layer, namely 5% of the weight of the soil in each layer, i.e., 29.5 g for L1, 44.5 g for L2, and 74.0 g for L3.

2.4 Design of the leaching experiment

The leaching experiment was designed using a Completely Randomized Design to examine the effects of biochar types (B1= corn cob (CC); B2= rice husk (RH); B3= coconut shell (CS); and B0= without biochar), each with three replications, resulting in 12 experimental units. Each experimental unit was set up with a 3-inch inner diameter PVC pipe and 65 cm height. Each pipe was filled with air-dried and sifted disturbed soil samples of 1480 g L3 soil in the bottom (25 cm height), 890 g L2 soil in the middle (15 cm height), and 590 g L1 soil in the top layer (10 cm height). Before filling the pipe with the three soil layers, each soil layer was mixed thoroughly with biochar of 5% of the weight of the air-dried soil layers (see Section 2.3). Therefore, there was about 15 cm pipe height above the L1 soil surface in each pipe with no soil, and this pipe space was used for leaching the soil column in each pipe, with an amount of deionized water equal to the average rainfall in the Taliwang Village (the Hg contaminated sites). After being filled with mixtures of biochar and soil from the three layers, the PVC pipes were placed on a wooden support rack. The bottom of each pipe was equipped with gauze, placed on a plastic funnel, and connected to a 10-liter capacity jerry can using a flexible plastic hose with a diameter of 0.75 inches (Figure 2). Then, all soil columns in each PVC pipe were saturated with de-ionized water and incubated for 7 days.

2.5 The leaching processes

After the incubation period, the leaching process of Hg in the Hg-contaminated soil in the leaching experiment was started by pouring de-ionized water on the surface of the L1 soil in each pipe. The amount of de-ionized water used was calculated based on monthly rainfall during wet months (>200 mm) and the number of rainy days in that particular wet month. Based on the long-term average of monthly rainfall data of Taliwang Village, it was obtained that the average wet month rainfall was 279.5 mm. The rainfall data was then converted based on the surface area of the L1 soil, which resulted in the total required water of 1274.63 ml. This total was then divided into an average number of rainy days per month (21 days), resulting in the amount of water required for leaching being 182 ml per 3 days. This leaching experiment was carried out for one month. The leachate obtained was then sampled and added with HNO3 to reduce microorganism activities (bacteria and fungi) to avoid changes in mercury (Hg) ions through volatilization and methylation.

Figure 2. The leaching equipment of Hg-contaminated soil treated with different types of biochar

2.6 Soil, biochar, and data analysis

Before the leaching experiments the soil and biochar were analyzed, the soil was analyzed for: pH-H2O (soil: water of 1:2.5) using the glass electrode method; organic-C using the Walky and Black method [19]; Cation Exchange Capacity (CEC) using neutral ammonium acetate extractant; soil bulk density and particle density, each using the gravimetric method; soil porosity, which was calculated using the formula [{1-(bulk density/particle density)} × 100%], and soil texture, which was measured using the pipette method. Biochar characteristics were analyzed for pH-H2O (1:2.5); organic-C, CEC; electrical conductivity (EC); bulk density; and water content (gravimetric method) [21]. The functional group of the biochar was analyzed using Fourier Transformed Infra-Red Spectroscopy (FTIR Spirit/ATR-S Serial No. A224158/ Shimadzu) [22]. The biochar was coated with a KBr pellet before FTIR analysis. Scanning Electron Microscopy (SEM) was conducted using SEM JEOL JSM-6510LA, and biochar was coated with gold in auto coater JEOL JEC-3000FC.

After the leaching experiment finished, both soil and leachate obtained were analyzed to determine the total Hg concentration using the methods reported by Krisnayanti et al. [21], and readings were carried out using an equipment of F732-S Cold atomic absorption analyzer. Data collected were analyzed using Analysis of Variance (ANOVA) and Tukey’s HSD at 5% significance levels using CoStat for Windows ver. 6.303.

3. Results and Discussion

3.1 The characteristics of the soil from Taliwang Village

The soil at the Taliwang Village belongs to the Inceptisol soils order. Its characteristics are: neutral in acidity with a pH value of 7.3, low organic matter content (1.13%), and the amount of negative soil charge is relatively low, as shown by the low Cation Exchange Capacity (CEC), namely 11.33 cmol+.kg-1. This fact is closely related to the low organic matter content of the soil (Table 1). Organic colloids can have much smaller particle sizes than inorganic colloids, so they are more reactive, and organic colloids have more negative charges than inorganic colloids [22]. Based on these data, the soil at the location is less fertile and has less ability to adsorb cations [23]. Therefore, organic ameliorants such as biochar are very important for the soil.

The total Hg of the soil samples in the site ranges from 0.69 to 24.49 ppm, with an average of 9.28 ppm (Table 1). The total Hg content is above the permissible threshold of 0.36 ppm [24]. The high Hg content in the soil is closely related to ASGM that has operated on the site for around 5 years. The value of soil bulk density is in a high category (1.36 g/cm3) with low soil porosity (33.77%), which indicates that the soil at the location has a compacted layer. Such conditions may limit the infiltration rate and tend to promote runoff so that it can worsen soil damage and, at the same time, can also extend the spread of the wasted Hg to more expansive areas.

Table 1. Soil characteristics of Taliwang Village before experiment

Soil Characteristics

Value

Criteria*

pH (H2O)*

7.30

Neutral

Organic-C (%)*

1.13

Low

CEC (cmol+.kg-1) *

11.33

Low

Porosity(%)*

37.77

Low

Bulk density (g.cm-3)*

1.36

High

Particle density (g.cm-3)*

2.22

High

Soil Texture**:

Sand (%)

Silt (%)

Clay (%)

 

25.76

43.73

30.51

Clay loam

Total Hg (ppm)***

9.28 (0.69-24.49)

Polluted

Source: * Gautam et al. [19], ** Carter and Gregorich [20], *** Krisnayanti et al. [21].

3.2 The characteristics of each type of biochar

Characteristics of the three types of biochar (Table 2) show that RH and CC have neutral acidity, with pH of 6.70 and 6.75, respectively. In contrast, CC has a high pH of 9.90, based on soil acidity criteria from Gautam et al. [19]. Soil pH is closely related to the soil's ability to adsorb heavy metals, including Hg. Soils with lower pH have a higher ability to adsorb Hg [25]. Based on the bulk density, among the three types of biochar, CS is the heaviest (0.71 g.cm-3), while RH and CC are lighter, with bulk densities of 0.35 and 0.34 g.cm-3, respectively. The organic carbon content of the biochar was classified as very high, namely 31.58, 31.45, and 80.59 for RH, CC, and CS biochar, respectively. The Cation Exchange Capacity (CEC) of the three biochar types was very high, namely 56.46, 53.11, and 57.63 for RH, CC, and CS, respectively (Table 2). The high CEC of biochar relates to the very fine size of the organic colloid [26].

Table 2. Biochar characteristics analyzed before running the leaching experiment

Biochar Characteristics

Biochar Types

Rice Husk

Coconut Shell

Corn Cob

Moisture content (%w)

5.44

5.56

7.71

Bulk density (g.cm-3)

0.35

0.71

0.34

pHH2O (1:2.5)

6.70

9.90

6.75

EC (mS/cm)

201.53

1748.00

234.00

Organic-C (%)

31.58

80.59

31.45

CEC (cmol+.kg-1)

56.46

57.63

53.11

3.3 Total Hg in the soil after leaching

In each biochar treatment, the total Hg concentration tend not to show significant differences between layers, except in the CC-treated soil, which showed high values in the L3 layer. Likewise, with the control treatment, the highest total Hg content was found in the L2 layer (Figure 3). This shows that there was Hg leaching, both in the CC treatment and the control, while the CC biochar was strong enough to maintain the presence of Hg in each layer, as shown by the non-significant difference in total Hg between the soil layers.

Figure 3. Total Hg concentration after leaching in each layer of soil treated by three types of biochar

Note: L1, L2, and L3 are the depth of the soil layers: 0-10, 10-25, and 25-50 cm, respectively. None = no biochar added (control treatment).

When comparing the three types of biochar, it can be seen that the CC treatment in all layers showed a significantly higher total Hg concentration than the RH and CS biochar (Figure 3). The high concentration of soil Hg in the CC biochar treatment indicates that CC biochar can be used as an alternative material for remediating soil contaminated with heavy metals, mainly Hg, which occurs in the ASGM area, where Hg is used as the amalgam. This finding is in line with what was reported by Wang et al. [27], that biochar from corn plant parts (whisker) can effectively adsorb Hg through several mechanisms, such as adsorption by functional groups, surface adsorption, complexation to form chelates, ion exchange, and absorption into the interior part of the biochar because of its porous nature. Thus, CC biochar can reduce Hg bioavailability and leaching in the soil through adsorption and physicochemical reactions [28], which are influenced by acidity, surface area, and the nature of its pores. This leaching experiment can strongly confirm the effectiveness of CC biochar in relying on the adsorption of Hg down to the deeper soil layers to inhibit the further spreading of Hg into the environment.

By comparing the three biochar types (CC, RH, and CS) without considering the soil layer, it is clear that soil treated with the CC shows significantly higher Hg adsorption ability than RH and CS biochar (Figure 4). The data show that the Hg adsorption capacity of CC biochar (5.58 ppm) was almost twice that of the RH and CS biochar (2.57 ppm). This fact could partly be related to the particular characteristics of the corn cob biochar, which has a close relationship with the results of Fourier Transform infrared spectroscopy (FTIR) and Scanning Electron Microscopy (SEM) analyses (see Section 3.4).

Figure 4. Total Hg in soil (merged among layers) under each treatment of three biochar types and control (None)

3.4 FTIR and SEM

FTIR (Fourier Transform Infrared) analysis of the biochar using infrared spectroscopy is aimed at analyzing the biochar’s chemical structure and functional group composition of biochar (Figure 5). The identified functional groups can then help analyze interactions between Hg and biochar. Figure 5(b) shows that the biochar made from corn cobs (CC) has a -OH absorption of the hydroxyl group at a wave number of 3267 cm-1, which is sharper than the other two types of biochar [29]. The functional groups in CC are rich in hydroxyl groups, which chemically interact more easily with mercury using hydrogen interactions. This higher interaction is also supported by the analysis of Hg adsorption on the soil by CC biochar (Figure 4).

On the other hand, asymmetric Si-O absorption from Si-O-Si appears in the three types of biochar with wave numbers around 1031-1048 cm-1. Apart from that, there is Si-O absorption from symmetrical Si-O-Si with wave numbers in the range 745-778 cm-1. This shows that two functional groups play a role in the interaction between biochar and Hg in the soil.

(a) Rice husk (RH)

(b) Corn cob (CC)

(c) Coconut shell (CS)

Figure 5. Result of Fourier Transform Infra-Red Spectroscopy (FTIR) of three biochar types

In physical adsorption, Hg accumulates on the surface of the adsorbent [30]. Based on this study's results, the adsorbent's mass is directly proportional to the amount of heavy metal absorbed. Guiza [31], Jia et al. [32] reported that the use of CC biochar showed an adsorption efficiency of 82.33% for Chromium (Cr) metal ions and 83.98% for Cadmium (Cd) metal ions. If the mass of CC biochar is increased, the surface area of the adsorbent will also increase, compared to RHbiochar, which reaches 79.65%, and CS 66.8%.

(a) Rice husk (RH) biochar

(b) Corn cob (CC) biochar

(c) Coconut shell (CS) biochar

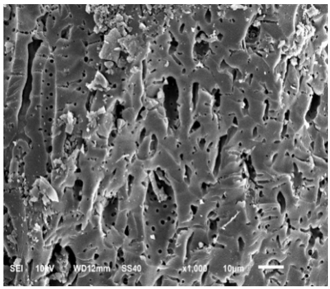
Figure 6. Scanning Electron Microscopy (SEM) results

Furthermore, the adsorption of heavy metal ions (Hg2+) by biochar can also be determined by the porosity properties of the biochar [33]. The observations using SEM at 1000 times magnification (Figure 6) show that the average pore diameter of CC biochar is much larger (23.34 µm) than that of RH biochar (18.30 µm) and CS biochar (8.98 µm).

A larger pore diameter will undoubtedly provide a larger pore space, thus suppressing the heavy metal Hg. This proves that CC biochar has a higher Hg adsorption capacity than RH and CS biochar. Therefore, this strengthens the reason that CC biochar can be used as an ameliorant to minimize Hg mobility in polluted soil.

3.5 Total Hg in leachate

The total Hg content in leachate can partly be used as an indicator of Hg immobilization due to the adsorption of Hg by the biochar. Leachate collected after the leaching experiment tends to provide a lower total Hg content under the three biochar treatments than the control treatment (Figure 7). The lowest total Hg in leachate was found under the treatment with CC biochar (0.38 ppm), followed by RH biochar (0.45 ppm) and CS biochar (0.54 ppm). These data indicate that the adsorption capacity of CC biochar is 18% higher than that of RH biochar or 42% higher than that of CS biochar. This finding confirms that the three types of biochar can bind Hg at different capacities. Yang et al. [28] found that biochar can bind Hg through some processes, such as adsorption by organic functional groups contained in biochar.

Figure 7. Total Hg content in leachate under three biochar applications and control (None)

When compared among the three biochar types, it was found that leachate obtained from treatment with CC biochar consistently shows the lowest total Hg concentration, indicating a higher ability of this biochar to bind Hg than the other two types of biochar (RH and CS). Lei et al. [34] and Alemayehu and Teshome [26] reported that biochar made from corn plant parts can adsorb Hg through several mechanisms, one of which is binding by its functional groups. The binding of Hg by biochar may limit its mobility and minimizing the danger of further pollution of the environment. In addition, biochar's ability to adsorb Hg is reported to last for an extended period, even hundreds of years [28]. However, from the perspective of environmental conservation, limiting the mobility of Hg is certainly not sufficient because its presence cannot be destroyed. To some extent, it may still have the opportunity to spread again if the environmental conditions permit it. Therefore, to clean up the soil from Hg, appropriate technologies still need to be sought [35] so that the soil, mainly in the settlement areas of the ASGM, can be cleaned from Hg or its Hg content can be decreased below the threshold limit (0.36 ppm).

Future work must be done to continue with this kind of research. This research was conducted at the laboratory or greenhouse scale with limited field-scale studies. Therefore, large-scale field trials are essential to validate laboratory findings, assess practical feasibility, and determine the economic viability of using biochar for mercury remediation. On the other hand, the interaction of biochar with other co-contaminants in soil, such as heavy metals and organic pollutants, need to be better explored. Further studies should investigate how multiple contaminants affects the remediation efficiency of combining biochar with the phytoremediation method. Addressing this future work for research will provide a more comprehensive understanding of the potential of biochar in remediating mercury-contaminated soils. This knowledge will be critical for developing effective, sustainable, and scalable remediation strategies.

4. Conclusions and Recommendations

The level of Hg mobility in the Inceptisol soil of Taliwang Village could be related to the low organic-C (1.13%) and CEC (11.33 cmol+.kg-1) and poor physical properties. To immobilize mercury in contaminated soil, materials such as corn cob, rice husks, and coconut shells biochars can adsorb mercury with values of 66, 40, and 17% (versus the control) for corn cobs, rice husks, and coconut shells, respectively. Corn cob biochar has a higher Hg adsorption capability than these other materials.

Based on these conclusions, it is recommended that large-scale field trials be carried out to validate laboratory findings. In addition to these field trials, low-cost remedial containment options that can be implemented by members of the affected ASGM communities themselves should be developed.

Acknowledgment

We express our deepest gratitude for the collaboration established in this research activity and thank the TAUW Foundation, Nexus3 Foundation, and AMMAN Mineral for funding this research. We also would like to thanks Lab Center for Environmental Toxin and Emerging Contaminant Research-Taiwan for providing the CRM043-Trace Metals Sandy Loam 6.

Nomenclature

ASGM

Artisanal and Small-scale Gold Mining

NTB

West Nusa Tenggara Province

CEC

Cation Exchange Capacity

CC

Corn cob biochar

RH

Rice husk biochar

CS

Coconut shel biochar

FTIR

Fourier Transform Infrared Spectroscopy

SEM

Scanning Electron Microscopy

  References

[1] Veiga, M.M., Maxson, P.A., Hylander, L.D. (2006). Origin and consumption of mercury in small-scale gold mining. Journal of Cleaner Production, 14(3-4): 436-447. https://doi.org/10.1016/j.jclepro.2004.08.010

[2] Krisnayanti, B.D., Anderson, C.W., Utomo, W.H., Feng, X., Handayanto, E., Mudarisna, N., Ikram, H. (2012). Assessment of environmental mercury discharge at a four-year-old artisanal gold mining area on Lombok Island, Indonesia. Journal of Environmental Monitoring, 14(10): 2598-2607. https://doi.org/10.1039/C2EM30515A

[3] Meutia, A.A., Lumowa, R., Sakakibara, M. (2022). Indonesian artisanal and small-scale gold mining—A narrative literature review. International Journal of Environmental Research and Public Health, 19(7): 3955. https://doi.org/10.3390/ijerph19073955

[4] Zulaikhah, S.T., Wahyuwibowo, J., Pratama, A.A. (2020). Mercury and its effect on human health: A review of the literature. International Journal of Public Health Science, 9(2): 103-114. 

[5] Güiza, L., Aristizabal, J.D. (2013). Mercury and gold mining in Colombia: A failed state. Universitas Scientiarum, 18(1): 33-49. 

[6] Hylander, L.D., Plath, D., Miranda, C.R., Lücke, S., Öhlander, J., Rivera, A.T. (2007). Comparison of different gold recovery methods with regard to pollution control and efficiency. CLEAN–Soil, Air, Water, 35(1): 52-61. https://doi.org/10.1002/clen.200600024

[7] Mitra, S., Chakraborty, A.J., Tareq, A.M., et al. (2022). Impact of heavy metals on the environment and human health: Novel therapeutic insights to counter the toxicity. Journal of King Saud University-Science, 34(3): 101865. https://doi.org/10.1016/j.jksus.2022.101865

[8] Rashid, A., Schutte, B.J., Ulery, A., Deyholos, M.K., Sanogo, S., Lehnhoff, E.A., Beck, L. (2023). Heavy metal contamination in agricultural soil: Environmental pollutants affecting crop health. Agronomy, 13(6): 1521. https://doi.org/10.3390/agronomy13061521

[9] Wuana, R.A., Okieimen, F.E. (2011). Heavy metals in contaminated soils: A review of sources, chemistry, risks and best available strategies for remediation. International Scholarly Research Notices, 2011(1): 402647. https://doi.org/10.5402/2011/402647

[10] Balali-Mood, M., Naseri, K., Tahergorabi, Z., Khazdair, M.R., Sadeghi, M. (2021). Toxic mechanisms of five heavy metals: Mercury, lead, chromium, cadmium, and arsenic. Frontiers in Pharmacology, 12: 643972. https://doi.org/10.3389/fphar.2021.643972

[11] Shaaban, M., Abid, M. (2021). Biochar as a sorbent for organic and inorganic pollutants. In: Sorbents Materials for Controlling Environmental Pollution, pp. 189-208. https://doi.org/10.1016/B978-0-12-820042-1.00001-8

[12] Abukari, A., Imoro, Z.A., Imoro, A.Z., Duwiejuah, A.B. (2021). Sustainable use of biochar in environmental management. In: Environmental Health, pp. 111-129.

[13] Ighalo, J.O., Eletta, O.A., Adeniyi, A.G. (2022). Biomass carbonisation in retort kilns: Process techniques, product quality and future perspectives. Bioresource Technology Reports, 17: 100934. https://doi.org/10.1016/j.biteb.2021.100934

[14] He, L., Zhong, H., Liu, G., Dai, Z., Brookes, P.C., Xu, J. (2019). Remediation of heavy metal contaminated soils by biochar: Mechanisms, potential risks and applications in China. Environmental Pollution, 252: 846-855. https://doi.org/10.1016/j.envpol.2019.05.151

[15] Duan, X.L., Yuan, C.G., Jing, T.T., Yuan, X.D. (2019). Removal of elemental mercury using large surface area micro-porous corn cob activated carbon by zinc chloride activation. Fuel, 239: 830-840. https://doi.org/10.1016/j.fuel.2018.11.017

[16] Shen, Z., Zhang, Z., Zhang, M., Rinklebe, J., Ma, Y., Hou, D. (2021). Effect of production temperature and particle size of rice husk biochar on mercury immobilization and erosion prevention of a mercury contaminated soil. Journal of Hazardous Materials, 420: 126646. https://doi.org/10.1016/j.jhazmat.2021.126646

[17] Isa, S.A., Hafeez, M.A., Singh, B.K., Kwon, S.Y., Choung, S., Um, W. (2022). Efficient mercury sequestration from wastewaters using palm kernel and coconut shell derived biochars. Environmental Advances, 8: 100196. https://doi.org/10.1016/j.envadv.2022.100196

[18] Beckers, F., Awad, Y.M., Beiyuan, J., Abrigata, J., Mothes, S., Tsang, D.C., Ok, Y.S., Rinklebe, J. (2019). Impact of biochar on mobilization, methylation, and ethylation of mercury under dynamic redox conditions in a contaminated floodplain soil. Environment international, 127: 276-290. https://doi.org/10.1016/j.envint.2019.03.040

[19] Gautam, M.K., Sachan, R., Singh, D., Kumar, A. (2023). Laboratory Manual on Soil Analysis. Bhavya Books.

[20] Carter, M.R., Gregorich, E.G. (2007). Soil Sampling and Methods of Analysis. CRC Press.

[21] Krisnayanti, B.D., Anderson, C.W., Sukartono, S., Afandi, Y., Suheri, H., Ekawanti, A. (2016). Phytomining for artisanal gold mine tailings management. Minerals, 6(3): 84. https://doi.org/10.3390/min6030084

[22] Qian, K., Li, J., Xie, X., Wang, Y. (2017). Organic and inorganic colloids impacting total iodine behavior in groundwater from the Datong Basin, China. Science of the Total Environment, 601: 380-390. https://doi.org/10.1016/j.scitotenv.2017.05.127

[23] Bian, R., Joseph, S., Cui, L., et al. (2014). A three-year experiment confirms continuous immobilization of cadmium and lead in contaminated paddy field with biochar amendment. Journal of hazardous materials, 272: 121-128. https://doi.org/10.1016/j.jhazmat.2014.03.017

[24] Lima, F.R.D., Martins, G.C., Silva, A.O., Vasques, I.C.F., Engelhardt, M.M., Cândido, G.S., et al. (2019). Critical mercury concentration in tropical soils: Impact on plants and soil biological attributes. Science of the Total Environment, 666: 472-479. https://doi.org/10.1016/j.scitotenv.2019.02.216

[25] Jing, Y.D., He, Z.L., Yang, X.E. (2007). Effects of pH, organic acids, and competitive cations on mercury desorption in soils. Chemosphere, 69(10): 1662-1669. https://doi.org/10.1016/j.chemosphere.2007.05.033.

[26] Alemayehu, B., Teshome, H. (2021). Soil colloids, types and their properties: A review. Open Journal of Bioinformatics and Biostatistics, 5(1): 008-013. https://doi.org/10.17352/ojbb.000010

[27] Wang, J., Shi, L., Zhai, L., Zhang, H., Wang, S., Zou, J., Shen, Z., Lian, C., Chen, Y. (2021). Analysis of the long-term effectiveness of biochar immobilization remediation on heavy metal contaminated soil and the potential environmental factors weakening the remediation effect: A review. Ecotoxicology and Environmental Safety, 207: 111261. https://doi.org/10.1016/j.ecoenv.2020.111261

[28] Yang, Q., Wang, Y., Zhong, H. (2021). Remediation of mercury-contaminated soils and sediments using biochar: A critical review. Biochar, 3: 23-35. https://doi.org/10.1007/s42773-021-00087-1

[29] Zhang, M., Xia, H., Riaz, M., Liu, B., Jiang, C. (2023). Various beneficial microorganisms colonizing on the surface of biochar primarily originated from the storage environment rather than soil environment. Applied Soil Ecology, 182: 104700. https://doi.org/10.1016/j.apsoil.2022.104700

[30] Yang, H., Turner, S., Rose, N.L. (2016). Mercury pollution in the lake sediments and catchment soils of anthropogenically-disturbed sites across England. Environmental Pollution, 219: 1092-1101. https://doi.org/10.1016/j.envpol.2016.09.012

[31] Guiza, S. (2017). Biosorption of heavy metal from aqueous solution using cellulosic waste orange peel. Ecological Engineering, 99: 134-140. https://doi.org/10.1016/j.ecoleng.2016.11.043

[32] Jia, Y., Shi, S., Liu, J., Su, S., Liang, Q., Zeng, X., Li, T. (2018). Study of the effect of pyrolysis temperature on the Cd2+ adsorption characteristics of biochar. Applied Sciences, 8(7): 1019. https://doi.org/10.3390/app8071019

[33] Qiu, B., Tao, X., Wang, H., Li, W., Ding, X., Chu, H. (2021). Biochar as a low-cost adsorbent for aqueous heavy metal removal: A review. Journal of Analytical and Applied Pyrolysis, 155: 105081. https://doi.org/10.1016/j.jaap.2021.105081

[34] Lei, P., Tang, C., Wang, Y., Wu, M., Kwong, R.W., Jiang, T., Zhong, H. (2021). Understanding the effects of sulfur input on mercury methylation in rice paddy soils. Science of the Total Environment, 778: 146325. https://doi.org/10.1016/j.scitotenv.2021.146325

[35] Wang, L., Hou, D., Cao, Y., Ok, Y.S., Tack, F.M., Rinklebe, J., O'Connor, D. (2020). Remediation of mercury contaminated soil, water, and air: A review of emerging materials and innovative technologies. Environment International, 134: 105281. https://doi.org/10.1016/j.envint.2019.105281